Запчасти Case IH 950 (9F-08) - LIQUID FERTILIZER SQUEEZE PUMP SYSTEM, 12 AND 16 ROW NARROW, FRONT FOLD (09) - CHASSIS/ATTACHMENTS

Схема запчастей Case IH 950 - (9F-08) - LIQUID FERTILIZER SQUEEZE PUMP SYSTEM, 12 AND 16 ROW NARROW, FRONT FOLD (09) - CHASSIS/ATTACHMENTS
10
13
16
15
21
16
8
3
12
1
23
3
14
1
4
19
15
18
9
20
21
18
15
22
6
2
22
4
14
13
15
18
7
11
24
16
5
17
16
FIT
1:1
100%

Артикул

Название

Примечание

Количество

1

REF

INSTRUCTION

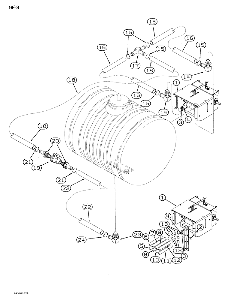
PUMP ASSEMBLY - squeeze, see pages 9F-11 and 9F-13 for correct assembly and parts list

1-2шт.

2

413-1256

BOLT,Hex, 3/4" - 10 x 3-1/2", Gr 5

- hex, 3/4 NC x 2-1/4 inch

8шт.

3

492-11075

LOCK WASHER,3/4"

3/4"

8шт.

4

425-1012

NUT,3/4"-10, G5

8шт.

5

NSS

NOT SOLD SEPARAT

HOSE - 1/2 ID x 68-1/8 inch, cut from 134331C2, shown below, 12 and 16 row

2шт.

See item 22, page 9F-57 for the liquid fertilizer tube that connects to hoses.

1шт.

6

NSS

NOT SOLD SEPARAT

HOSE - 1/2 ID x 108-5/16 inch, cut from 134331C2, shown below, 12 and 16 row

1шт.

See item 22, page 9F-57 for the liquid fertilizer tube that connects to hoses.

1шт.

7

NSS

NOT SOLD SEPARAT

HOSE - 1/2 ID x 128 inch, cut from 134331C2, shown below, 12 and 16 row

1шт.

See item 22, page 9F-57 for the liquid fertilizer tube that connects to hoses.

1шт.

8

NSS

NOT SOLD SEPARAT

HOSE - 1/2 ID x 158-5/16 inch, cut from 134331C2, shown below, 12 and 16 row

1шт.

See item 22, page 9F-57 for the liquid fertilizer tube that connects to hoses.

1шт.

9

NSS

NOT SOLD SEPARAT

HOSE - 1/2 ID x 188-1/4 inch, cut from 134331C2, shown below, 12 and 16 row

1шт.

See item 22, page 9F-57 for the liquid fertilizer tube that connects to hoses.

1шт.

10

NSS

NOT SOLD SEPARAT

HOSE - 1/2 ID x 218-1/8 inch, cut from 134331C2, shown below, 12 and 16 row

1шт.

See item 22, page 9F-57 for the liquid fertilizer tube that connects to hoses.

1шт.

11

NSS

NOT SOLD SEPARAT

HOSE - 1/2 ID x 248-7/16 inch, cut from 134331C2, shown below, 16 row

1шт.

See item 22, page 9F-57 for the liquid fertilizer tube that connects to hoses.

1шт.

12

NSS

NOT SOLD SEPARAT

HOSE - 1/2 ID x 278 inch, cut from 134331C2, shown below, 16 row

1шт.

See item 22, page 9F-57 for the liquid fertilizer tube that connects to hoses.

1шт.

13

214-1313

HOSE CLAMP,#13, 13/16", Spring

CLAMP - hose, No. 13 Type E spring wire

12шт.

14

134271C1

ELBOW

- 90 degree, 3/4 PT x 1 inch barb

2шт.

15

214-1320

HOSE CLAMP,#20, 1 1/4", Spring

CLAMP - hose, No. 20 Type E spring wire

6шт.

16

REF

INSTRUCTION

HOSE - 1 ID x 8 inch, cut from 134329C2, shown below

2шт.

17

1261309C1

TEE

- barbed

1шт.

18

REF

INSTRUCTION

HOSE - 1 ID x 17-3/4 inch, cut from 134329C2, shown below

1шт.

19

1345067C1

SHUT-OFF VALVE,3/4" Single Union Poly Valve

VALVE - shutoff

1шт.

20

134270C1

FITTING

- straight

2шт.

21

214-1320

HOSE CLAMP,#20, 1 1/4", Spring

CLAMP - hose, No. 20 Type E spring wire

2шт.

22

REF

INSTRUCTION

HOSE - 1 ID x 45-5/16 inch, cut from 134329C2, shown below

1шт.

23

134271C1

ELBOW

- 90 degree, 3/4 PT x 1 inch barb

1шт.

24

214-1320

HOSE CLAMP,#20, 1 1/4", Spring

CLAMP - hose, No. 20 Type E spring wire

1шт.

134331C2

HOSE

- transparent, 1/2 ID x 100 foot

1шт.

134329C2

HOSE

- transparent, 1 ID x 50 foot

1шт.

Выбрано товаров: 34