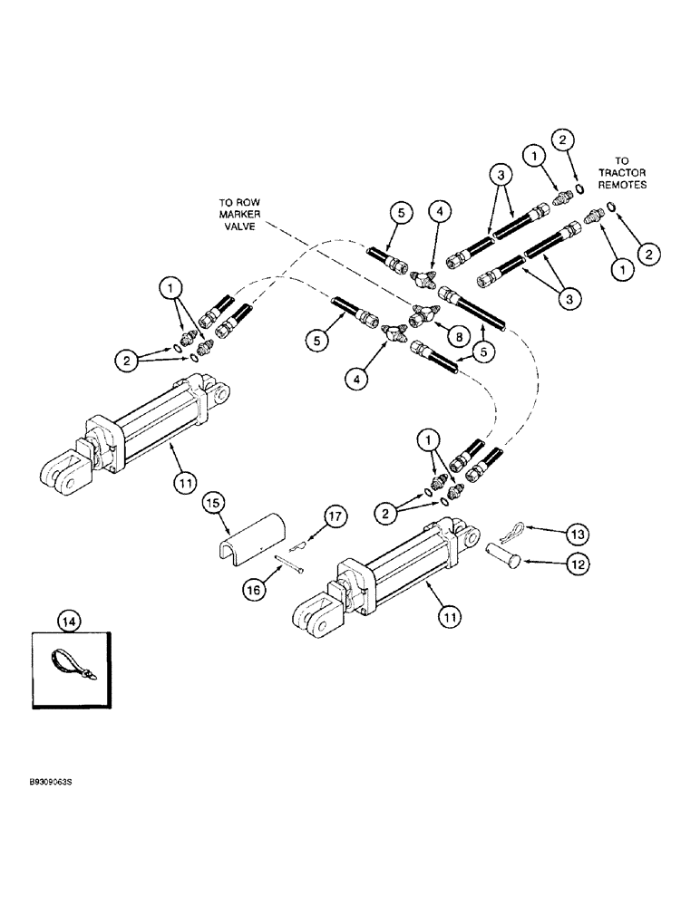
Запчасти Case IH 955 (8-24) - ASSIST WHEEL HYDRAULIC SYSTEM, 8 ROW NARROW AND 6 ROW (08) - HYDRAULICS

Схема запчастей Case IH 955 - (8-24) - ASSIST WHEEL HYDRAULIC SYSTEM, 8 ROW NARROW AND 6 ROW (08) - HYDRAULICS
2
13
5
2
11
15
16
12
3
1
14
2
2
3
4
4
17
11
1
5
8
5
1
1
FIT
1:1
100%

Артикул

Название

Примечание

Количество

1

218-5059

HYD CONNECTOR,3/4"-16, 37 Degree x 3/4"-16, O-Ring

ADAPTER - straight, 3/4-16 inch flare x O-ring boss

6шт.

2

237-6008

O-RING,0.087" Thk x 0.644" ID, -908, Cl 6, 90 Duro

8-1, 90 Duro, .644" ID x .087" Thk

1шт.

3

90877C1

HYDRAULIC HOSE

HOSE - 1524 mm (60 inch) long, assist wheel cylinder

2шт.

4

218-594

TEE,3/4"-16, 37 Degree

- 3/4-16 inch flare branch x flare x flare

2шт.

5

90876C1

HYDRAULIC HOSE,12.70 mm ID x 2540.00 mm, SAE 100R1

Assist Wheel Cylinder (6 and 8 Row Narrow) 12.70 mm ID x 2540.00 mm, SAE 100R1

4шт.

5

90879C1

HYDRAULIC HOSE,12.70 mm ID x 2030.00 mm, SAE 100R1

Assist Wheel Cylinder (6 Row Wide) 12.70 mm ID x 2030.00 mm, SAE 100R1

4шт.

8

218-845

TEE,37 Degree, 3/4"-16 x 3/4"-16, Fem Sw Run

- 3/4-16 inch flare branch x flare x swivel

1шт.

11

145353C91

HYDRAULIC CYLINDER

CYLINDER ASSEMBLY - 64 (2-1/2) ID x 203 mm (8 inch) stroke (See Page 8-37)

2шт.

12

61571C2

HEADED PIN,25.4mm OD x 82.5mm L

PIN - headed, 1 x 3-1/4 inch

4шт.

13

1978738C1

HAIR PIN COTTER

3/16"

4шт.

14

306132C1

CABLE TIE,14.5" L

STRAP - tie, 14 inch

2шт.

15

1268367C2

STOP

- cylinder assembly, if used

2шт.

16

439-5454

HEADED PIN,1/4" x 3 3/8"

PIN - headed, 1/4 x 3-3/8 inch, if used

2шт.

17

610784R1

SPLIT PIN/SAFETY PIN,2.4mm OD x 60.345mm OAL

PIN - locking, if used

2шт.

Выбрано товаров: 0