Запчасти Case IH 955 (8-52) - BLOWER HYDRAULIC PUMP - 1OOO RPM PTO, 12 ROW NARROW - VERTICAL FOLD 6/11 & 8/15 ROW SOLID ROW CROP (08) - HYDRAULICS

Схема запчастей Case IH 955 - (8-52) - BLOWER HYDRAULIC PUMP - 1OOO RPM PTO, 12 ROW NARROW - VERTICAL FOLD 6/11 & 8/15 ROW SOLID ROW CROP (08) - HYDRAULICS
16
25
19
11
1
15
4
20
13
8
2
3
18
5
9
26
17
14
FIT
1:1
100%

Артикул

Название

Примечание

Количество

1949282C1

REMAN-HYD PUMP

PUMP ASSEMBLY - hydraulic, remanufactured, North America only, component parts shown on this page do not apply to the remanufactured assembly

1шт.

1949283C1

CORE-HYDRAULIC PUMP

RETURN NUMBER - pump assembly, use this part number to return pump core for credit when using a remanufactured assembly

1шт.

142482C91

PUMP, HYDRAULIC

PUMP ASSEMBLY - hydraulic, new

1шт.

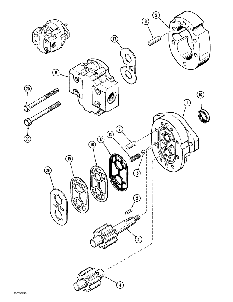
1

NSS

NOT SOLD SEPARAT

COVER - front

1шт.

2

177192C1

KEY

- shaft

1шт.

3

NSS

NOT SOLD SEPARAT

GEAR AND SHAFT - drive

1шт.

4

NSS

NOT SOLD SEPARAT

GEAR - idler

1шт.

5

NSS

NOT SOLD SEPARAT

BODY - pump

1шт.

8

NSS

NOT SOLD SEPARAT

PIN - dowel, 1/2 x 1-1/4 inch

2шт.

9

NSS

NOT SOLD SEPARAT

PIN - dowel, 1/2 x 1-1/2 inch

2шт.

11

NSS

NOT SOLD SEPARAT

COVER - back

1шт.

55295C91

SEAL KIT

KIT - pump, repair

1шт.

13

NSS

NOT SOLD SEPARAT

PLATE - thrust

1шт.

14

381230R1

SPRING

- check ball

1шт.

15

211-1013

BALL,10.31mm OD, Gr 24

- chrome alloy steel, 13/32 inch, grade 24

1шт.

16

NSS

NOT SOLD SEPARAT

SEAL - oil

1шт.

17

NSS

NOT SOLD SEPARAT

DIAPHRAGM - pump

1шт.

18

NSS

NOT SOLD SEPARAT

GASKET - protector

1шт.

19

NSS

NOT SOLD SEPARAT

GASKET - backup

1шт.

20

NSS

NOT SOLD SEPARAT

SEAL - diaphragm

1шт.

25

NSS

NOT SOLD SEPARAT

BOLT - hex, 7/16-14 x 5 inch

4шт.

25

NSS

NOT SOLD SEPARAT

BOLT - hex, 7/16-14 x 5 inch

2шт.

26

NSS

NOT SOLD SEPARAT

BOLT - hex, 1/2-13 x 5 inch

2шт.

Выбрано товаров: 0