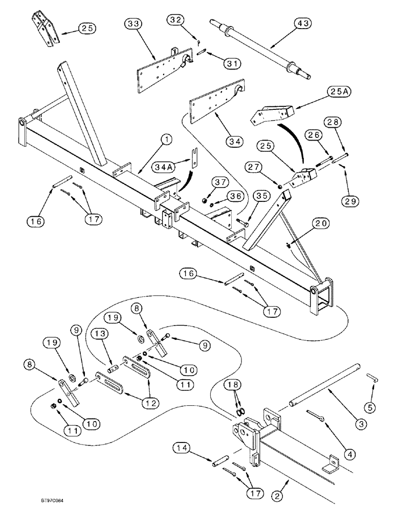
Запчасти Case IH 955 (9A-08) - MAIN FRAME AND WING FRAMES, 8 ROW WIDE - VERTICAL FOLD (09) - CHASSIS/ATTACHMENTS

Схема запчастей Case IH 955 - (9A-08) - MAIN FRAME AND WING FRAMES, 8 ROW WIDE - VERTICAL FOLD (09) - CHASSIS/ATTACHMENTS
12
16
29
4
34a
25
18
19
10
14
19
37
17
28
8
36
31
11
5
13
27
33
3
25a
19
2
35
43
26
9
8
9
17
32
20
16
34
11
1
10
25
FIT
1:1
100%

Артикул

Название

Примечание

Количество

1

1546993C2

FRAME ASSY

FRAME ASSEMBLY - main, includes decal

1шт.

1a

220321A1

WARNING DECAL

DECAL - Warning, read the operator\qs manual, not shown, see item 10, page 9F-11

1шт.

2

141510C2

ASSEMBLY

FRAME - wing

2шт.

3

100326C2

PIN

- 1-1/2 x 11-7/8 inch, wing frame

2шт.

4

32-3232

COTTER PIN,1/2" x 2"

PIN - cotter, 1/2 x 2 inch

2шт.

5

491601R3

PIN

- pivot lock

2шт.

8

113473C2

SUPPORT

LATCH - hinge

4шт.

9

326-444

BOLT,Hex, 1/4" - 20 x 2-3/4", Gr 8

- hex, 1/4 NC x 2-3/4 inch, grade 8

4шт.

10

492-11025

LOCK WASHER,1/4"

WASHER, LOCK, 1/4"

4шт.

11

425-104

NUT,1/4"-20, Cl 5

- hex, 1/4 inch NC

4шт.

12

113307C1

LINK

- attaching, cylinder

4шт.

13

100324C3

PIN

- 1 x 3-1/2 inch long, link

2шт.

14

100323C2

PIN

- 1 x 5-7/8 inch long, link

2шт.

16

125516C1

PIN

- 1 x 10-3/16 inch long, cylinder

2шт.

17

432-1624

COTTER PIN,1/4" x 1 1/2"

Pin, Split (Cotter), 1/4" x 1-1/2"

8шт.

18

100-16125

SNAP RING,#125, Ext

Ring, Snap, #125, Ext

4шт.

19

495-81205

WASHER,32.54mm ID x 50.8mm OD x 1.7mm Thk

- flat, 1-9/32 x 2 x 3/64 inch

4шт.

20

219-6

LUBE NIPPLE,1/4" - 28 NPTF

FITTING - grease, straight, 1/4-28 taper x 9/16 inch

2шт.

25

145142C1

STOP

- wing

2шт.

25a

145139C1

STOP

- wing, used with granular chemical attachment

2шт.

26

413-1072

BOLT,Hex, 5/8" - 11 x 4-1/2", Gr 5

4шт.

27

231-51410

FLANGE NUT,Flg, USR, 5/8"-11

4шт.

28

149571C2

PIN

- headed, 5/8 inch diameter

2шт.

29

1978738C1

HAIR PIN COTTER

3/16"

2шт.

31

113225C1

PIN

- retaining, hitch plate

2шт.

32

A33497

LINCH PIN,4.76mm OD Pin

PIN - lock

2шт.

33

1264336C1

PLATE

- hitch, left-hand

1шт.

34

1264337C1

PLATE

- hitch, right-hand

1шт.

34a

184648A1

SHIM

- hitch plate, 1/16 inch thick

1шт.

35

326-1240

BOLT,Hex, 3/4" - 10 x 2-1/2", Gr 8

8шт.

36

492-11075

LOCK WASHER,3/4"

3/4"

8шт.

37

329-1012

NUT,3/4"-10, G8

8шт.

43

137084C1

SPINDLE

- hitch, Category II (See Page 9A-13)

1шт.

43

137083C1

SPINDLE

- hitch, Category III (Shown)(See Page 9A-13)

1шт.

Выбрано товаров: 34