Запчасти Case IH 955 (9A-18) - DRIVE/CARRYING WHEELS (09) - CHASSIS/ATTACHMENTS

Схема запчастей Case IH 955 - (9A-18) - DRIVE/CARRYING WHEELS (09) - CHASSIS/ATTACHMENTS
9
10
24
28
22
4
5
7
19
8
6
14
27
17
2
25
15
16
3
1
26
11
18
23
FIT
1:1
100%

Артикул

Название

Примечание

Количество

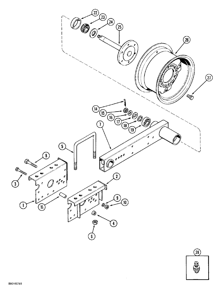
1

134125C4

SUPPORT

- drive wheel mount, left-hand, without gusset

1шт.

1

1277788C3

SUPPORT ASSY.

SUPPORT - drive wheel mount, left-hand, with gusset (Shown) (12 row narrow only)

2шт.

2

134126C4

SUPPORT

- drive wheel mount, right-hand, without gusset

1шт.

2

1277789C3

SUPPORT

- drive wheel mount, right-hand, with gusset (Shown) (12 row narrow only

2шт.

3

413-852

BOLT,Hex, 1/2" - 13 x 3-1/4", Gr 5

- hex, 1/2 NC x 3-1/4 inch

1шт.

4

231-5148

FLANGE NUT,Flg, USR, 1/2"-13

1шт.

5

1279517C1

U-BOLT,3/4" - 10 x 6.95" W x 8.19" L

- 3/4 inch NC

1шт.

6

425-1012

NUT,3/4"-10, G5

- hex, 3/4 inch NC

1шт.

7

1264320C3

TUBE,541 mm Length

ARM - drive wheel

1шт.

8

413-1056

BOLT,Hex, 5/8" - 11 x 3-1/2", Gr 5

1шт.

9

492-11062

BEARING WASHER,5/8"

WASHER, LOCK, 5/8"

1шт.

10

425-1010

NUT,5/8"-11, G5

1шт.

11

23885K

SPACER,3/4" Tube x 2 1/16"

- 3/4 x 2-1/16 inch, drive wheel support

1шт.

14

432-1224

COTTER PIN,3/16" x 1-1/2"

3/16" x 1 1/2"

1шт.

15

425-1212

SLOTTED NUT,3/4"-10, G5

NUT - hex, slotted, 3/4 inch NC

1шт.

16

495-81041

WASHER,25/32" x 1 1/2" x .060"

- flat, 25/32 x 1-1/2 x 1/16 inch

1шт.

17

141271C1

WASHER

- slotted, special, used in place of sprocket (Vertical fold planters)

1шт.

18

134120C4

SPACER

- drive wheel

1шт.

19

602957R91

BEARING ASSY,31.75mm ID x 59.13mm OD x 16mm W

- tapered roller, includes cup and cone

1шт.

22

50213V

BEARING CUP

CUP - tapered roller bearing, 2-3/4 inch OD

1шт.

23

1264322C91

ROLLER BEARING

CONE - tapered roller bearing

1шт.

24

137231C1

SEAL

- drive wheel shaft

1шт.

25

134117C4

SHAFT

- drive wheel

1шт.

26

481344R91

WHEEL

- 14 (356) x 8 inch (203 mm)

1шт.

27

549962R1

BOLT,1 1/2" - 20 x 1 1/2", Class 3

- hex conical, 1/2 NF x 1-5/32 inch

1шт.

28

810768C1

VALVE

- inflation, steel

1шт.

Выбрано товаров: 26