Запчасти Case IH 955 (9C-05B) - MODULE FRAME, PLATFORM, STEP & SUPPORT STAND, 12 ROW W/22" ROW SPACING, SUGAR BEET, 1997 & AFTER (09) - CHASSIS/ATTACHMENTS

Схема запчастей Case IH 955 - (9C-05B) - MODULE FRAME, PLATFORM, STEP & SUPPORT STAND, 12 ROW W/22" ROW SPACING, SUGAR BEET, 1997 & AFTER (09) - CHASSIS/ATTACHMENTS
18
10
12
5
3
20
24
1
8
19
4
16
21
13
11
7
5
21
25
17
23
9
2
15
22
18
6
FIT
1:1
100%

Артикул

Название

Примечание

Количество

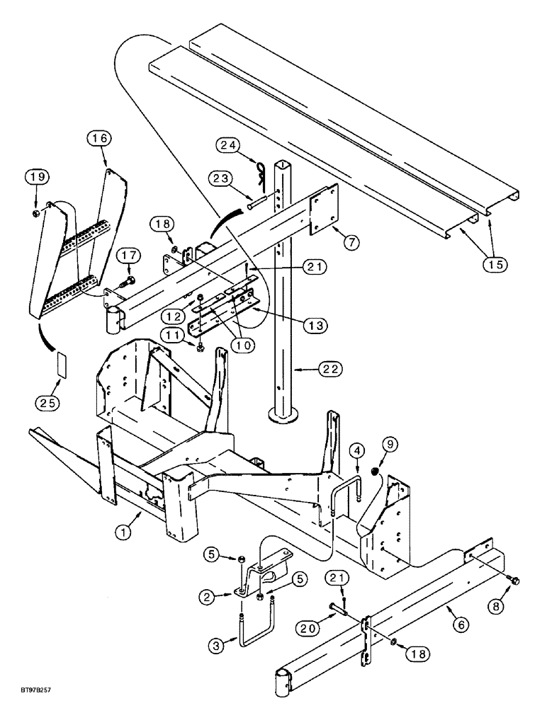
1

183393A1

FRAME

- module (See page 9C-3, items 1 through 19, for module panels and mounting parts)

1шт.

2

228423A1

BRACKET

- mounting, module to main frame

3шт.

3

1250813C1

U-BOLT

- 5/8 inch NC, 7 x 7 inch, bracket to main frame

3шт.

4

842977C1

BOLT

U-BOLT - 5/8 inch NC 3 x 5 inch, bracket to module frame

3шт.

5

425-1010

NUT,5/8"-11, G5

12шт.

6

228107A1

TUBE

BRACKET - mounting, platform, right-hand

1шт.

Subs to 297472A1

1шт.

7

228105A1

TUBE

BRACKET - mounting, platform, left-hand

1шт.

Subs to 297471A1

1шт.

8

409-7824

BOLT,Hex Flg, 1/2" - 13 x 1 1/2", Spcl

- hex serrated flange, 1/2 NC x 1-1/2 inch

8шт.

9

231-5148

FLANGE NUT,Flg, USR, 1/2"-13

8шт.

10

232541A1

WASHER

PLATE - mounting, platform

4шт.

11

458-616

BOLT,Hex Flg, 3/8" - 16 x 1", Gr 5

- hex flange, 3/8 NC x 1 inch

8шт.

12

231-5146

FLANGE NUT,3/8"-16

8шт.

13

251560A1

ANGLE

- platform, left-hand

1шт.

14

251559A1

ANGLE

- platform, right-hand, not shown

1шт.

15

230666A1

SHEET

PLATFORM - module frame

2шт.

16

232433A1

STEP

- module platform

1шт.

17

413-824

BOLT,Hex, 1/2" - 13 x 1-1/2", Gr 5

2шт.

18

495-11053

WASHER,1/2", SAE

(17/32" x 1-1/16" x 3/32") 1/2", SAE

2шт.

19

231-4148

NUT,1/2"-13, GB

NUT - hex, self-locking, 1/2 inch NC

2шт.

20

439-1820

HEADED PIN,1/2" x 1 1/8"

PIN - headed, 1/2 x 1-1/4 inch, grade 2

1шт.

21

432-1216

COTTER PIN,3/16" x 1"

2шт.

22

229343A1

TUBE

STAND - parking support

1шт.

23

439-1856

HEADED PIN,1/2" x 3 1/2"

PIN - headed, 1/2 x 3-1/2 inch, grade 2

1шт.

24

1970957C1

SPRING

PIN - cotter, hair, 3/16 inch

1шт.

25

1284374C1

REFLECTOR,Reflector Red

- red

1шт.

Выбрано товаров: 27