Запчасти Case IH 955 (9C-05E) - MODULE FRAME AND STEP, 8 ROW WITH 22 INCH ROW SPACING, SUGAR BEET (09) - CHASSIS/ATTACHMENTS

Схема запчастей Case IH 955 - (9C-05E) - MODULE FRAME AND STEP, 8 ROW WITH 22 INCH ROW SPACING, SUGAR BEET (09) - CHASSIS/ATTACHMENTS
12
6
15
12
16
4
13
10
11
15
13
18
14
15
9
17
7
14
9
1
13
13
2
14
10
4
5
11
14
8
3
FIT
1:1
100%

Артикул

Название

Примечание

Количество

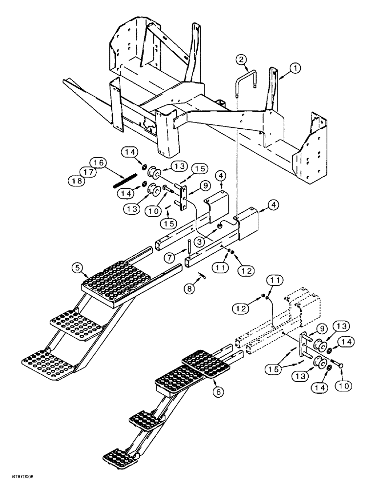
1

183393A1

FRAME

- module, step and idler bracket mounting

1шт.

2

842977C1

BOLT

U-BOLT - 5/8 inch NC 3 x 5 inch

2шт.

3

425-1010

NUT,5/8"-11, G5

4шт.

4

230997A1

BRACKET

- mounting, step and idler

2шт.

5

141792A1

STEP

- access, hopper, wide

1шт.

6

188757A2

STEP

- access, hopper, narrow, used when planter is equipped with granular chemical attachment

1шт.

7

439-1652

HEADED PIN,9.53mm OD x 82.55mm L

PIN - headed, 3/8 x 3-1/4 inch, grade 2

2шт.

8

136-159

HAIR PIN COTTER,Int, 3/16 x .080"

PIN, SPLIT (COTTER), Int, 3/16 x .080"

2шт.

9

96032C1

BAR ASSY.

BAR - chain idler

1шт.

10

433-840

CARRIAGE BOLT,Sq Nk, 1/2" - 13 x 2 1/2", Gr 5

BOLT - carriage, 1/2 NC x 2-1/2 inch

1шт.

11

80679

LOCK WASHER,1/20.507 CST ZND

WASHER, LOCK, 1/2"

1шт.

12

425-108

NUT,1/2" - 13, Gr 5

NUT, , Hex 1/2"-13, G5

1шт.

13

1277726C1

ROLLER,48mm OD x 34mm L

- idler

2шт.

14

495-81178

WASHER,21/32" x 1 1/8" x .048"

- flat, 21/32 x 1-1/8 x 3/64 inch

2шт.

15

432-1216

COTTER PIN,3/16" x 1"

2шт.

16

179610A1

CHAIN (AG)

CHAIN - drive, use 175 links from 1790D bulk chain, (1) 241-1314 connecting link and (4) 241-1714 offset links, see below

1шт.

17

241-1314

CHAIN LINK

LINK - connecting, single pitch, No. 40, 1/2 inch pitch, not shown

1шт.

18

241-1714

CHAIN LINK

LINK - offset, single pitch, No. 40, 1/2 inch pitch, not shown

4шт.

1790D

CHAIN (AG)

CHAIN - bulk, 10 foot roll

1шт.

Выбрано товаров: 19