Запчасти Case IH 955 (9C-22) - SEED DRUM GEARBOX (09) - CHASSIS/ATTACHMENTS

Схема запчастей Case IH 955 - (9C-22) - SEED DRUM GEARBOX (09) - CHASSIS/ATTACHMENTS
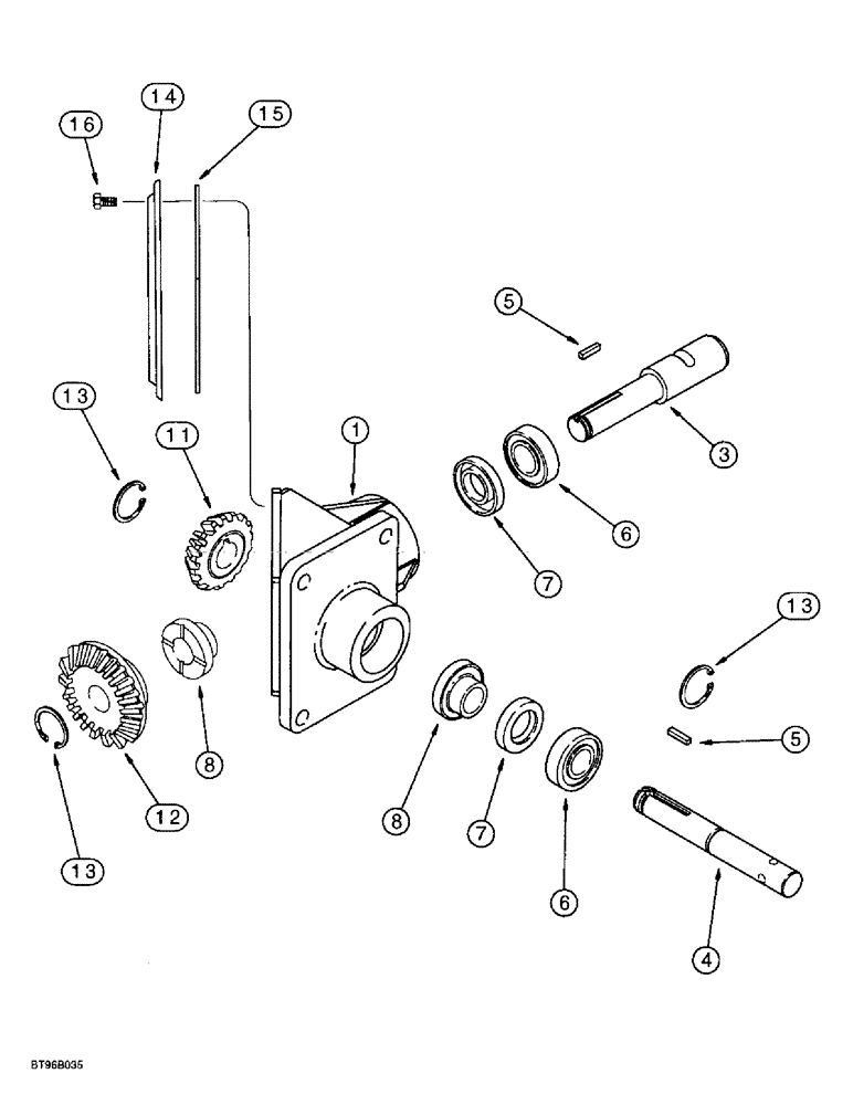
13
5
6
12
4
13
14
1
13
5
8
8
3
6
16
7
7
15
11
FIT
1:1
100%

Артикул

Название

Примечание

Количество

1250704C91

HOUSING

GEARBOX ASSEMBLY - seed drum drive

1шт.

1

493541R1

HOUSING

- gearbox

1шт.

3

1254157C1

SHAFT

- output

1шт.

4

1254156C1

STEM

SHAFT - input

1шт.

5

475642R1

KEY,3/16" Sq x 11/16", Par

- 3/16 square x 11/16 inch long

2шт.

6

475627R91

BALL BEARING,19.05mm ID x 41.27mm OD x 12.7mm W

BEARING - ball

2шт.

7

485306R1

OIL SEAL

- oil

2шт.

8

1254158C1

BUSHING

- gearbox

2шт.

11

485305R1

PINION

GEAR - bevel, 20 teeth

1шт.

12

485304R1

GEAR WHEEL

GEAR - bevel, 30 teeth

1шт.

13

100-1175

SNAP RING,#75, Ext

Ring, Snap, #75, Ext

3шт.

14

493542R1

COVER

- gearbox housing

1шт.

15

493543R1

GASKET

- housing cover

1шт.

16

275-5478

SELF-TAP SCREW,Hex Hd, 1/4" x 1/2"

SCREW - hex, self-tapping, 1/4-14 x 1/2 inch

4шт.

Выбрано товаров: 14