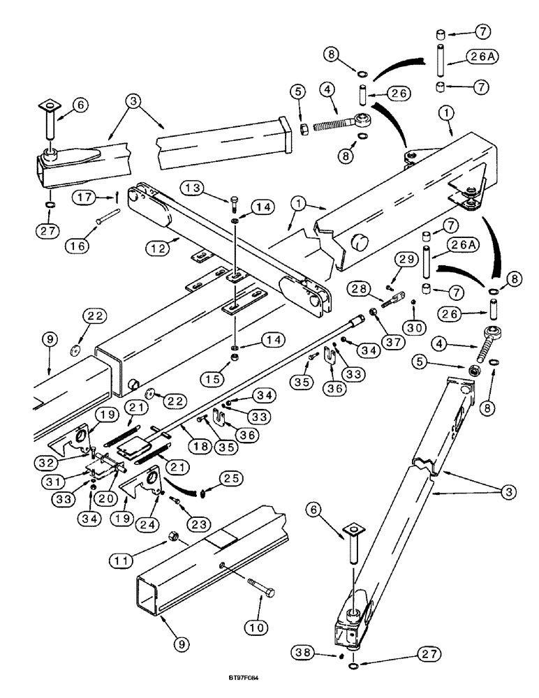
Запчасти Case IH 955 (9A-033[B]) - TELESCOPING TONGUE, BUILT SEPT 97 & AFTER, 16 ROW NARROW - FRONT FOLD (PIN DBC0001071 - DBC0001365) (09) - CHASSIS/ATTACHMENTS

Схема запчастей Case IH 955 - (9A-033[B]) - TELESCOPING TONGUE, BUILT SEPT 97 & AFTER, 16 ROW NARROW - FRONT FOLD (PIN DBC0001071 - DBC0001365) (09) - CHASSIS/ATTACHMENTS
26
34
16
27
35
22
26
33
36
6
26a
26a
25
35
7
29
10
27
19
14
7
7
31
33
3
11
18
8
28
4
22
8
21
1
34
3
5
8
38
8
19
34
9
9
7
23
21
14
1
5
4
24
36
13
6
17
32
20
30
37
12
33
15
FIT
1:1
100%

Артикул

Название

Примечание

Количество

1

136028A2

TUBE,120.12, 53.5" Length

- tongue (16 row narrow)

1шт.

3

116058A2

FRAME

BRACE - wing (16 row narrow)

2шт.

4

116043A1

CLEVIS,1-3/8" - 6

LINK - ball end

2шт.

5

25-1022

NUT,1 3/8"-6, G5

- hex, 1-3/8 inch NC

2шт.

6

116052A2

PIN ASSY.

PIN - 1-1/2 x 9 inch, wing brace

2шт.

7

119374A1

SPACER

BUSHING - front brace pin (16 row narrow)

4шт.

8

100-16125

SNAP RING,#125, Ext

Ring, Snap, #125, Ext

4шт.

9

116067A3

TUBE

TONGUE - inner (16 row narrow)

1шт.

10

413-8128

BOLT,Hex, 1/2" - 13 x 8", Gr 5

- hex, 1/2 NC x 8 inch (16 row narrow)

2шт.

11

230-4118

LOCK NUT,1/2"-13, GA

NUT - hex, self-locking, 1/2 inch NC (16 row narrow)

2шт.

12

116059A1

CONNECTION,ELECTRIC

RECEPTACLE - tongue and wing (16 row narrow)

1шт.

13

413-1236

BOLT,Hex, 3/4" - 10 x 2-1/4", Gr 5

- hex, 3/4 NC x 2-1/4 inch

4шт.

14

495-21081

WASHER,3/4"

- flat, 13/16 x 2 x 9/64 inch

8шт.

15

230-41112

LOCK NUT,3/4"-10, GA

NUT - hex, self-locking, 3/4 inch NC

4шт.

16

439-5892

HEADED PIN,1/2" x 5 3/4", G5

PIN - headed, 1/2 x 5-3/4 inch

2шт.

17

1980543C1

HAIR PIN COTTER

PIN - cotter, hair, 5/32 inch diameter

2шт.

18

136029A1

ROD

- latch (16 row narrow)

1шт.

19

231458A1

LATCH

- tongue

2шт.

20

135901A1

ROD

- tie

1шт.

21

650949C1

VALVE SPRING

SPRING - latch

2шт.

22

231457A1

WASHER

- special, latch and wheel pivot pin

2шт.

23

413-824

BOLT,Hex, 1/2" - 13 x 1-1/2", Gr 5

4шт.

24

80679

LOCK WASHER,1/20.507 CST ZND

WASHER, LOCK, 1/2"

4шт.

25

219-87

LUBE NIPPLE,1/4" - 28 NPTF

NIPPLE, LUBE, 1/4"-28 x .56" lg, Self-Tap

2шт.

26

116044A1

PIN

- 1-1/4 x 8 inch, at link (16 row narrow)

2шт.

27

100-16150

SNAP RING,#150, Ext

Ring, Snap, #150, Ext

2шт.

28

135899A1

EYEBOLT

TURNBUCKLE - latch rod

1шт.

29

413-1032

BOLT,Hex, 5/8" - 11 x 2", Gr 5

- hex, 5/8 NC x 2 inch

1шт.

30

231-41410

NUT,5/8"-11, GB

NUT - hex, self-locking, 5/8 inch NC

1шт.

31

135912A1

SPACER

SLEEVE - rod, clevis end

1шт.

32

413-640

BOLT,Hex, 3/8" - 16 x 2-1/2", Gr 5

- hex, 3/8 NC x 2-1/2 inch

1шт.

33

492-11038

LOCK WASHER,3/8"

WASHER, LOCK, 3/8"

5шт.

34

425-106

NUT,3/8"-16, Cl 5

5шт.

35

413-624

BOLT,Hex, 3/8" - 16 x 1-1/2", Gr 5

- hex, 3/8 NC x 1-1/2 inch

4шт.

36

135903A1

BRACKET

- guide, rod

2шт.

37

425-1012

NUT,3/4"-10, G5

- hex, 3/4 inch NC

1шт.

38

219-87

LUBE NIPPLE,1/4" - 28 NPTF

NIPPLE, LUBE, 1/4"-28 x .56" lg, Self-Tap

2шт.

Выбрано товаров: 37