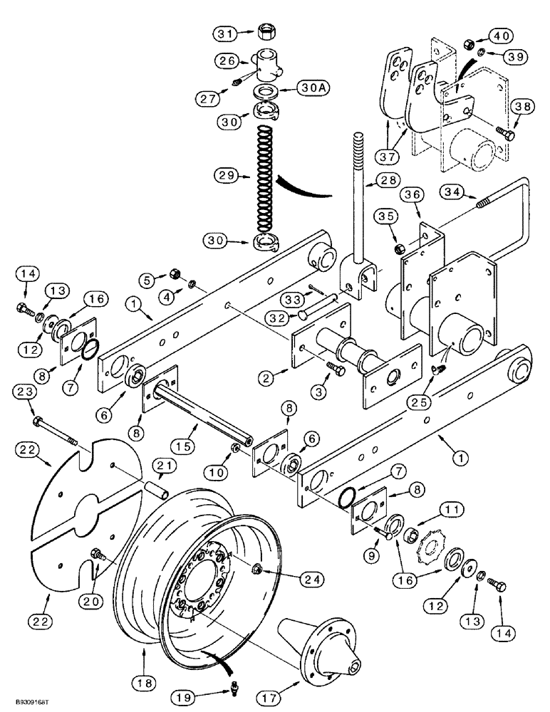
Запчасти Case IH 955 (9A-076) - DRIVE WHEELS, 12, 16 AND 24 ROW NARROW - FRONT FOLD, 12 ROW WIDE - FRONT FOLD (09) - CHASSIS/ATTACHMENTS

Схема запчастей Case IH 955 - (9A-076) - DRIVE WHEELS, 12, 16 AND 24 ROW NARROW - FRONT FOLD, 12 ROW WIDE - FRONT FOLD (09) - CHASSIS/ATTACHMENTS
19
7
16
27
8
40
28
29
30
8
36
3
21
23
13
37
17
12
2
1
20
15
12
31
25
32
6
24
22
30
16
39
18
6
5
7
4
35
22
11
8
30a
1
10
14
14
13
33
8
34
9
26
38
FIT
1:1
100%

Артикул

Название

Примечание

Количество

1

91247C2

RAIL

- wheel, straight, outer

2шт.

2

115087A1

BRACKET

TIE - wheel rail

1шт.

3

413-1036

BOLT,Hex, 5/8" - 11 x 2-1/4", Gr 5

- hex, 5/8 NC x 2-1/4 inch

4шт.

4

492-11062

BEARING WASHER,5/8"

WASHER, LOCK, 5/8"

4шт.

5

425-1010

NUT,5/8"-11, G5

4шт.

6

128280A1

BALL BEARING,25.43mm Hex x 62.12mm OD x 24mm W

BEARING - ball, axle bar

2шт.

7

1279743C1

WASHER

WASHER - bearing spacer

2шт.

8

1250724C1

BAR

BRACKET - bearing

4шт.

9

433-628

CARRIAGE BOLT,Sq Nk, 3/8" - 16 x 1 3/4", Gr 5

BOLT - carriage, 3/8 NC x 1-3/4 inch

4шт.

10

231-5146

FLANGE NUT,3/8"-16

4шт.

11

90376C2

SPACER

- sprocket

1шт.

12

495-81027

WASHER,21/32" x 1 1/2" x .120"

- flat, 21/32 x 1-1/2 x 7/64 inch

2шт.

13

492-11062

BEARING WASHER,5/8"

WASHER, LOCK, 5/8"

2шт.

14

1345045C1

BOLT,Spcl, Hex, 5/8" - 11 x 1 1/2"

BOLT - special

2шт.

15

90341C3

AXLE

BAR - axle wheel, 333 mm (13-1/8 inch) long

1шт.

16

495-81189

WASHER,1.16" ID x 1.75" OD x 0.03" Thk

- flat, 1-5/32 x 1-3/4 x 1/32 inch

1шт.

17

90343C1

HUB

- wheel

1шт.

18

T53527

WHEEL

- 381 (15) x 127 mm (5 inch) (For 7.60 x 15 tire)

1шт.

19

810769C1

VALVE

- inflation

1шт.

20

549962R1

BOLT,1 1/2" - 20 x 1 1/2", Class 3

- hex conical, 1/2 NF x 1-5/32 inch

6шт.

21

1264481C1

SPACER,1/2" Pipe x 2.441"

- 62 mm (2-7/16 inch) long, cover, 15 inch wheel

8шт.

22

1264480C1

COVER

- 15 inch wheel

4шт.

23

413-896

BOLT,Hex, 1/2" - 13 x 6", Gr 5

- hex, 1/2 NC x 6 inch

4шт.

24

231-5148

FLANGE NUT,Flg, USR, 1/2"-13

4шт.

25

219-90

LUBE NIPPLE,45 Degree Elbow, 1/4" -28 NPTF

FITTING - grease, 45 degree, 1/4-28 special taper x 13/16 inch

3шт.

26

2700064-02

TRUNNION

- pivot

1шт.

27

219-87

LUBE NIPPLE,1/4" - 28 NPTF

NIPPLE, LUBE, 1/4"-28 x .56" lg, Self-Tap

1шт.

28

133033A1

ARM ASSY.

ARM - spring

1шт.

29

609133R1

VALVE SPRING

SPRING - cushion, drive wheel

1шт.

30

135952A1

SEAT

- trip spring

2шт.

30a

396-31131

WASHER,1 3/8" x 2 1/2" x 1/4", HDN

- flat, 1-3/8 x 2-1/2 x 1/4 inch, hardened

1шт.

31

232-41320

LOCK NUT,1 1/4"-7, GC

NUT, LOCK, 1 1/4"-7, GC

1шт.

32

439-51248

HEADED PIN,3/4" x 3", G5

PIN - headed, 3/4 x 3 inch

1шт.

33

432-1624

COTTER PIN,1/4" x 1 1/2"

Pin, Split (Cotter), 1/4" x 1-1/2"

1шт.

34

1250813C1

U-BOLT

- 5/8 inch NC, 7 x 7 inch

2шт.

35

425-1010

NUT,5/8"-11, G5

4шт.

36

133032A1

MOUNTING PARTS

BRACKET - rail pivot

1шт.

37

133028A1

SUPPORT

- trunnion, adjustable

2шт.

38

413-1032

BOLT,Hex, 5/8" - 11 x 2", Gr 5

- hex, 5/8 NC x 2 inch

4шт.

39

492-11062

BEARING WASHER,5/8"

WASHER, LOCK, 5/8"

4шт.

40

425-1010

NUT,5/8"-11, G5

4шт.

Выбрано товаров: 41