Запчасти Case IH 955 (9A-078) - DRIVE AND CARRYING WHEELS, W/22 INCH LONG AXLE, 12/23 SOLID ROW CROP - FRONT FOLD (09) - CHASSIS/ATTACHMENTS

Схема запчастей Case IH 955 - (9A-078) - DRIVE AND CARRYING WHEELS, W/22 INCH LONG AXLE, 12/23 SOLID ROW CROP - FRONT FOLD (09) - CHASSIS/ATTACHMENTS
22
2a
23
10
12
13
6
7
39
8
11
25
16
31
2
28
20
17
24
15
21
18
17
29
1
27
34
21
20
38
5
7c
16
30
3
35
19
14
32
36
18
6
26
7a
7b
9
33
4
FIT
1:1
100%

Артикул

Название

Примечание

Количество

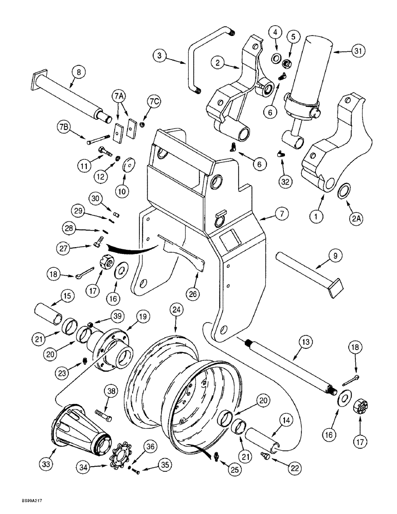
1

275685A1

BRACKET

- mounting, wheel and cylinder, right-hand

1шт.

2

275684A1

BRACKET

- mounting, wheel and cylinder, left-hand

1шт.

2a

324297A1

WASHER

- special

2шт.

3

116039A1

WHEEL BOLT

BOLT - special, wheel bracket

2шт.

4

496-11094

WASHER,0.94" ID x 1.75" OD x 0.13" Thk

- flat, 15/16 x 1-3/4 x 1/8 inch, hardened

4шт.

5

425-1014

NUT,7/8"-9, G5

NUT, 7/8"-9, G5

4шт.

6

219-93

LUBE NIPPLE,90 Degree Elbow, 1/4" - 28 NPTF

Special taper 90º, 1/4"-28 NPT x .75" lg, Drive

4шт.

7

323940A1

FRAME

MOUNT - drive and carrying wheel

1шт.

7a

NSS

NOT SOLD SEPARAT

PLATE - stop

2шт.

7b

413-672

BOLT,Hex, 3/8" - 16 x 4-1/2", Gr 5

- hex, 3/8 NC x 4-1/2 inch

1шт.

7c

231-5346

FLANGE NUT,Flg, 3/8"-16

NUT - hex flange, self-locking, 3/8 inch NC

1шт.

8

322284A1

PIN

- wheel mount

1шт.

9

116041A1

PIN

- wheel cylinder mounting

1шт.

10

231457A1

WASHER

- special, latch and wheel pivot pin retaining

1шт.

11

413-820

BOLT,Hex, 1/2" - 13 x 1-1/4", Gr 5

1шт.

12

80679

LOCK WASHER,1/20.507 CST ZND

WASHER, LOCK, 1/2"

1шт.

13

198906A2

AXLE

- wheel, 22 inch long

1шт.

14

198907A1

SPACER

- 6-1/2 inch long, wheel axle

1шт.

15

230314A1

SPACER

- 5 inch long, wheel axle

1шт.

16

495-21106

WASHER,1"

- flat, 1-1/16 x 2-1/2 x 5/32 inch

2шт.

17

425-1316

NUT,1"-14, G5

NUT - hex, slotted, 1 inch NS

2шт.

18

432-1224

COTTER PIN,3/16" x 1-1/2"

3/16" x 1 1/2"

2шт.

118859A1

HUB ASSY.

HUB ASSEMBLY - wheel

1шт.

19

NSS

NOT SOLD SEPARAT

HUB - wheel

1шт.

20

453012R1

BEARING CUP

CUP - tapered roller bearing

2шт.

21

8050528

ROLLER BEARING

CONE - tapered roller bearing

2шт.

22

403538R2

WHEEL BOLT,Hex, 9/16" - 18 x 1.21"

BOLT - guide wheel

6шт.

23

219-93

LUBE NIPPLE,90 Degree Elbow, 1/4" - 28 NPTF

Special taper 90º, 1/4"-28 NPT x .75" lg, Drive

1шт.

24

1277504C1

RIM

WHEEL - 15 (381) x 10 inch (254 mm) (purchase tire locally)

1шт.

25

810769C1

VALVE

- inflation, steel

1шт.

26

246631A2

SCRAPER

- tire

1шт.

27

413-620

BOLT,Hex, 3/8" - 16 x 1-1/4", Gr 5

- hex, 3/8 NC x 1-1/4 inch

2шт.

28

495-21044

WASHER,3/8"

(flat, 7/16 x 1 x 5/64 inch) 3/8"

2шт.

29

492-11038

LOCK WASHER,3/8"

WASHER, LOCK, 3/8"

2шт.

30

425-106

NUT,3/8"-16, Cl 5

2шт.

35

413-420

BOLT,Hex, 1/4" - 20 x 1-1/4", Gr 5

6шт.

31

REF

INSTRUCTION

CYLINDER ASSEMBLY - carrying wheel, see pages 8-109 - 8-113 for cylinder assembly with correct ID (See Note Below)

1шт.

32

219-93

LUBE NIPPLE,90 Degree Elbow, 1/4" - 28 NPTF

Special taper 90º, 1/4"-28 NPT x .75" lg, Drive

1шт.

33

299385A1

SPIDER ASSY.

DRIVE - sprocket

1шт.

34

231530A2

SPROCKET ASSY.

SPROCKET - drive, 10 teeth

1шт.

36

492-11025

LOCK WASHER,1/4"

WASHER, LOCK, 1/4"

6шт.

38

313456A1

BOLT,Hex, 9/16" - 18 x 2 1/2", Grade 8

- special, 9/16 NF x 2-1/2 inch, grade 8, full thread

6шт.

39

G49041

WHEEL NUT

- wheel, special, 9/16 inch NF

6шт.

Выбрано товаров: 43