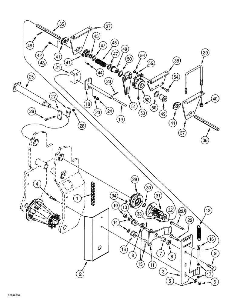
Запчасти Case IH 955 (9A-080) - DRIVE WHEEL MECHANICAL CLUTCH PARTS, 12/23 SOLID ROW CROP - FRONT FOLD (09) - CHASSIS/ATTACHMENTS

Схема запчастей Case IH 955 - (9A-080) - DRIVE WHEEL MECHANICAL CLUTCH PARTS, 12/23 SOLID ROW CROP - FRONT FOLD (09) - CHASSIS/ATTACHMENTS
1
18
7
43
50
31
34
23
41
37
42
13
49
38
27
50
21
11
32
48
5
20
53
17
41
15
3
52
4
9
49
6
12
47
25
47
19
8
33
45
54
29
30
10
36
55
16
8
44
14
37
2
22a
39
22
28
41
26
46
56
40
24
51
13
35
FIT
1:1
100%

Артикул

Название

Примечание

Количество

1

238831A1

CHAIN (AG)

CHAIN - wheel clutch drive, use 53 links of 569089R91 bulk chain, (1) 1277928C91 connecting link and (1) 242-1710 offset link, see below

1шт.

2

247269A2

SHIELD

GUARD - clutch drive chain

1шт.

3

238674A2

ROD ASSY.

BRACKET - mounting, clutch throwout rod

1шт.

4

413-836

BOLT,Hex, 1/2" - 13 x 2-1/4", Gr 5

- hex, 1/2 NC x 2-1/4 inch

2шт.

5

496-41053

WASHER,13.49mm ID x 31.75mm OD x 5.05mm Thk

- flat, 17/32 x 1-1/4 x 3/16 inch, hardened

2шт.

6

231-4148

NUT,1/2"-13, GB

NUT - hex, self-locking, 1/2 inch NC

2шт.

7

244077A1

SPACER

- mounting, idler to clutch mounting bracket

1шт.

8

496-41081

WASHER,13/16" x 1 3/4" x .219", HDN

- flat, 13/16 x 1-3/4 x 7/32 inch, hardened

1шт.

9

433-1248

CARRIAGE BOLT,Sq Nk, 3/4" - 10 x 3", Gr 5

BOLT - carriage, 3/4 NC x 3 inch

1шт.

10

232-41112

NUT,3/4"-10, GC

NUT, LOCK, 3/4"-10, GC

1шт.

11

246290A2

FRONT IDLER

IDLER - chain, double roller

1шт.

12

314938A1

SPRING

- idler

1шт.

13

1277726C1

ROLLER,48mm OD x 34mm L

- idler

2шт.

14

495-81178

WASHER,21/32" x 1 1/8" x .048"

- flat, 21/32 x 1-1/8 x 3/64 inch

2шт.

15

432-1216

COTTER PIN,3/16" x 1"

2шт.

16

314768A1

EYEBOLT

- idler adjustment

1шт.

17

231-5146

FLANGE NUT,3/8"-16

2шт.

18

299372A1

PLATE

BRACKET - throwout rod

1шт.

19

238809A2

PIN

- clutch throwout

1шт.

20

432-1224

COTTER PIN,3/16" x 1-1/2"

3/16" x 1 1/2"

1шт.

21

314225A1

SPACER

- throwout rod bracket, units with liquid fertilizer attachment

1шт.

22

433-824

CARRIAGE BOLT,Sq Nk, 1/2" - 13 x 1 1/2", Gr 5

BOLT - carriage, 1/2 NC x 1-1/2 inch

2шт.

22a

433-856

CARRIAGE BOLT,Sq Nk, 1/2" - 13 x 3 1/2", Gr 5

BOLT - carriage, 1/2 NC x 3-1/2 inch, units with liquid fertilizer attachment

2шт.

23

80679

LOCK WASHER,1/20.507 CST ZND

WASHER, LOCK, 1/2"

2шт.

24

425-108

NUT,1/2" - 13, Gr 5

NUT, , Hex 1/2"-13, G5

2шт.

25

322284A1

PIN

- wheel mount

1шт.

26

413-672

BOLT,Hex, 3/8" - 16 x 4-1/2", Gr 5

- hex, 3/8 NC x 4-1/2 inch

2шт.

27

NSS

NOT SOLD SEPARAT

PLATE - stop

2шт.

28

231-5346

FLANGE NUT,Flg, 3/8"-16

NUT - hex flange, self-locking, 3/8 inch NC

1шт.

29

311624A1

HOUSING ASSY.

SPROCKET - drive, clutch input

1шт.

30

100-16118

SNAP RING,#118, Ext

Ring, Snap, #118, Ext

1шт.

31

307673A1

UNIVERSAL JOINT

DRIVE - clutch, universal joint

1шт.

32

413-620

BOLT,Hex, 3/8" - 16 x 1-1/4", Gr 5

- hex, 3/8 NC x 1-1/4 inch

3шт.

33

495-11041

WASHER,0.406" ID x 0.812" OD x 0.065" W

(Flat, 13/32 x 13/16 x 1/16") 3/8", SAE

3шт.

34

231-1406

LOCK NUT,3/8"-16, GB

NUT - hex, self-locking, 3/8 inch NC

1шт.

35

305085A1

SHAFT

- drive, hex, 22 (7/8) x 233 mm (9-3/16 inch) long, clutch drive, input

1шт.

35

314222A1

NUT

SHAFT - drive, hex, 22 (7/8) x 290 mm (11-7/16 inch) long, clutch drive, input, units with liquid fertilizer attachment

1шт.

569089R91

CHAIN (AG),10' L, 1.0" Pitch

CHAIN - bulk roll, 10 foot long

1шт.

36

305089A1

SHAFT

- drive, hex, 22 (7/8) x 620 mm (24-7/16 inch) long, clutch driven, output

1шт.

36

314223A1

SHAFT

- drive, hex, 22 (7/8) x 800 mm (31-1/2 inch) long, clutch driven, output, units with liquid fertilizer attachment

1шт.

37

299341A1

SUPPORT

- clutch drive

2шт.

38

238525A2

BRACKET

- support, clutch drive

1шт.

39

1250813C1

U-BOLT

- 5/8 inch NC, 7 x 7 inch

3шт.

40

425-1010

NUT,5/8"-11, G5

6шт.

41

134158C92

BALL BEARING,22.5mm ID

- ball, hex, sealed, 7/8 inch

3шт.

42

434-520

CARRIAGE BOLT,Sht Sq Nk, 5/16" - 18 x 1 1/4", Gr 5

BOLT - carriage, 5/16 NC x 1-1/4 inch

2шт.

43

434-516

CARRIAGE BOLT,Sht Sq Nk, 5/16" - 18 x 1", Gr 5

BOLT - carriage, 5/16 NC x 1 inch

2шт.

44

231-5145

SERRATED NUT,Flg, USR, 5/16"-18

NUT - hex serrated flange, 5/16 inch NC

4шт.

45

1277812C3

SPACER

- sprocket, 27 x 33 x 9 mm, shaft

1шт.

46

438-31628

PIN,1/4" x 1 3/4", Coiled

3шт.

47

495-81074

WASHER,1 1/32" x 1 3/4" x .120"

- flat, 1-1/32 x 1-3/4 x 1/8"

2шт.

48

1264302C1

SPRING

- clutch

1шт.

49

1264313C1

CLUTCH

- drive and driven, left-hand

2шт.

50

243411A2

WASHER

SPACER - special, clutch drive

2шт.

51

304453A1

PLATE

- clutch throwout

1шт.

52

230847A1

BRACKET

- pivot, clutch

1шт.

53

219-87

LUBE NIPPLE,1/4" - 28 NPTF

NIPPLE, LUBE, 1/4"-28 x .56" lg, Self-Tap

1шт.

54

413-828

BOLT,Hex, 1/2" - 13 x 1-3/4", Gr 5

2шт.

55

80679

LOCK WASHER,1/20.507 CST ZND

WASHER, LOCK, 1/2"

2шт.

56

425-108

NUT,1/2" - 13, Gr 5

NUT, , Hex 1/2"-13, G5

2шт.

Выбрано товаров: 60