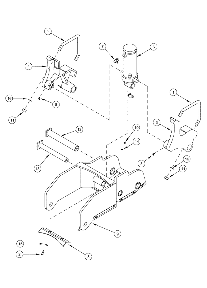
Запчасти Case IH 955 (9A-106) - FRAME ASSEMBLY FOR WHEEL SPEED SENSOR, AFS PLANTER, 12 RN, 16 RN, 24 RN & 12/23 SRC (09) - CHASSIS/ATTACHMENTS

Схема запчастей Case IH 955 - (9A-106) - FRAME ASSEMBLY FOR WHEEL SPEED SENSOR, AFS PLANTER, 12 RN, 16 RN, 24 RN & 12/23 SRC (09) - CHASSIS/ATTACHMENTS
8
7
8
14
11
16
16
5
9
3
2
12
1
10
15
13
4
1
6
11
FIT
1:1
100%

Артикул

Название

Примечание

Количество

1

116039A1

WHEEL BOLT

BOLT - special, wheel bracket

2шт.

2

413-620

BOLT,Hex, 3/8" - 16 x 1-1/4", Gr 5

- hex, 3/8 NC x 1-1/4 inch

2шт.

3

275684A1

BRACKET

- mounting, wheel and cylinder, left-hand

1шт.

4

275685A1

BRACKET

- mounting, wheel and cylinder, right-hand

1шт.

5

246631A2

SCRAPER

- tire, for 12/23

1шт.

5

116042A2

SCRAPER

- tire, for 12RN, 16RN and 24RN

1шт.

6

298978A1

CYLINDER

ASSEMBLY - 83 (3-1/4) ID x 184 mm (7-1/4 inch) stroke, parts list page 8-107D

1шт.

6

233760A2

CYLINDER

ASSEMBLY - 102 (4) ID x 184 mm (7-1/4 inch) stroke, parts list page 8-109

1шт.

6

233761A2

CYLINDER

ASSEMBLY - 108 (4-1/4) ID x 184 mm (7-1/4 inch) stroke, parts list page 8-111

1шт.

6

233762A1

CYLINDER

ASSEMBLY - 114 (4-1/2) ID x 184 mm (7-1/4 inch) stroke, parts list page 8-113

1шт.

6

247402A2

CYLINDER

ASSEMBLY - 121 (4-3/4) ID x 184 mm (7-1/4 inch) stroke, parts list page 8-193

1шт.

7

218-5106

90 ELBOW,90 Degree Elbow, 3/4" - 16 Male JIC x 3/4" - 16 Male ORB

- 90 degree, 3/4-16 inch flare x adj O-ring boss

2шт.

8

219-93

LUBE NIPPLE,90 Degree Elbow, 1/4" - 28 NPTF

Special taper 90º, 1/4"-28 NPT x .75" lg, Drive

2шт.

9

323411A1

FRAME ASSY

FRAME - wheel, for 12/23

1шт.

9

323412A1

FRAME ASSY

FRAME - wheel, for 12RN, 16RN and 24RN

1шт.

10

425-106

NUT,3/8"-16, Cl 5

2шт.

11

425-1014

NUT,7/8"-9, G5

NUT, 7/8"-9, G5

4шт.

12

116040A1

PIN

- wheel mount

1шт.

13

116041A1

PIN

- wheel cylinder mounting

1шт.

14

492-11038

LOCK WASHER,3/8"

WASHER, LOCK, 3/8"

2шт.

15

495-21044

WASHER,3/8"

(flat, 7/16 x 1 x 5/64 inch) 3/8"

2шт.

16

496-11094

WASHER,0.94" ID x 1.75" OD x 0.13" Thk

- flat, 15/16 x 1-3/4 x 1/8 inch, hardened

4шт.

Выбрано товаров: 22