Запчасти Case IH 955 (9B-06) - PRIMARY SEED DRIVE, 8 ROW WIDE AND 12 ROW NARROW - VERTICAL FOLD (09) - CHASSIS/ATTACHMENTS

Схема запчастей Case IH 955 - (9B-06) - PRIMARY SEED DRIVE, 8 ROW WIDE AND 12 ROW NARROW - VERTICAL FOLD (09) - CHASSIS/ATTACHMENTS
11
9
9
4
18
7
15
13
10
6
8
16
17
11
5
12
10
17
6
2
5
14
8
7
14
13
1
1
13
13
3
2
12
FIT
1:1
100%

Артикул

Название

Примечание

Количество

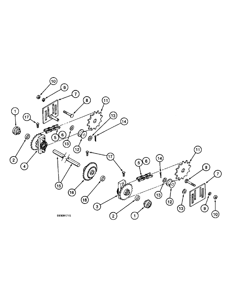
1

134181C92

BALL BEARING,2.125" OD x 0.046"

- ball, primary drive

1-2шт.

Quantity of one used on 8 row wide and two used on 12 row narrow. Purchase hardware accordingly.

1шт.

2

1277812C2

SPACER

- sprocket, 27 x 33 x 9 mm

2шт.

3

1277925C92

RATCHET

SPROCKET ASSEMBLY - left-hand drive ratchet, 23 teeth, 12 row narrow, parts list page 9B-9

1шт.

4

1277926C92

RATCHET

SPROCKET ASSEMBLY - right-hand drive ratchet, 23 teeth, 8 row wide and 12 row narrow, parts list page 9B-9

1шт.

5

1277739C91

CHAIN (AG)

CHAIN - primary wheel drive, No. 2050, use 45 links from 569089R91 bulk chain and (1) 1277928C91 connecting link, see item 6 and below

1-2шт.

6

1277928C91

LINK

- chain connecting, primary wheel drive chain

1-2шт.

7

193948A1

IDLER

PLATE - wheel drive idler

1-2шт.

Quantity of one used on 8 row wide and two used on 12 row narrow. Purchase hardware accordingly.

1шт.

8

433-848

CARRIAGE BOLT,Sq Nk, 1/2" - 13 x 3", Gr 5

BOLT - carriage, 1/2 NC x 3 inch

2-4шт.

9

80679

LOCK WASHER,1/20.507 CST ZND

WASHER, LOCK, 1/2"

2-4шт.

10

425-108

NUT,1/2" - 13, Gr 5

NUT, , Hex 1/2"-13, G5

2-4шт.

11

1277736C1

SPROCKET

- drive wheel, 12 teeth

2шт.

12

1277726C1

ROLLER,48mm OD x 34mm L

- idler, drive chain

1шт.

Quantity of one used on 8 row wide and two used on 12 row narrow. Purchase hardware accordingly.

1шт.

13

495-81178

WASHER,21/32" x 1 1/8" x .048"

- flat, 21/32 x 1-1/8 x 3/64 inch

2-4шт.

14

432-1216

COTTER PIN,3/16" x 1"

1-2шт.

15

134153C1

BAR

SHAFT - drive, hex, 22 (7/8) x 3626 mm (142-3/4 inch) long, 8 row wide

1шт.

15

90559C1

SHAFT

- drive, hex, 22 (7/8) x 800 mm (31-1/2 inch) long, 12 row narrow

2шт.

16

90907C1

DRIVE SPROCKET

SPROCKET - 20 and 32 teeth

1шт.

17

485-15012

SET SCREW,Sq Hd, 1/2"-13 x 3/4"

SCREW - set, square head, 1/2 NC x 3/4 inch, cup point

2шт.

18

144812C2

SPACER

- 27 x 33 x 17 mm

1-2шт.

569089R91

CHAIN (AG),10' L, 1.0" Pitch

CHAIN - bulk roll, 10 foot long

1шт.

Выбрано товаров: 23