Запчасти Case IH 955 (9C-50) - SEED MODULE CUTOFF WHEEL, ALL RIGID, VERTICAL FOLD, FRONT FOLD & PARALLEL FRONT FOLD PLANTERS (09) - CHASSIS/ATTACHMENTS

Схема запчастей Case IH 955 - (9C-50) - SEED MODULE CUTOFF WHEEL, ALL RIGID, VERTICAL FOLD, FRONT FOLD & PARALLEL FRONT FOLD PLANTERS (09) - CHASSIS/ATTACHMENTS
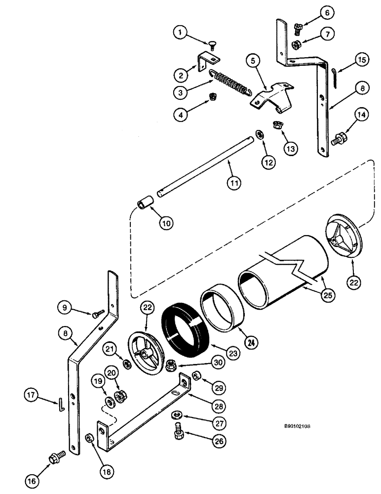
22
8
6
21
25
11
7
8
30
17
15
27
4
1
26
16
3
20
9
28
14
19
5
22
23
13
12
10
2
24
18
29
FIT
1:1
100%

Артикул

Название

Примечание

Количество

1

412-612

CARRIAGE BOLT,Short Sq Nk, 3/8" - 16 x 3/4", Gr 2

BOLT - carriage, 3/8 NC x 3/4 inch, grade 2

1шт.

2

141212C1

SUPPORT

- spring bracket

1шт.

3

650949C1

VALVE SPRING

SPRING - anchor

1шт.

4

231-5146

FLANGE NUT,3/8"-16

1шт.

5

141209C1

CLIP

- spring anchor

1шт.

6

477-73112

SERRATED SCREW,Sl Truss Hd, 5/16" - 18 x 3/4"

- serrated slotted truss head, 5/16 NC x 3/4"

2шт.

7

231-5146

FLANGE NUT,3/8"-16

1шт.

8

141210C1

SUPPORT

ARM - wheel support

2шт.

9

413-616

BOLT,Hex, 3/8" - 16 x 1", Gr 5

- hex, 3/8 NC x 1 inch

1шт.

10

1980757C2

SPACER

- cutoff wheel

1шт.

11

548810R1

AXLE

- cutoff wheel

1шт.

12

495-81177

WASHER,21/32" x 1" x .030"

- flat, 21/32 x 1 x 1/32 inch

1шт.

13

231-5145

SERRATED NUT,Flg, USR, 5/16"-18

NUT - hex serrated flange, 5/16 inch NC

2шт.

14

409-7816

BOLT,Hex Flg, 1/2" - 13 x 1", Spcl

- hex serrated flange, 1/2 NC x 1 inch

1шт.

15

432-1216

COTTER PIN,3/16" x 1"

1шт.

16

409-7820

BOLT,Hex Flg, 1/2" - 13 x 1 1/4", Spcl

1шт.

17

548365R2

PIN

- retaining, axle

1шт.

18

149352C1

BUSHING

- pivot

1шт.

19

495-81025

WASHER,13.49mm ID x 31.75mm OD x 4.93mm Thk

- flat, 17/32 x 1-1/4 x 5/32 inch

2шт.

20

231-5148

FLANGE NUT,Flg, USR, 1/2"-13

2шт.

21

495-81177

WASHER,21/32" x 1" x .030"

- flat, 21/32 x 1 x 1/32 inch

1шт.

22

539670R1

RIM

- cutoff wheel

2шт.

23

141019C5

TYRE/TIRE

TIRE - cutoff wheel

1шт.

24

1261565C2

SPACER

- cutoff wheel

2шт.

25

546338R2

SLEEVE

- cutoff wheel, 150 mm (5-5/16 inch) long, 4 row

1шт.

25

546337R2

SLEEVE

- cutoff wheel, 226 mm (8-7/8 inch) long, 6 row and 12 row

1шт.

25

548809R2

SLEEVE

- cutoff wheel, 302 mm (11-7/8 inch) long, 8 row, 16 row and 24 row

1шт.

26

424-820

BOLT,Hex, 1/2" - 13 x 1-1/4", Gr 2

- hex, 1/2 NC x 1-1/4 inch, grade 2

2шт.

27

495-81021

WASHER,17/32" x 1" x .120"

- flat, 17/32 x 1 x 7/64 inch

2шт.

28

141167C2

SUPPORT

- cutoff wheel

1шт.

29

149352C1

BUSHING

- pivot

1шт.

30

231-5148

FLANGE NUT,Flg, USR, 1/2"-13

2шт.

Выбрано товаров: 32