Запчасти Case IH 955 (9F-008) - LIQUID FERTILIZER SQUEEZE PUMP SYSTEM, 12 AND 16 ROW NARROW (09) - CHASSIS/ATTACHMENTS

Схема запчастей Case IH 955 - (9F-008) - LIQUID FERTILIZER SQUEEZE PUMP SYSTEM, 12 AND 16 ROW NARROW (09) - CHASSIS/ATTACHMENTS
16
16
4
19
15
7
24
22
13
17
11
6
5
18
15
8
22
15
16
12
15
1
16
21
3
3
20
14
18
10
2
13
14
1
21
4
18
9
23
FIT
1:1
100%

Артикул

Название

Примечание

Количество

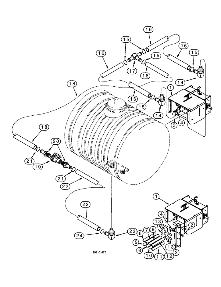
1

REF

INSTRUCTION

PUMP ASSEMBLY - squeeze, see pages 9F-11 and 9F-13 for correct assembly and parts list

1-2шт.

2

413-1256

BOLT,Hex, 3/4" - 10 x 3-1/2", Gr 5

8шт.

If looking for the bracket that Ref. 2 goes through, see page 9B-62.

1шт.

3

492-11075

LOCK WASHER,3/4"

3/4"

8шт.

4

425-1012

NUT,3/4"-10, G5

- hex, 3/4 inch NC

8шт.

5

NSS

NOT SOLD SEPARAT

HOSE - 1/2 ID x 68-1/8 inch, cut from 134331C1, see below, 12 and 16 row

2шт.

See item 22, page 9F-81, for the liquid fertilizer tube that connects to hoses.

1шт.

6

NSS

NOT SOLD SEPARAT

HOSE - 1/2 ID x 108-5/16 inch, cut from 134331C1, see below, 12 and 16 row

1шт.

Restrictor assembly 93206C1 is an alternative part for proper operation of marker valve by tractor with high hydraulic flow rate. Used on 6 row narrow only.

1шт.

7

NSS

NOT SOLD SEPARAT

HOSE - 1/2 ID x 128 inch, cut from 134331C1, see below, 12 and 16 row

1шт.

See item 22, page 9F-81, for the liquid fertilizer tube that connects to hoses.

1шт.

8

NSS

NOT SOLD SEPARAT

HOSE - 1/2 ID x 158-5/16 inch, cut from 134331C1, see below, 12 and 16 row

1шт.

See item 22, page 9F-81, for the liquid fertilizer tube that connects to hoses.

1шт.

9

NSS

NOT SOLD SEPARAT

HOSE - 1/2 ID x 188-1/4 inch, cut from 134331C1, see below, 12 and 16 row

1шт.

See item 22, page 9F-81, for the liquid fertilizer tube that connects to hoses.

1шт.

10

NSS

NOT SOLD SEPARAT

HOSE - 1/2 ID x 218-1/8 inch, cut from 134331C1, see below, 12 and 16 row

1шт.

See item 22, page 9F-81, for the liquid fertilizer tube that connects to hoses.

1шт.

11

NSS

NOT SOLD SEPARAT

HOSE - 1/2 ID x 248-7/16 inch, cut from 134331C1, see below, 16 row

1шт.

See item 22, page 9F-81, for the liquid fertilizer tube that connects to hoses.

1шт.

12

NSS

NOT SOLD SEPARAT

HOSE - 1/2 ID x 278 inch, cut from 134331C1, see below, 16 row

1шт.

See item 22, page 9F-81, for the liquid fertilizer tube that connects to hoses.

1шт.

13

214-1313

HOSE CLAMP,#13, 13/16", Spring

CLAMP - spring type, 13/16 inch

12шт.

14

134271C1

ELBOW

- 90 degree, 1 stem x 3/4 inch PT, special

2шт.

15

214-1320

HOSE CLAMP,#20, 1 1/4", Spring

CLAMP - spring type, 1-1/4 inch

6шт.

16

REF

INSTRUCTION

HOSE - 1 ID x 8 inch, cut from 134329C1, see below

2шт.

17

1261309C1

TEE

- barbed, special

1шт.

18

REF

INSTRUCTION

HOSE - 1 ID x 17-3/4 inch, cut from 134329C1, see below

1шт.

19

1345067C1

SHUT-OFF VALVE,3/4" Single Union Poly Valve

VALVE - shutoff

1шт.

20

134270C1

FITTING

- straight, special

2шт.

21

214-1320

HOSE CLAMP,#20, 1 1/4", Spring

CLAMP - spring type, 1-1/4 inch

2шт.

22

REF

INSTRUCTION

HOSE - 1 ID x 45-5/16 inch, cut from 134329C1, see below

1шт.

23

134271C1

ELBOW

- 90 degree, 1 stem x 3/4 inch PT, special

1шт.

24

214-1320

HOSE CLAMP,#20, 1 1/4", Spring

CLAMP - spring type, 1-1/4 inch

1шт.

134331C1

HOSE

- bulk, transparent, 13 (1/2) ID x 30480 mm (1200 inch) long

1шт.

134329C1

HOSE

- bulk, transparent, 25 (1) ID x 1270 mm (50 inch) long

1шт.

Выбрано товаров: 35