Запчасти Case IH 955 (9F-014) - LIQUID FERTILIZER PISTON PUMP SYSTEM, PUMP MOUNTING AND (09) - CHASSIS/ATTACHMENTS

Схема запчастей Case IH 955 - (9F-014) - LIQUID FERTILIZER PISTON PUMP SYSTEM, PUMP MOUNTING AND (09) - CHASSIS/ATTACHMENTS
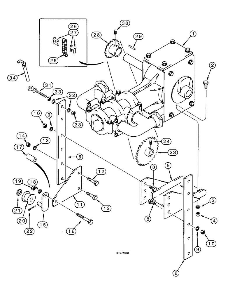
18
15
22
21
14
6
23
28
6
24
8
16
9
3
13
10
12
9
19
31
34
29
33
1
27
5
12
8
30
17
10
25
20
11
33
4
26
2
32
FIT
1:1
100%

Артикул

Название

Примечание

Количество

1

225440A1

PUMP

ASSEMBLY - piston, liquid fertilizer

1шт.

2

413-616

BOLT,Hex, 3/8" - 16 x 1", Gr 5

- hex, 3/8 NC x 1 inch

4шт.

3

492-11038

LOCK WASHER,3/8"

WASHER, LOCK, 3/8"

4шт.

4

425-106

NUT,3/8"-16, Cl 5

4шт.

5

225442A1

MOUNTING PARTS

BRACKET - mounting, piston pump

1шт.

6

188920A1

STRAP

- mounting, piston pump

2шт.

8

413-820

BOLT,Hex, 1/2" - 13 x 1-1/4", Gr 5

4шт.

9

80679

LOCK WASHER,1/20.507 CST ZND

WASHER, LOCK, 1/2"

4шт.

10

425-108

NUT,1/2" - 13, Gr 5

NUT, , Hex 1/2"-13, G5

4шт.

11

188917A1

PLATE

- mounting, chain idler

1шт.

12

413-828

BOLT,Hex, 1/2" - 13 x 1-3/4", Gr 5

4шт.

13

80679

LOCK WASHER,1/20.507 CST ZND

WASHER, LOCK, 1/2"

4шт.

14

425-108

NUT,1/2" - 13, Gr 5

NUT, , Hex 1/2"-13, G5

4шт.

15

113509A1

FRONT IDLER

IDLER - drive chain

1шт.

16

413-856

BOLT,Hex, 1/2" - 13 x 3-1/2", Gr 5

- hex, 1/2 NC x 3-1/2 inch

1шт.

17

188921A1

SPACER

-, Serial Range: idler-plate

1шт.

18

80679

LOCK WASHER,1/20.507 CST ZND

WASHER, LOCK, 1/2"

1шт.

19

425-108

NUT,1/2" - 13, Gr 5

NUT, , Hex 1/2"-13, G5

1шт.

20

1277726C1

ROLLER,48mm OD x 34mm L

- idler

1шт.

21

495-81178

WASHER,21/32" x 1 1/8" x .048"

- flat, 21/32 x 1-1/8 x 3/64 inch

1шт.

22

432-1224

COTTER PIN,3/16" x 1-1/2"

3/16" x 1 1/2"

1шт.

23

224576A1

SPROCKET ASSY.

SPROCKET - driver, 32 teeth, pump, at drive wheel

1шт.

24

485-15012

SET SCREW,Sq Hd, 1/2"-13 x 3/4"

SCREW - set, square head, 1/2 NC x 3/4 inch, cup point

2шт.

25

225455A1

CHAIN (AG)

CHAIN - drive, use 55 links from 569088R91 bulk chain plus (1) 242-138 connecting link and (1) 242-178 offset link, see below

1шт.

26

242-138

LINK,7.92mm Pitch

LINK - connecting, No. 2040, 1 inch pitch

1шт.

27

242-178

LINK,25.4mm Pitch

LINK - offset, double pitch, No. 2040

1шт.

28

225453A1

SPROCKET ASSY.

SPROCKET - driven, 15 teeth, pump, at pump shaft

1шт.

29

Q53

KEY,1/4" Sq x 1", Par

1шт.

30

485-1258

SET SCREW,Sq Hd, 1/4"-20 x 1/2"

SCREW - set, square head, 1/4 NC x 1/2 inch, cup point

1шт.

31

225452A1

EYEBOLT

- special, tool storage

1шт.

32

495-21044

WASHER,3/8"

(flat, 7/16 x 1 x 5/64 inch) 3/8"

2шт.

33

425-106

NUT,3/8"-16, Cl 5

2шт.

34

225441A1

TOOL

- special, piston pump adjustment

1шт.

35

226947A1

INSTRUCTION

CHART - pump rate

1шт.

569088R91

CHAIN (AG)

CHAIN - bulk, No. 2040, 10 foot roll

1шт.

Выбрано товаров: 35