Запчасти Case IH 955 (9F-088) - NO-TILL COULTER, WITH HORIZONTAL CUSHION SPRING, PIVOT COMPONENTS (09) - CHASSIS/ATTACHMENTS

Схема запчастей Case IH 955 - (9F-088) - NO-TILL COULTER, WITH HORIZONTAL CUSHION SPRING, PIVOT COMPONENTS (09) - CHASSIS/ATTACHMENTS
34
27
30
4
6
26
37
20
36
3
35
32
2
9
14
28
31
24
33
29
22
23
12
21
17
15
19
8
5
18
10
1
13
16
7
25
FIT
1:1
100%

Артикул

Название

Примечание

Количество

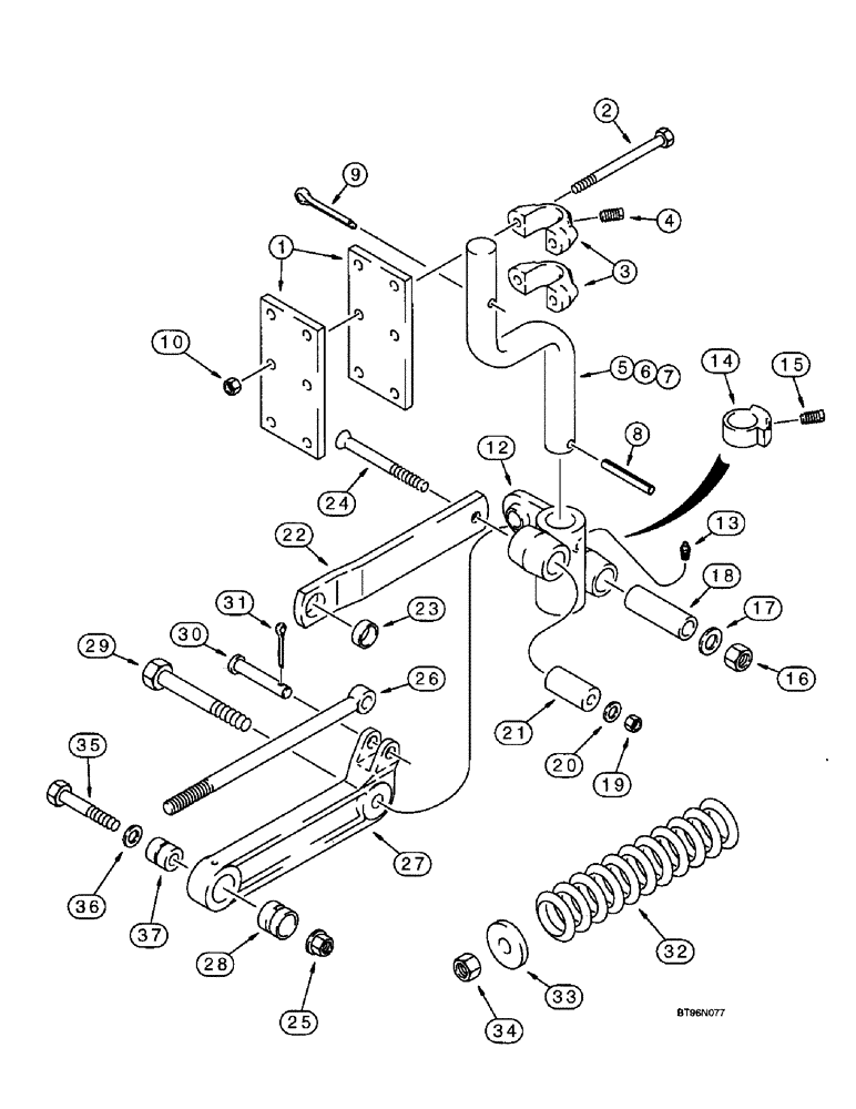
1

1986499C1

PLATE

- clamp

2шт.

2

413-888

BOLT,Hex, 1/2" - 13 x 5-1/2", Gr 5

- hex, 1/2 NC x 5-1/2 inch

4шт.

3

1344520C1

SPECIAL CLAMP

- shank

2шт.

4

85-16216

SET SCREW,Sq Hd, 5/8"-11 x 1"

SCREW - set, square head, 5/8 NC x 1 inch, cup point

2шт.

5

252422A1

SHANK

- offset, 15 inch, 12/23 solid row crop

1шт.

6

252421A1

SHANK

- offset, 18 inch, 12/23 solid row crop

1шт.

7

118038A1

SHANK

- offset, 22 inch, 12, 16 and 24 row narrow, 12 row wide

1шт.

8

38-32440

PIN,3/8" x 2 1/2", Coiled

1шт.

9

432-2040

COTTER PIN,5/16" x 2 1/2"

Pin, Split (Cotter), 5/16" x 2 1/2"

1шт.

10

231-4218

LOCK NUT,1/2"-13, GB

NUT - hex, self-locking, 1/2 inch NC

4шт.

11

252170A1

PIVOT

- horizontal spring opener, left-hand

1шт.

12

252171A1

PIVOT

- horizontal spring opener, right-hand, shown

1шт.

13

219-87

LUBE NIPPLE,1/4" - 28 NPTF

NIPPLE, LUBE, 1/4"-28 x .56" lg, Self-Tap

3шт.

14

1986495C1

COLLAR

- locking

1шт.

15

85-16216

SET SCREW,Sq Hd, 5/8"-11 x 1"

SCREW - set, square head, 5/8 NC x 1 inch, cup point

1шт.

16

231-14412

LOCK NUT,3/4"-10, GB

NUT - hex, self-locking, 3/4 inch NC

1шт.

17

495-81046

WASHER,25/32" x 2" x .120"

- flat, 25/32 x 2 x 1/8 inch

1шт.

18

1986486C1

SLEEVE

- pivot

1шт.

19

231-4218

LOCK NUT,1/2"-13, GB

NUT - hex, self-locking, 1/2 inch NC

1шт.

20

252158A1

WASHER

- flat, 1/2 x 1-1/2 x 1/8 inch

1шт.

21

252316A1

SLEEVE

- pivot, 2-1/2 inch

1шт.

22

252164A1

ARM

- upper parallel, horizontal spring opener

1шт.

23

1986497C1

BUSHING,25.4mm ID x 31.8mm OD x 12.7mm L

1 1/4 X 1 X 1/2 BRONZE

1шт.

24

61-45064

HEX SOC SCREW,Flat Hd, 1/2"-13 x 4"

SCREW - hex socket, 1/2 NC x 4 inch

1шт.

25

425-2810

FLANGE NUT,Flg, 5/8"-11, G5

- hex flange, 5/8 inch NC

1шт.

26

252169A1

ROD

- spring

1шт.

27

252161A1

ARM

- lower parallel, horizontal spring opener

1шт.

28

252162A1

BUSHING,31.75mm ID x 38.1mm OD x 31.75mm L

- lower parallel arm

1шт.

29

413-1296

BOLT,Hex, 3/4" - 10 x 6", Gr 5

- hex, 3/4 NC x 6 inch

1шт.

30

427-10225

CLEVIS PIN,5/8" x 1 1/4"

PIN - clevis, 5/8 x 2-1/4 inch, hardened

1шт.

31

432-820

COTTER PIN,1/8" x 1 1/4"

PIN, SPLIT (COTTER), 1/8" x 1-1/4"

1шт.

32

252167A1

SPRING

- horizontal spring opener, 11 inch

1шт.

33

252166A1

BUSHING

- spring

1шт.

34

231-14412

LOCK NUT,3/4"-10, GB

NUT - hex, self-locking, 3/4 inch NC

1шт.

35

413-1040

BOLT,Hex, 5/8" - 11 x 2-1/2", Gr 5

- hex, 5/8 NC x 2-1/2 inch

1шт.

36

A59517

WASHER,16.66mm ID x 57.15mm OD x 6.35mm Thk

- special

1шт.

37

252317A1

PIVOT

- lower arm

1шт.

38

1986496C1

DECAL

- adjustment critical, not shown, see page 9F-117, item 12

1шт.

Выбрано товаров: 38