Запчасти Case IH 955 (8-070) - HYDRAULIC SYSTEM, FERTILIZER FRAME CARRYING WHEELS, 8 ROW WIDE & 12 ROW NARROW VERTICAL FOLD (08) - HYDRAULICS

Схема запчастей Case IH 955 - (8-070) - HYDRAULIC SYSTEM, FERTILIZER FRAME CARRYING WHEELS, 8 ROW WIDE & 12 ROW NARROW VERTICAL FOLD (08) - HYDRAULICS
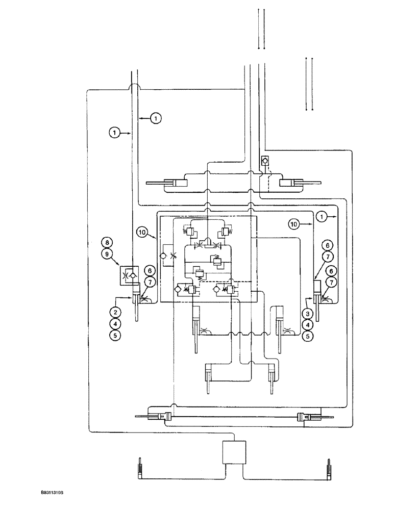
4
3
5
1
7
8
1
6
7
6
9
7
10
1
6
2
5
4
10
FIT
1:1
100%

Артикул

Название

Примечание

Количество

1

1284300C1

HYDRAULIC HOSE

HOSE - 9652 mm (380 inch) long, pressure and return (8 row wide)

2шт.

1

135411A1

HYDRAULIC HOSE

HOSE - 10414 mm (410 inch) long, pressure and return (12 row narrow)

2шт.

2

1286472C1

HYDRAULIC CYLINDER

CYLINDER ASSEMBLY - 83 (3-1/4) ID x 203 mm (8 inch) stroke, carrying wheel, master (Parts list page 8-101)

1шт.

3

1286471C1

HYDRAULIC CYLINDER

CYLINDER ASSEMBLY - 76 (3) ID x 203 mm (8 inch) stroke, carrying wheel, slave (Parts list page 8-99)

1шт.

4

439-51248

HEADED PIN,3/4" x 3", G5

PIN - headed, 3/4 x 3 inch, cylinder mounting

2шт.

5

432-1620

COTTER PIN,1/4" x 1 1/4"

Pin, Split (Cotter), 1/4" x 1 1/4"

2шт.

6

218-5128

ELBOW,90° Elbow, 9/16" - 18 Male JIC x 3/4" - 16 Male ORB

- 90 degree, 9/16-18 flare x 3/4-16 inch adj O-ring boss

3шт.

7

237-6008

O-RING,0.087" Thk x 0.644" ID, -908, Cl 6, 90 Duro

8-1, 90 Duro, .644" ID x .087" Thk

1шт.

8

92781C1

RESTRICTOR

ELBOW - 90 degree, special restrictor

1шт.

9

237-6008

O-RING,0.087" Thk x 0.644" ID, -908, Cl 6, 90 Duro

8-1, 90 Duro, .644" ID x .087" Thk

1шт.

10

1284299C1

HYDRAULIC HOSE

HOSE - 8890 mm (350 inch) long, cylinder crossover (8 row wide)

1шт.

10

1284300C1

HYDRAULIC HOSE

HOSE - 9652 mm (380 inch) long, cylinder crossover (12 row narrow)

1шт.

Выбрано товаров: 12