Запчасти Case IH 184 (A-09[A]) - PLANTER ATTACHING UNIT, 184 PLANTER

Схема запчастей Case IH 184 - (A-09[A]) - PLANTER ATTACHING UNIT, 184 PLANTER
6
11
4
10
10
10
2
9
5
7
1
8
3
7
11
FIT
1:1
100%

Артикул

Название

Примечание

Количество

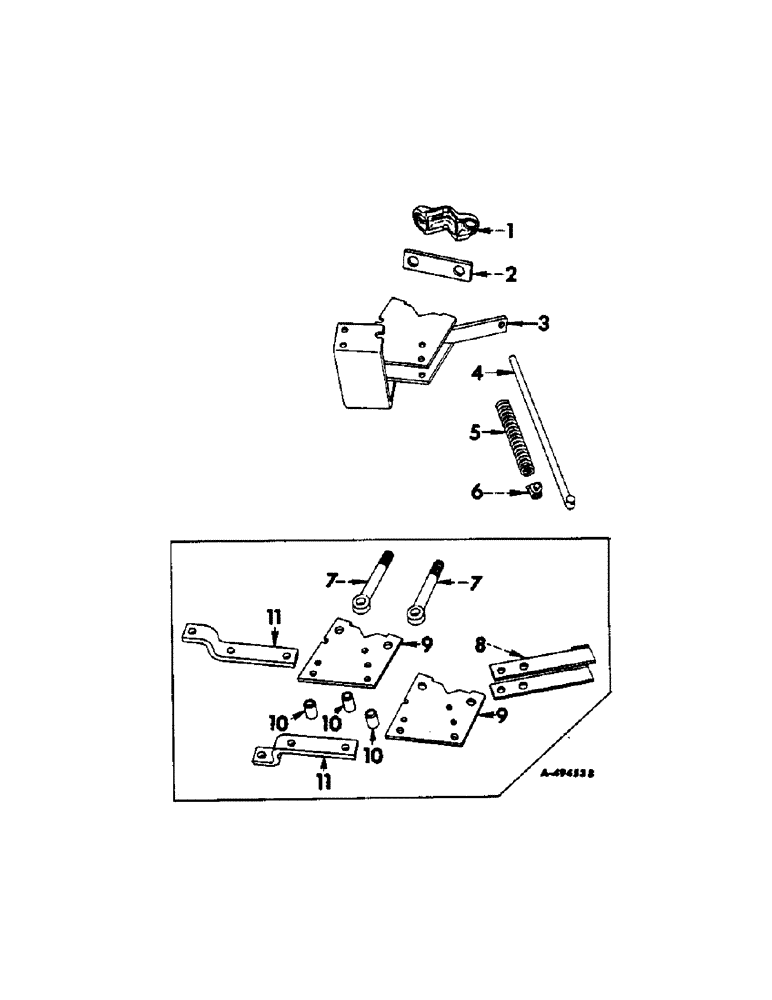
1

518859R1

CLAMP

CAP, attaching, for 1-3/4, 2 and 2-1/4 in. square tool bar with sides diagonal

1шт.

2

524707R1

STRAP, tool bar, for 3-1/4 in. square tool bar with top and bottom sides horizontal

1шт.

3

464284R92

BRACKET, attaching, 1960 and since

1шт.

465001R2

BOLT, 7/16 x 6-1/2 sq-hd mach, 3 in. thread

2шт.

BOLT W/NUT, 7/16 x 6-1/2 sq-hd mach

2шт.

NUT, 7/16

2шт.

4

464277R1

GUIDE

ROD, lift, 1960 and since

1шт.

PIN, 3/16 x 1-1/4 self-opening cot.

1шт.

WASHER, 21/32 x 1-1/4 x 11 ga

1шт.

4

524916R1

ROD, lift, Serial Range: 1957-1960

1шт.

PIN, 3/16 x 1 self-opening cotter

1шт.

WASHER, 17/32 x 1-1/4 x 11 ga

1шт.

5

524997R1

SPRING, pressure rod, Serial Range: 1957-1960

1шт.

5

523267R1

SPRING

pressure rod, 1960 and since

1шт.

6

5326X

COLLAR

W/SET SCREW, pressure rod, Serial Range: 1957-1960

1шт.

102892

SET SCREW

3/8 x 1/2 cup-pt sq-hd set

1шт.

6

516595R11

COLLAR,16.67mm ID x 28.5mm OD x 19mm L

COLLAR W/SET SCREW, pressure rod, 1960 and since

1шт.

85-15010

SET SCREW,Sq Hd, 1/2"-13 x 5/8"

SCREW, 1/2 x 5/8 cup-pt sq-hd set

1шт.

7

524918R1

EYEBOLT, for 3-1/4 square tool bar with top and bottom sides horizontal, Serial Range: 1957-1960

1шт.

NUT, 7/8

1шт.

7

524917R11

EYEBOLT W/NUT, for 1-3/4, 2, and 2-1/4 square tool bar with sides diagonal, Serial Range: 1957-1960

1шт.

NUT, 7/8

1шт.

8

524924R91

BRACKET, pressure rod, Serial Range: 1957-1960

1шт.

BOLT W/NUT, 7/16 x 3-1/4 mach

1шт.

PR146

AXLE PIN,5/8" x 2 1/2"

PIN, 5/8 x 2-1/2 dld-std-hd

1шт.

PIN, 3/16 x 1 self-opening cotter

1шт.

9

524919R2

PLATE, draft bar, Serial Range: 1957-1960

1шт.

10

524925R1

SPACER, draft bar plate, Serial Range: 1957-1960

1шт.

11

524920R1

BRACKET, planter hitch pivot, Serial Range: 1957-1960

1шт.

BOLT W/NUT, 7/16 x 3-3/4 mach

2шт.

WASHER, 7/16 lock

2шт.

Выбрано товаров: 0