Запчасти Case IH 184 (A-17) - SPRING LOADED ROLLING GUIDE FIN

Схема запчастей Case IH 184 - (A-17) - SPRING LOADED ROLLING GUIDE FIN
5
12
3
10
9
11
2
7
6
5
11
8
4
6
1
FIT
1:1
100%

Артикул

Название

Примечание

Количество

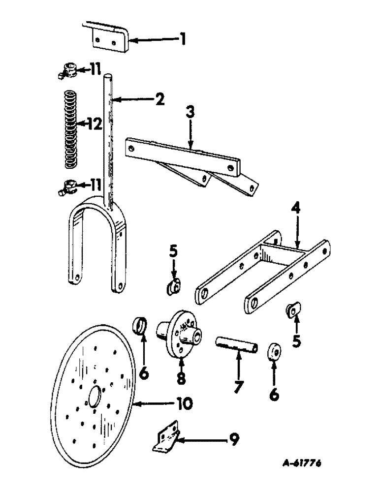
1

463207R1

SUPPORT, pressure rod

1шт.

NUT, 7/16

2шт.

SCREW, 7/16 x 1-1/2 cap

2шт.

WASHER, 7/16 lock

2шт.

2

463205R91

YOKE ASSEMBLY, pressure rod

1шт.

3

463203R11

SUPPORT ASSEMBLY, rolling fin

1шт.

NUT, 1/2

2шт.

SCREW, 1/2 x 1-1/2 cap

1шт.

SCREW, 1/2 x 1-3/4 cap

1шт.

WASHER, 1/2 lock

2шт.

WASHER, 17/32 x 1-1/4 x 16 ga

1шт.

4

523080R92

SUPPORT

ARM ASSEMBLY, support

1шт.

BOLT W/NUT, 5/8 x 2 mach

2шт.

WASHER, 21/32 x 1-1/4 x 16 ga

2шт.

5

522054R1

ECCENTRIC

NUT, eccentric

1шт.

6

521949R1

WASHER

COLLAR, sand

1шт.

7

521948R1

BUSHING

hub

1шт.

BOLT W/NUT, 5/8 x 8 mach

1шт.

WASHER, 5/8 lock

1шт.

WASHER, 1-1/32 x 1-3/4 x 16 ga

2шт.

8

516564R31

HUB

ASSEMBLY, rolling guide fin

1шт.

BOLT W/NUT, 5/16 x 1 mach

4шт.

125617

LUBE NIPPLE,3/16" x .61 lg, Drive

FITTING, 3/16 straight lubrication

1шт.

WASHER, 5/16 lock

4шт.

WASHER, 11/32 x 1 x 16 ga

1шт.

9

523256R2

LUB, driving

1шт.

BOLT W/NUT, 5/16 x 3/4 mach

2шт.

WASHER, 5/16 lock

2шт.

10

523084R1

DISC

FIN, rolling

1шт.

11

PO2041X

COLLAR

W/SET SCREW, pressure spring rod

1шт.

85-15010

SET SCREW,Sq Hd, 1/2"-13 x 5/8"

SCREW, 1/2 x 5/8 sq-hd cup-pt set

1шт.

12

SA2017

SPRING

pressure rod

1шт.

Выбрано товаров: 32