Запчасти Case IH 187 (D-11) - SHOVEL COVERING ATTACHMENT, PIN BREAK

Схема запчастей Case IH 187 - (D-11) - SHOVEL COVERING ATTACHMENT, PIN BREAK
10
9
6
2
11
14
8
19
7
4
5
3
1
18
FIT
1:1
100%

Артикул

Название

Примечание

Количество

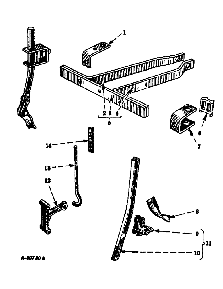
1

PO18466

BRACKET

spring

1шт.

BOLT W/NUT, 3/8 x 1-1/4 mach

1шт.

WASHER, 3/8 lock

1шт.

2

517941R1

RAIL, left frame

1шт.

3

PO12855

BAR, covering frame

1шт.

RIVET, 3/8 x 1 csk-hd

2шт.

RIVET, 3/8 x 1-1/8 rd-hd

2шт.

4

517942R1

RAIL, right frame

1шт.

5

517943R91

FRAME, riveted assembly

1шт.

6

PO960

BLOCK

clamp

1шт.

7

PO12856

CLAMP

standard

1шт.

517033R1

SQUARE NUT

clamp

1шт.

112982

SET SCREW

5/8 x 1-1/2 cup-pt sq-hd set

1шт.

8

26013B

SHOVEL

double point, 2 x 8 in.

1шт.

16237BX

BOLT,Plow, #3 Hd, 3/8" - 16 x 2", Gr 5, W/ Nut & Wshr

W/NUT AND WASHER, 3/8 x 2 special ov-hd

1шт.

WASHER, 15/32 x 1 x 16 ga

1шт.

9

5215

MANUAL, OPERATORS

BREAK-OFF, shovel

1шт.

BOLT W/NUT, 3/8 x 1-1/2 mach

1шт.

10

PO12853

SHANK, covering shovel, 1 in. dia

1шт.

11

PO17780

SUPPORT

SHANK ASSEMBLY

1шт.

12

NLS

NO LONGER SERVICED

ARM, pressure spring rod

1шт.

13

PO18465X

ROD W/NUT, pressure spring

1шт.

NUT, 1/2

1шт.

PIN, 3/16 x 1 self-opening cotter

2шт.

WASHER, 17/32 x 1 x 16 ga

1шт.

14

PO104

VALVE SPRING

SPRING, rod pressure, 27/32 OD, 4 in. long, 17 coils

1шт.

Выбрано товаров: 26