Запчасти Case IH 187 (D-18) - CORN AND PEA HOPPER

Схема запчастей Case IH 187 - (D-18) - CORN AND PEA HOPPER
20
9
28
30
18
56
39
19
27
33
32
13
10
7
40
8
18
2
31
46
6
15
18
45
34
24
21
38
26
36
5
14
41
37
42
29
35
44
12
23
22
43
3
16
1
11
17
FIT
1:1
100%

Артикул

Название

Примечание

Количество

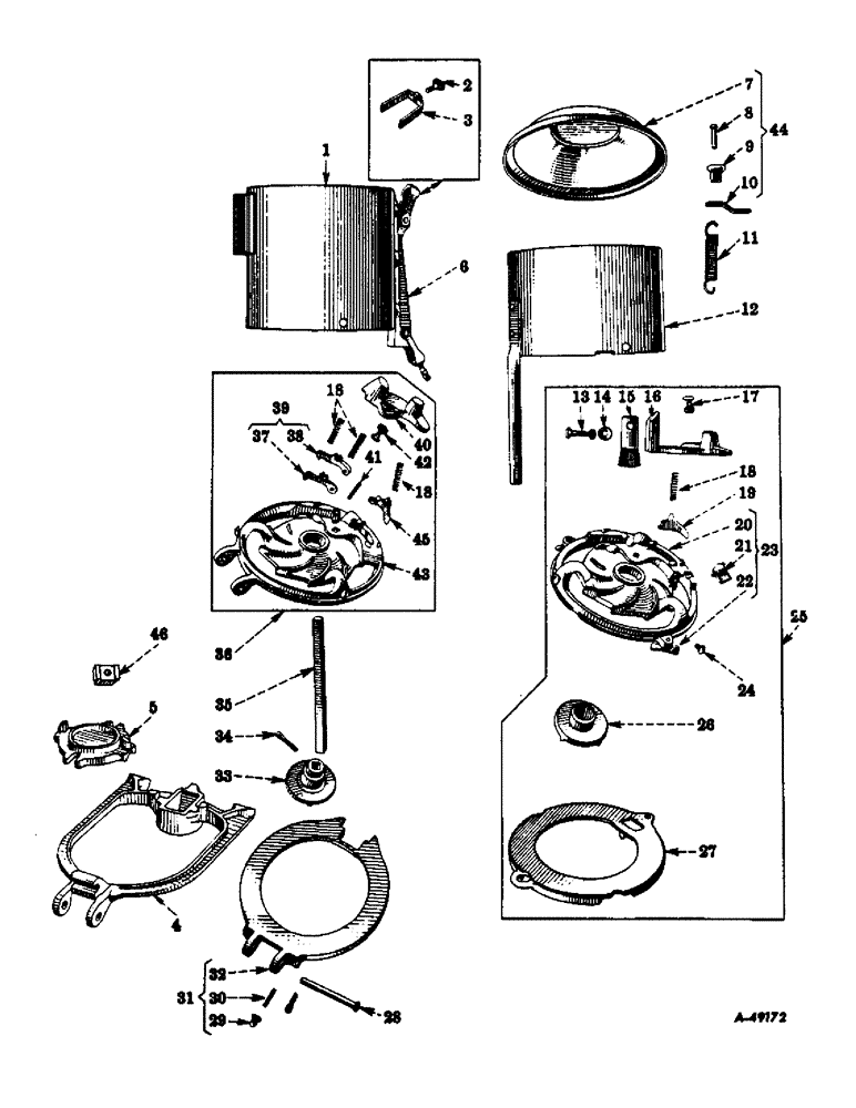
1

23116AC

HOPPER W/PEA CHUTE AND POST BRACKET, corn

1шт.

2

13826A

THUMBSCREW, latch link

1шт.

3

1886AX

LINK W/THUMBSCREW, latch

1шт.

4

520179R1

BRACKET, hopper adapting

1шт.

PIN, 1/8 x 5/8 cotter

1шт.

L418C

HEADED PIN,5/16" x 2 3/8"

PIN, 5/16 x 2-3/8 dld-std-hd

1шт.

5

520180R1

PLATE, hopper driving

1шт.

6

3030A

CHUTE, pea

1шт.

RIVET, 3/16 x 1/2 f-hd

6шт.

7

622113R1

COVER, order 622114R92 cover assy

1шт.

8

104087

RIVET,But Hd, 1/4" x 1 1/4"

1/4 x 1-1/4 rd-hd

1шт.

9

1793A

BUTTON, cover

1шт.

10

2505AA

CONNECTOR, spring

1шт.

11

4A

SPRING

cover, 1/2 ID, 3-27/32 long, 31 coils

1шт.

12

23117AD

HOPPER W/POST, pea

1шт.

13

15038R11

BOLT

W/NUT, 5/16 x 1-1/2 crg

1шт.

14

Q397

WASHER

11/32 x 3/4 x 16 ga

1шт.

15

2250A

BRUSH, COMMUTATOR

BRUSH, cut-off

1шт.

16

3013AB

CAP, pea hopper pawl

1шт.

17

BOLT W/NUT, 5/16 x 3/4 crg

2шт.

18

2064A

SPRING

cut-off, .445 ID, 1-5/8 long, 12 coils, also knock-out pawl spring

1шт.

19

3460AC

KNOCKER

PAWL, pea hopper knock-out

1шт.

20

BOTTOM, pea hopper

1шт.

21

13607AB

HINGE

GATE, pea hopper

1шт.

22

1920AA

LOCK, pea hopper bottom

1шт.

RIVET, 3/16 x 3/4 rd-hd

1шт.

23

23541AB

BOTTOM ASSEMBLY, pea hopper

1шт.

24

114660

SCREW, 5/16 x 3/8 slt-rd-hd mach

6шт.

25

23115AD

BOTTOM ASSEMBLY, pea hopper

1шт.

26

1878A

DISK, pea hopper driving

1шт.

26

1932A

DISK, pea hopper driving, for dropping peas between corn hills

1шт.

27

3029A

PLATE, pea hopper bottom

1шт.

28

M79594

PIN,5/16" x 3 1/4"

5/16 x 3-1/4 dld-std-hd

1шт.

PIN, 1/8 x 5/8 cotter

1шт.

29

13787AA

CAP, spring

1шт.

30

13786AA

SPRING

bottom plate, .2161 OD, 31/32 long, 12-1/2 coils

1шт.

31

43251A

PLATE ASSEMBLY, corn hopper bottom

1шт.

31

620369R11

PLATE ASSEMBLY, corn hopper bottom grooved, for wider grades of corn at higher speed

1шт.

32

3322A

PLATE, corn hopper bottom

1шт.

32

620369R1

PLATE, corn hopper bottom grooved, for wider grades of corn at higher speed

1шт.

33

1877A

DISK, corn hopper driving

1шт.

34

PIN, 3/16 x 1-1/4 cotter

1шт.

35

2580AA

SHAFT, drive

1шт.

36

13174AE

BOTTOM ASSEMBLY, corn hopper

1шт.

37

3003AA

PAWL, inner cut-off, order 23936A pawl assembly

1шт.

38

3004AA

PAWL, outer cut-off, order 23936A pawl assembly

1шт.

39

23936A

PAWL

ASSEMBLY

1шт.

40

3005AB

CAP, corn hopper pawl

1шт.

41

2000A

PIN, pawl hinge

1шт.

42

14994R11

BOLT,5/16" - 18 x 3/4"

W/NUT, 5/16 x 3/4 crg

1шт.

43

BOTTOM, corn hopper

1шт.

44

622114R92

COVER ASSEMBLY, pea hopper

1шт.

45

464336R11

KNOCKER

ARM, roller knocker, 1960 and since

1шт.

45

1118AC

PAWL

corn hopper knock-out, order 464336R11

1шт.

46

524402R1

BLOCK, drive spring spacer

1шт.

BOLT W/NUT, 1/4 x 1 mach

1шт.

WASHER, 1/4 lock

1шт.

464259R1

ROLLER

KNOCKER, roller, 1960 and since

1шт.

3017A

DEFLECTOR, boot bracket

1шт.

Выбрано товаров: 59