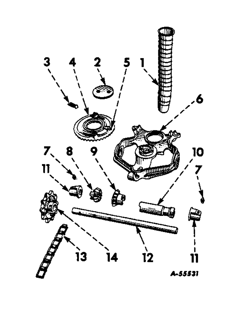
Запчасти Case IH 187 (D-03) - HOPPER BRACKET AND FEED SHAFT

Схема запчастей Case IH 187 - (D-03) - HOPPER BRACKET AND FEED SHAFT
11
8
11
4
2
10
7
13
12
9
1
7
3
5
14
6
FIT
1:1
100%

Артикул

Название

Примечание

Количество

1

526688R1

TUBE, seed

1шт.

15007R1

CARRIAGE BOLT,Sq Nk, 5/16" - 18 x 1", Gr 2

BOLT, CARRIAGE, Short NK, 5/16"-18 x 1", G2

1шт.

129-419

WING NUT,5/16"-18

NUT, 5/16 wing

1шт.

Q397

WASHER

11/32 x 3/4 x 16 ga

1шт.

2

462502R1

RETAINER

gear, 1959 and since

1шт.

2

621709R1

RETAINER, gear, Serial Range: 1953-1959

1шт.

113989

1/4 x 5/8 sltd-hd mach

2шт.

114616

WASHER

1/4 csk external-tooth lock

2шт.

3

524401R2

SPRING

drive, Serial Range: 1959-1960

1шт.

SCREW, 1/4 x 5/16 cap

1шт.

4

622120R21

GEAR

ASSY, double ring, 1960 and since

1шт.

4

524400R11

GEAR W/FITTING, double ring, Serial Range: 1959-1960

1шт.

5

125617

LUBE NIPPLE,3/16" x .61 lg, Drive

FITTING, 3/16 straight drive type lub

1шт.

6

462500R2

FRAME

BRACKET, hopper, 1959 and since

1шт.

6

621705R4

BRACKET

hopper, Serial Range: 1953-1959

1шт.

18898R1

BOLT, 5/16 x 2-1/4 C-Z sq-hd

2шт.

13959R1

BOLT, 1/2 x 2-1/4 sq-hd mach

2шт.

129-419

WING NUT,5/16"-18

NUT, 5/16 wing

2шт.

102637

NUT,1/2"-13, G5

2шт.

103323

LOCK WASHER,1/2"

WASHER, LOCK, 1/2"

2шт.

7

109461

LUBE NIPPLE,1/8"-27 x .66 lg

NIPPLE, LUBE, 1/8"-27 x .66 lg

1шт.

8

622122R2

GEAR

PINION, 12-T, order 471196R1

1шт.

8

471196R1

GEAR WHEEL

PINION, 12-T

1шт.

9

622121R2

PINION

10-T

1шт.

10

622123R2

BLOCK DRIVER

SLEEVE, driving

1шт.

11

PO2507

BEARING

feed shaft

1шт.

12

523184R1

SHAFT

feed, Serial Range: 1959-1966

1шт.

12

483477R1

SHAFT, 1966 and since

1шт.

Q3514

HEADED PIN,1/4" x 1 9/16"

PIN, 1/4 x 1-9/16

1шт.

13042R1

AXLE PIN,1/8" x 3/4"

Pin, Split (Cotter), , self-opening 1/8" x 3/4"

1шт.

33405A

WASHER

WASHER, 25/32 x 1-1/8 x 22 ga spec

3шт.

13

CHAIN, feed shaft drive, use 48 no. 32 steel links from a 10 ft roll no. CS-32

1шт.

23072A

LINKS, extra, 4 links no. 32 chain

1шт.

14

PO1763

DRIVE SPROCKET

SPROCKET, 7-T

1шт.

14

PO3704AX

SPROCKET ASSY, 10-T

1шт.

102893

SCREW, 3/8 x 5/8 cup-pt set

1шт.

13042R1

AXLE PIN,1/8" x 3/4"

Pin, Split (Cotter), , self-opening 1/8" x 3/4"

1шт.

Q3514

HEADED PIN,1/4" x 1 9/16"

PIN, 1/4 x 1-9/16 cotter

1шт.

Выбрано товаров: 38