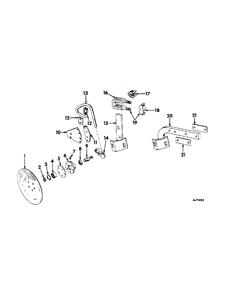
Запчасти Case IH 188 (C-32) - DISK FURROWING ATTACHMENT AND SCRAPER, 15 IN.

Схема запчастей Case IH 188 - (C-32) - DISK FURROWING ATTACHMENT AND SCRAPER, 15 IN.
6
20
12
3
17
7
12
15
10
13
4
14
2
8
21
21
11
18
9
16
5
19
1
FIT
1:1
100%

Артикул

Название

Примечание

Количество

1

518450R91

DISK ASSEMBLY

1шт.

1

518443R1

DISC

DISK, 15 in. dia

1шт.

RIVET, 1/4 x 7/8 rd-hd

5шт.

2

515440R1

SNAP RING,#98, Ext

Ring, Snap, , disk spindle #98, Ext

1шт.

3

456736R1

SNAP RING,2.062", Int, #206

Ring, Snap, , disk hub 2.062", Int, #206

1шт.

4

54169D

BEARING ASSY,0.9843" ID x 2.0472" OD x 0.8125"

BEARING, disk hub ball

1шт.

5

518445R1

GASKET

disk hub

1шт.

6

518431R11

HUB

W/FITTING

1шт.

7

125617

LUBE NIPPLE,3/16" x .61 lg, Drive

FITTING, 3/16 drive type lubrication

1шт.

8

518449R91

SEAL

OIL SEAL, disk hub

1шт.

9

518436R11

SPINDLE W/NUT

1шт.

427639

SLOTTED NUT,3/4"-16, G5

NUT, 3/8 unf slt

1шт.

PIN, 1/8 x 1-1/8 self-opening cotter

1шт.

10

518441R1

SUPPORT

BLADE, scraper

1шт.

11

518444R1

PAD

EDGE, scraper

1шт.

NUT, 1/4

4шт.

113957

SCREW,Sl Rnd Hd, 1/4" - 20 x 3/4"

1/4 x 3/4 slt-rd-hd mach

4шт.

WASHER, 1/4 lock

4шт.

WASHER, 9/32 x 3/4 x 18 ga

4шт.

12

518432R1

CLAMP

scraper arm

1шт.

BOLT W/NUT, 3/8 x 2 crg

1шт.

WASHER, 3/8 lock

1шт.

13

518435R1

ROD

ARM, scraper

1шт.

14

465147R1

BRACKET, disk spindle scraper LH

1шт.

14

465148R1

BRACKET, disk spindle scraper RH

1шт.

102905

SET SCREW,Sq Hd, 7/16"-14 x 3/4"

SCREW, 7/16 x 3/4 sq-hd cup-pt set

1шт.

15

465149R91

STANDARD, disk LH

1шт.

15

465150R91

STANDARD, disk RH

1шт.

16

28642BX

U-BOLT W/NUTS

1шт.

NUT, 3/4

2шт.

17

1790B

BLOCK, standard

1шт.

18

1814B

CAP, u-bolt

1шт.

19

28643B

CLAMP W/U-BOLT

1шт.

20

465141R91

BAR, disk attaching LH

1шт.

20

465142R91

BAR, disk attaching RH

1шт.

21

465146R1

PLATE, attaching bar filler

1шт.

BOLT W/NUT, 7/16 x 3 mach

1шт.

WASHER, 7/16 lock

1шт.

Выбрано товаров: 38