Запчасти Case IH 284 (A-43) - MARKER, FOUR-ROW

Схема запчастей Case IH 284 - (A-43) - MARKER, FOUR-ROW
22
20
9
19
6
13
5
12
24
16
11
23
15
1
23
7
18
14
8
3
2
21
4
11
10
17
FIT
1:1
100%

Артикул

Название

Примечание

Количество

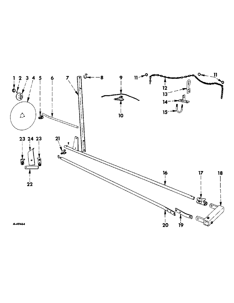
1

3786

BEARING WASHER

WASHER, hub

1шт.

2

110161

FITTING, 3/16 drive type straight lub.

1шт.

3

PO1752A

HUB, disk

1шт.

4

S3946

DISK, marker 14 in.

1шт.

RIVET, 5/16 x 7/8 rd-hd

3шт.

4

PO16198

DISK W/HUB

1шт.

5

PO1428

ANCHOR, marker

1шт.

6

519418R2

AXLE, disk

1шт.

PIN, 1/4 x 1-1/2 self-opening cot.

1шт.

7

524974R1

EXTENSION, lift plate

1шт.

BOLT W/NUT, 3/8 x 1 mach

2шт.

WASHER, 3/8 lock

2шт.

8

PO12729

HOOK

extension, S

1шт.

9

ROPE, marker, 1/4 x 28 ft., purchase

1шт.

10

PO15110A

HANDLE, rope

1шт.

11

524976R1

RING, chain locating

1шт.

12

524921R91

CHAIN, marker, 57 links

1шт.

13

524962R1

GUIDE, rope

1шт.

BOLT W/NUT, 3/8 x 1-1/2 mach

1шт.

WASHER, 3/8 lock

1шт.

14

524973R11

BRACKET, rope hanger, for Farmall 300, 350, 400 and 450 tractors, 1957 and 1965

1шт.

14

526198R11

BRACKET, rope hanger, for Farmall 460 and 560 tractors, Serial Range: 1957-1965

1шт.

15

520901R11

U-BOLT W/NUTS, rope hanger, for Farmall 300, 350, 400 and 450 tractors, Serial Range: 1957-1965

1шт.

15

526197R11

U-BOLT W/NUTS, rope hanger, for Farmall 460 and 560 tractors, Serial Range: 1957-1965

1шт.

NUT, 7/16

2шт.

WASHER, 7/16 lock

2шт.

16

524975R11

PIPE

1шт.

114503

JAM NUT,Jam, 3/8"-16, G5

1шт.

485-13816

SET SCREW,Sq Hd, 3/8"-16 x 1"

SCREW, 3/8 x 1 cup-pt sq-hd set

1шт.

17

PO3162

KNUCKLE, attaching bracket

1шт.

BOLT W/NUT, 1/2 x 2-1/4 mach

1шт.

PIN, 3/16 x 1 self-opening cot.

1шт.

N62023

PIN, 5/8 x 1-7/16 dld-std-hd

1шт.

18

524971R91

BRACKET, attaching

1шт.

110450

SET SCREW,Sq Hd, 1/2"-13 x 1"

Cup Pt Sq Hd, 1/2"-13 x 1"

4шт.

19

520665R1

STRAP, pivot friction

1шт.

BOLT W/NUT, 5/16 x 1 mach

2шт.

BOLT W/NUT, 1/2 x 1-1/2 mach

1шт.

WASHER, 5/16 lock

2шт.

WASHER, 1/2 lock

1шт.

WASHER, 11/32 x 7/8 x 16 ga

2шт.

WASHER, 17/32 x 1-1/4 x 16 ga

1шт.

20

520595R11

PIPE, pull

1шт.

21

4766

TUBE

COLLAR, pull pipe

1шт.

BOLT W/NUT, 3/8 x 1-3/4 crg

1шт.

22

512629R1

SLEEVE, shoe

1шт.

PIN, 1/4 x 1-1/2 self-opening cot.

1шт.

23

PO3232

COLLAR, shoe stop

1шт.

BOLT W/NUT, 3/8 x 1-3/4 mach

1шт.

24

33754A

SHOE, left

1шт.

24

33753A

SHOE, right

1шт.

Выбрано товаров: 51