Запчасти Case IH 296 (AA-03) - PARALLEL FRAME, 1969 TO 1974

Схема запчастей Case IH 296 - (AA-03) - PARALLEL FRAME, 1969 TO 1974
13
17
8
22
28
5
24
16
18
26
19
4
3
19
15
24
11
3
1
4
20
23
27
7
25
10
25
14
12
9
23
2
21
6
9
FIT
1:1
100%

Артикул

Название

Примечание

Количество

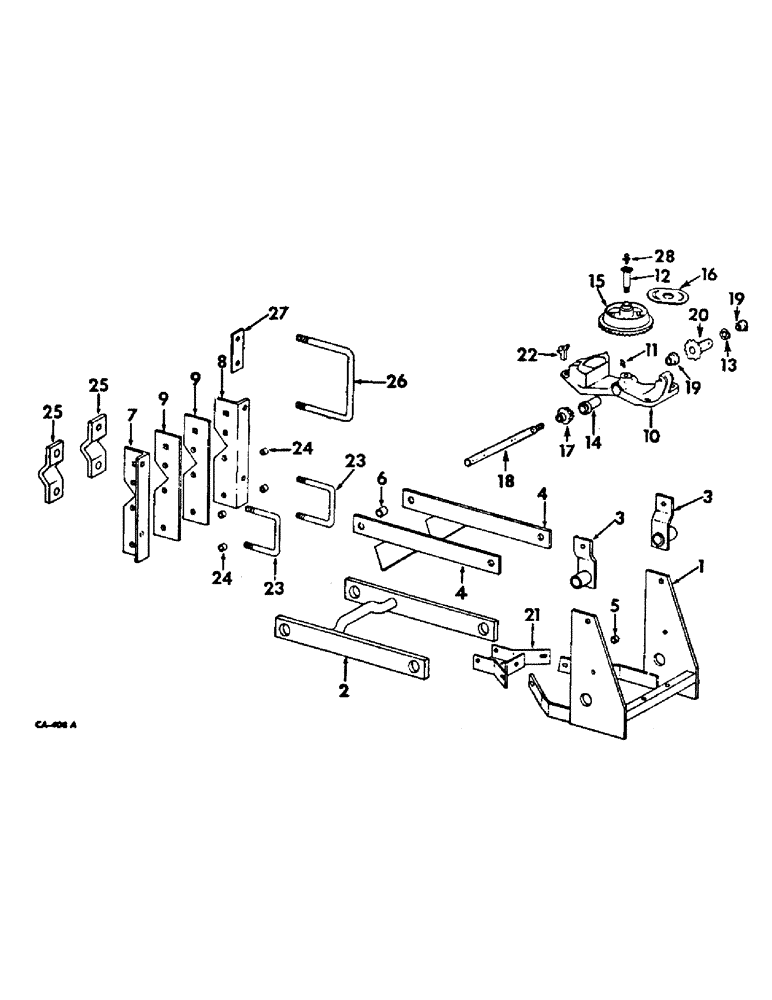
1

492632R1

FRAME

ASSY, parallel

2шт.

2

492637R1

BAR

ASSY, lower link

2шт.

413-1036

BOLT,Hex, 5/8" - 11 x 2-1/4", Gr 5

SCREW, 5/8-11 x 2-1/4 znd hex-hd cap

4шт.

492-11062

BEARING WASHER,5/8"

WASHER, LOCK, 5/8"

4шт.

124589

BALL STUD,Hex, 5/8" - 11 x 2", Gr 5

5/8-11 C-Z hex.

4шт.

17148R1

BOLT,Short NK, 1/2"-13 x 2 1/4", G2

1/2 x 2-1/4 znd sq-nk crg

4шт.

120384

WASHER,1/2"

LOCK, 1/2"

4шт.

120378

NUT,Hex, 1/2" - 13, Gr 5

NUT, 1/2"-13, G5

4шт.

3

492640R1

BRACKET ASSY, brg

4шт.

18495R1

BOLT,Hex, 3/8" - 16 x 1 1/4", Gr 2

3/8 x 1-1/4 znd hex-hd mach

4шт.

120382

LOCK WASHER,Helical Spring, 3/8"

WASHER, LOCK, 3/8"

4шт.

120377

NUT,3/8" - 16, Gr 5

4шт.

4

492641R1

BAR

ASSY, upper parallel

4шт.

180179

BOLT,Hex, 1/2" - 13 x 1 3/4", Gr 5

SCREW, 1/2-13 x 1-3/4 znd hex-hd cap

4шт.

460908R1

WASHER

17/32 x 1-1/2 x 11 ga C-Z

4шт.

120384

WASHER,1/2"

LOCK, 1/2"

4шт.

120378

NUT,Hex, 1/2" - 13, Gr 5

NUT, 1/2"-13, G5

4шт.

5

482469R1

BUSHING

upper parallel rear

4шт.

6

492652R1

SPACER

4шт.

7

492643R1

ANGLE

head bracket LH

2шт.

8

492644R1

ANGLE

head bracket RH

2шт.

9

492645R1

BAR

PLATE, head bracket

4шт.

10

492646R1

BRACKET

hopper

2шт.

18684R1

BOLT,Sht Sq Nk, 3/8" - 16 x 1 1/4", Gr 2

3/8 x 1-1/4 znd sq-nk crg

2шт.

18686R1

CARRIAGE BOLT,Short Nk, 3/8" - 16 x 2 1/4", Gr 2

BOLT, 3/8 x 2-1/4 znd sq-nk crg

4шт.

120382

LOCK WASHER,Helical Spring, 3/8"

WASHER, LOCK, 3/8"

6шт.

120377

NUT,3/8" - 16, Gr 5

6шт.

11

86636814

LUBE NIPPLE,1/4"-28 x .52" lg

FITTING, 1/4-28NF-2 STR lub

4шт.

12

472119R1

STUD,1/2" - 13 x 2 23/64"

BOLT, ring gear hub

2шт.

13

542438R1

SPRING WASHER

spring

1шт.

14

492648R1

BUSHING,0.875" ID x 1.3" OD x 2.595"

hopper bracket

2шт.

15

492649R1

GEAR

ring 40T

2шт.

16

492651R1

PLATE

timing

2шт.

180077

BOLT,Hex, 5/16" - 18 x 3/4", Gr 5

SCREW, 5/16-18 x 3/4 znd hex-hd cap

4шт.

134238R1

WASHER

11/32 x 1 x 16 ga C-Z

4шт.

80681

LOCK WASHER,5/16"

WASHER, LOCK, 5/16"

4шт.

17

492758R1

GEAR

seed hopper drive

2шт.

18

492653R2

SHAFT, main drive

2шт.

178591

LOCK WASHER,Ext-Int Tooth, 1/2"

WASHER, 1/3 C-Z int-ext tooth lock

2шт.

608701R1

WASHER

21/32 x 1-1/4 x 16 ga C-Z

2шт.

120378

NUT,Hex, 1/2" - 13, Gr 5

NUT, 1/2"-13, G5

2шт.

187988

COTTER PIN,3/16" x 1 1/4"

PIN, SPLIT (COTTER), 3/16" x 1 1/4"

6шт.

19

492654R1

ADAPTER

sprocket

2шт.

20

492675R1

SPROCKET ASSY.

SPROCKET ASSY, 12T, for hill drop

2шт.

21

492678R1

BRACKET

ASSY, att

2шт.

18779R1

BOLT,Hex, 3/8"-16 x 1 1/2", Gr 2

3/8 x 1-1/2 znd hex-hd mach

4шт.

120382

LOCK WASHER,Helical Spring, 3/8"

WASHER, LOCK, 3/8"

6шт.

169668R1

WASHER, 13/32 x 3/4 x 16 ga C-Z

8шт.

120377

NUT,3/8" - 16, Gr 5

6шт.

18495R1

BOLT,Hex, 3/8" - 16 x 1 1/4", Gr 2

3/8 x 1-1/4 znd hex-hd mach

2шт.

22

541905R1

NUT

locking assy, replaces 492682R1

2шт.

18899R1

BOLT,Sq Hd, 5/16"-18 x 2 1/2", G2

5/16 x 2-1/2 znd sq-hd mach

2шт.

23

482487R1

BOLT,5/8" - 11 x 1.6"

U-BOLT, tool bar att, for 2-1/4 or 2-1/2 in. sq. tool bar

4шт.

492-11062

BEARING WASHER,5/8"

WASHER, LOCK, 5/8"

8шт.

280374

NUT,Hex, 5/8" - 11, Gr 5

5/8-11 C-Z hex.

8шт.

24

573713R1

SPACER,3/4" Tube x 11/16"

8шт.

180183

BOLT,Hex, 1/2" - 13 x 2 1/4", Gr 5

SCREW, 1/2-13 x 2-1/4 znd hex-hd

8шт.

120384

WASHER,1/2"

LOCK, 1/2"

8шт.

120378

NUT,Hex, 1/2" - 13, Gr 5

NUT, 1/2"-13, G5

8шт.

25

482486R1

CLAMP

head bracket, for 2-1/4 or 2-1/2 in. sq. tool bar

4шт.

26

492942R1

BOLT

U-BOLT, planter att, for 326 planter carrier

4шт.

124589

BALL STUD,Hex, 5/8" - 11 x 2", Gr 5

5/8-11 C-Z hex.

8шт.

27

493998R1

STOP

parallel linkage, for 326 planter carrier

4шт.

28

126098R1

FITTING, 5/16 drive str lub

2шт.

Выбрано товаров: 64