Запчасти Case IH 296 (AA-05) - PARALLEL FRAME, 1974 AND SINCE

Схема запчастей Case IH 296 - (AA-05) - PARALLEL FRAME, 1974 AND SINCE
22
26
1
12
18
9
29
15
3
27
16
19
23
31
23
29
13
4
24
5
8
10
6
24
2
21
7
31
19
17
20
25
3
14
9
28
25
30
17
FIT
1:1
100%

Артикул

Название

Примечание

Количество

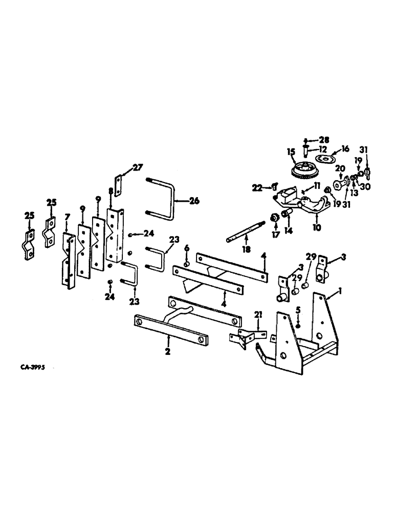
1

492632R1

FRAME

ASSY, parallel

2шт.

2

492637R2

BAR

ASSY, lower link

2шт.

271724

PIN,Hex, 5/8" - 11 x 2 1/4", Gr 5

SCREW, 5/8-11 x 2-1/4 znd hex-hd cap

4шт.

492-11062

BEARING WASHER,5/8"

WASHER, LOCK, 5/8"

4шт.

280374

NUT,Hex, 5/8" - 11, Gr 5

5/8-11 C-Z hex.

4шт.

17148R1

BOLT,Short NK, 1/2"-13 x 2 1/4", G2

1/2 x 2-1/4 znd sq-nk crg

4шт.

120384

WASHER,1/2"

LOCK, 1/2"

4шт.

120378

NUT,Hex, 1/2" - 13, Gr 5

NUT, 1/2"-13, G5

4шт.

3

61251C91

BRACKET

ASSY, bearing RH

2шт.

3

61255C91

BRACKET ASSY, LH

2шт.

18495R1

BOLT,Hex, 3/8" - 16 x 1 1/4", Gr 2

3/8 x 1-1/4 znd hex-hd mach

1шт.

120382

LOCK WASHER,Helical Spring, 3/8"

WASHER, LOCK, 3/8"

4шт.

120377

NUT,3/8" - 16, Gr 5

4шт.

4

492641R1

BAR

ASSY, upper parallel

4шт.

180179

BOLT,Hex, 1/2" - 13 x 1 3/4", Gr 5

SCREW, 1/2-13 x 1-3/4 znd hex-hd cap

4шт.

460908R1

WASHER

17/32 x 1-1/2 x 11 ga C-Z

4шт.

120384

WASHER,1/2"

LOCK, 1/2"

4шт.

120378

NUT,Hex, 1/2" - 13, Gr 5

NUT, 1/2"-13, G5

4шт.

5

482469R1

BUSHING

upper parallel rear

4шт.

6

492652R1

SPACER

4шт.

7

492643R1

ANGLE

head bracket LH

2шт.

8

492644R1

ANGLE

head bracket RH

2шт.

9

492645R1

BAR

PLATE, head bracket

4шт.

10

492646R1

BRACKET

hopper

2шт.

18684R1

BOLT,Sht Sq Nk, 3/8" - 16 x 1 1/4", Gr 2

3/8 x 1-1/4 znd sq-nk crg

2шт.

18686R1

CARRIAGE BOLT,Short Nk, 3/8" - 16 x 2 1/4", Gr 2

BOLT, 3/8 x 2-1/4 znd sq-nk crg

4шт.

120382

LOCK WASHER,Helical Spring, 3/8"

WASHER, LOCK, 3/8"

6шт.

120377

NUT,3/8" - 16, Gr 5

6шт.

11

126098

FITTING

5/6 drive STR lub

2шт.

12

472119R1

STUD,1/2" - 13 x 2 23/64"

BOLT, ring gear hub

2шт.

13

542438R1

SPRING WASHER

spring

1шт.

137253

PIN, 3/16 x 1-5/8 znd ext prong cot.

2шт.

14

492648R1

BUSHING,0.875" ID x 1.3" OD x 2.595"

hopper bracket

2шт.

15

492649R1

GEAR

ring 40T

2шт.

16

492651R1

PLATE

timing

2шт.

18007

SPARE PART

SCREW, 5/16-18 x 3/4 znd hex-hd cap

4шт.

134238R1

WASHER

11/32 x 1 x 16 ga C-Z

4шт.

80681

LOCK WASHER,5/16"

WASHER, LOCK, 5/16"

4шт.

17

492758R1

GEAR

seed hopper drive

2шт.

18

61256C1

SHAFT

main drive

2шт.

608701R1

WASHER

21/32 x 1-1/4 x 16 ga C-Z

2шт.

19

61257C1

HUB

sprocket

4шт.

20

492675R1

SPROCKET ASSY.

SPROCKET ASSY, 12T

2шт.

21

492678R1

BRACKET

ASSY, att

2шт.

18779R1

BOLT,Hex, 3/8"-16 x 1 1/2", Gr 2

3/8 x 1-1/2 znd hex-hd mach

4шт.

120382

LOCK WASHER,Helical Spring, 3/8"

WASHER, LOCK, 3/8"

6шт.

120377

NUT,3/8" - 16, Gr 5

6шт.

18495R1

BOLT,Hex, 3/8" - 16 x 1 1/4", Gr 2

3/8 x 1-1/4 znd hex-hd mach

2шт.

22

541905R1

NUT

locking assy, replaces 492682R1

2шт.

18899R1

BOLT,Sq Hd, 5/16"-18 x 2 1/2", G2

5/16 x 2-1/2 znd sq-hd mach

2шт.

23

482487R1

BOLT,5/8" - 11 x 1.6"

U-BOLT, tool bar att, for 2-1/4 or 2-1/2 in. sq. tool bar

4шт.

492-11062

BEARING WASHER,5/8"

WASHER, LOCK, 5/8"

8шт.

124589

BALL STUD,Hex, 5/8" - 11 x 2", Gr 5

5/8-11 C-Z hex.

8шт.

24

573713R1

SPACER,3/4" Tube x 11/16"

8шт.

180183R1

SCREW, 1/2-13 x 2-1/4 znd hex-hd

8шт.

120384

WASHER,1/2"

LOCK, 1/2"

8шт.

120378

NUT,Hex, 1/2" - 13, Gr 5

NUT, 1/2"-13, G5

8шт.

25

482486R1

CLAMP

head bracket, for 2-1/4 or 2-1/2 in. sq. tool bar

4шт.

26

492942R1

BOLT

U-BOLT, planter att, for 326 planter carrier

4шт.

280374

NUT,Hex, 5/8" - 11, Gr 5

5/8-11 C-Z hex.

8шт.

27

493998R1

STOP

parallel linkage, for 326 planter carrier

4шт.

28

126098R1

FITTING, 5/16 drive STR lub

2шт.

29

61254C1

BUSHING

BEARING, pivot

4шт.

19688R1

LUBE NIPPLE,1/4"-28 x .44" lg

FITTING, 1/4-28 STR taper THRD

2шт.

30

551854R1

WASHER

retaining

1шт.

31

373025R91

PIN ASSY.

PIN, quick attachable

1шт.

21648R1

LOCK PIN,1/4" x 1 1/4", Slotted

PIN, 1/8 x 3/4 C-Z extended prong cot.

2шт.

Выбрано товаров: 0