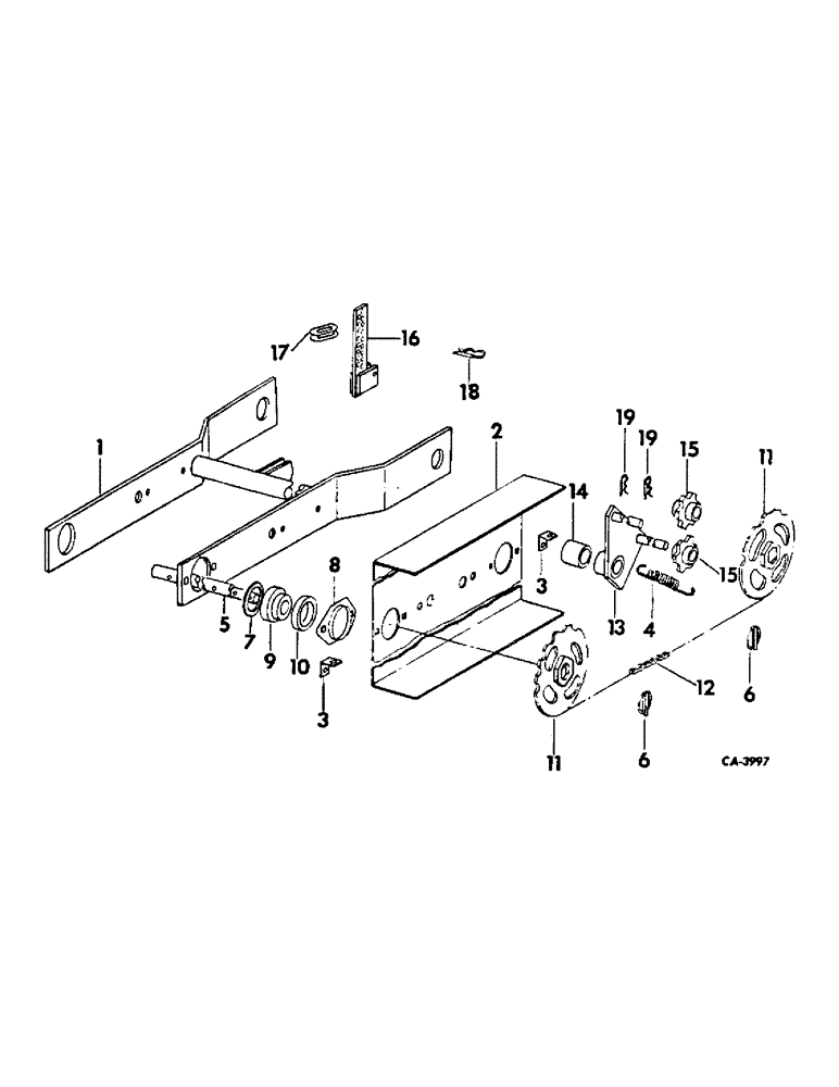
Запчасти Case IH 296 (AA-08) - PRESS WHEEL FRAME, 1974 AND SINCE

Схема запчастей Case IH 296 - (AA-08) - PRESS WHEEL FRAME, 1974 AND SINCE
15
3
2
18
1
11
19
14
6
4
19
6
7
15
7
3
12
11
16
10
5
13
17
8
FIT
1:1
100%

Артикул

Название

Примечание

Количество

1

61262C1

FRAME

ASSY, press wheel

2шт.

2

61260C1

GUARD

chain

2шт.

3

61261C1

CLIP

spring tightener

4шт.

180077

BOLT,Hex, 5/16" - 18 x 3/4", Gr 5

SCREW, 5/16 x 3/4 znd hex-hd cap

2шт.

80681

LOCK WASHER,5/16"

WASHER, LOCK, 5/16"

2шт.

120376

NUT,5/16"-18, G5

2шт.

4

PO7

SPRING

chain tightener

2шт.

5

61264C1

AXLE

press wheel

2шт.

21887R1

HEADED PIN,1/4" x 1 5/8"

PIN, 1/4 x 1-5/8 C-Z std-hd

2шт.

648002

KNIFE

1/8" x 3/4", extended prong

2шт.

6

373025R91

PIN ASSY.

PIN, QA

2шт.

21648R1

LOCK PIN,1/4" x 1 1/4", Slotted

Pin, 1/4" x 1 1/4", Slotted

2шт.

7

551854R1

WASHER

retaining

2шт.

8

492665R1

FLANGE

TTE, bearing

8шт.

9

165482C91

BEARING ASSY,19.05mm ID x 42mm OD x 12mm W

w/o locking collar

4шт.

10

165483C11

BEARING

COLLAR W/SETSCREW, locking

4шт.

12872R1

BOLT,Short NK, 5/16"-18 x 1", G2, Full Thd

CARRIAGE, Short NK, 5/16"-18 x 1", G2, Full Thd

8шт.

80681

LOCK WASHER,5/16"

WASHER, LOCK, 5/16"

8шт.

120376

NUT,5/16"-18, G5

8шт.

11

492675R1

SPROCKET ASSY.

SPROCKET ASSY, 12T

2шт.

11

61258C1

SPROCKET ASSY.

SPROCKET, 6T

2шт.

11

546517R1

SPROCKET ASSY.

SPROCKET, 8T

2шт.

11

546514R1

SPROCKET ASSY.

SPROCKET, 10T

2шт.

11

484196R2

SPROCKET ASSY.

SPROCKET, 17T

2шт.

11

61259C1

SPROCKET ASSY.

SPROCKET, 19T

2шт.

12

CHAIN, drive, use 61 links from 10 ft. roll marked 569088R91 & 1 connecting link 457113R91 & 4 offset link 457114R91

1шт.

13

61266C1

LEVER

TIGHTENER ASSY, chain LH

1шт.

13

61267C1

TIGHTENER ASSY, chain RH

1шт.

14

61270C1

SPACER

BUSHING

1шт.

18825R1

BOLT,Hex, 5/8" - 11 x 2 3/4", Gr 2

5/8 x 2-3/4 hex-hd mach

2шт.

608701R1

WASHER

.656 x 1.25 x .054 znd

2шт.

492-11062

BEARING WASHER,5/8"

WASHER, LOCK, 5/8"

2шт.

124589

BALL STUD,Hex, 5/8" - 11 x 2", Gr 5

5/8-11 znd hex.

2шт.

15

472344R2

DRIVE SPROCKET

SPROCKET, 6T idler

4шт.

20869R1

WASHER

17/32 x 7/8 x 16 ga znd

1шт.

16

546976R1

STRAP

ASSY, depth adj

2шт.

17

100095C1

BAR

WASHER, press wheel adj

1шт.

17

546974R1

WASHER

press wheel adj

1шт.

24554R1

HEADED PIN,3/8" x 1"

PIN, 3/8 x 1 C-Z std-hd hardened

2шт.

648002

KNIFE

1/8" x 3/4", extended prong

2шт.

18

473865R91

LINCH PIN

PIN ASSY, depth stop

4шт.

20465R1

LOCK PIN,1/4" x 3 1/2", Slotted

Pin, 1/4" x 3 1/2", Slotted

4шт.

19

21632R1

COTTER PIN

PIN

6шт.

Выбрано товаров: 43