Запчасти Case IH 326 (AB-08) - HYDRAULIC MARKER ATTACHMENT

Схема запчастей Case IH 326 - (AB-08) - HYDRAULIC MARKER ATTACHMENT
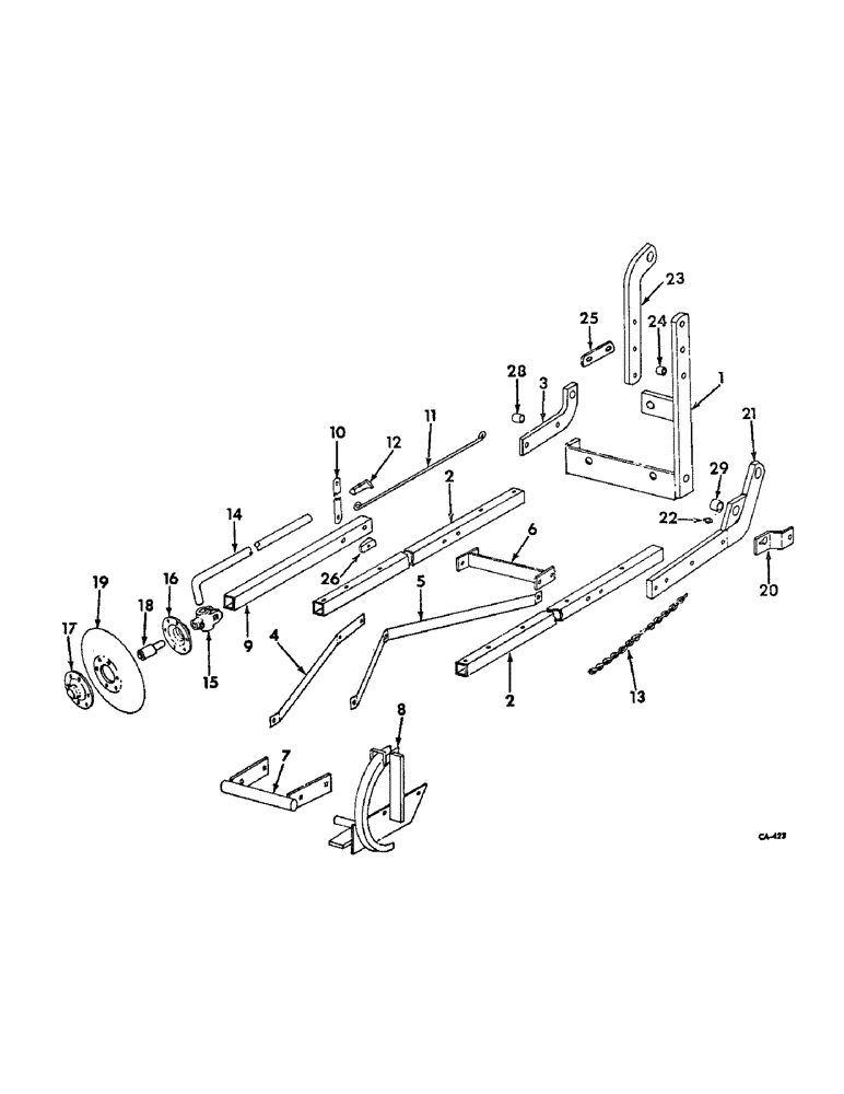
12
29
21
18
11
22
6
20
5
9
26
13
19
2
8
2
5
16
10
7
23
28
4
14
17
15
3
24
FIT
1:1
100%

Артикул

Название

Примечание

Количество

1

493937R1

PIVOT ASSY, marker LH

1шт.

1

493938R1

PIVOT ASSY, marker RH

1шт.

87403

BOLT,Hex, 3/4" - 10 x 2 1/4", Gr 5

2шт.

413-1240

BOLT,Hex, 3/4" - 10 x 2-1/2", Gr 5

Hex, 3/4"-10 x 2-1/2", G5

1шт.

87337

BOLT,Hex, 3/4" - 10 x 3", Gr 5

2шт.

413-1044

BOLT,Hex, 5/8" - 11 x 2-3/4", Gr 5

SCREW, 3/4-10 x 3-1/4 znd hex-hd cap

1шт.

87340

LOCK WASHER,Helical Spring, 0.759" ID, CST, ZND

WASHER, LOCK, 3/4"

6шт.

280954

NUT,3/4"-10, G5

6шт.

2

493944R1

TUBE

frame, for 6-row

4шт.

2

489754R1

TUBE

frame, for 8-row

4шт.

3

489755R1

BRACKET, LH

1шт.

3

489756R1

BRACKET, RH

1шт.

180188

BOLT,Hex, 1/2" - 13 x 2 3/4", Gr 5

SCREW, 1/2-13 x 2-3/4 znd hex-hd cap

8шт.

120384

WASHER,1/2"

LOCK, 1/2"

8шт.

120378

NUT,Hex, 1/2" - 13, Gr 5

NUT, 1/2"-13, G5

8шт.

4

493945R1

BRACE

frame, for 6-row

2шт.

113-257

BOLT,Hex, 3/8" - 16 x 2-1/2", Gr 5

SCREW, 3/8-16 x 2-1/2 znd hex-hd cap

4шт.

120382

LOCK WASHER,Helical Spring, 3/8"

WASHER, LOCK, 3/8"

4шт.

120377

NUT,3/8" - 16, Gr 5

4шт.

5

489761R1

SUPPORT

BRACE, frame, for 8-row

2шт.

113-257

BOLT,Hex, 3/8" - 16 x 2-1/2", Gr 5

SCREW, 3/8-16 x 2-1/2 znd hex-hd cap

6шт.

120382

LOCK WASHER,Helical Spring, 3/8"

WASHER, LOCK, 3/8"

6шт.

120377

NUT,3/8" - 16, Gr 5

6шт.

6

493946R1

BRACKET

ASSY, tube, for 8-row

2шт.

180138

BOLT,Hex, 3/8" - 16 x 3", Gr 5

SCREW, 3/8-16 x 3 znd hex-hd cap

4шт.

120382

LOCK WASHER,Helical Spring, 3/8"

WASHER, LOCK, 3/8"

4шт.

120377

NUT,3/8" - 16, Gr 5

4шт.

7

489758R1

TUBE

PIPE ASSY

2шт.

20314R1

BOLT,Short NK, 1/2"-13 x 2 1/2", G2

1/2 x 2-1/2 znd sq-nk crg

8шт.

18710R1

CARRIAGE BOLT,Sq Nk, 1/2" - 13 x 3", Gr 2

BOLT, 1/2 x 3 znd sq-nk crg

2шт.

120384

WASHER,1/2"

LOCK, 1/2"

8шт.

120378

NUT,Hex, 1/2" - 13, Gr 5

NUT, 1/2"-13, G5

8шт.

8

489774R1

PULLEY

ASSY, LH

1шт.

8

489775R1

PULLEY

ASSY, RH

1шт.

21761R1

WASHER

29/32 x 1-1/2 x 16 ga C-Z

4шт.

21636R1

PIN, 1/4 x 1-1/2 C-Z self-opening cot.

2шт.

520175R1

CLIP

PIN, quick attachable cot.

2шт.

9

489786R1

TUBE

ASSY, LH, for 8-row

1шт.

9

489784R1

TUBE ASSY, RH, for 8-row

1шт.

9

493949R1

TUBE ASSY, for 6-row

2шт.

180185

BOLT,Hex, 1/2" - 13 x 2 1/2", Gr 5

SCREW, 1/2-13 x 2-1/2 znd hex-hd cap

4шт.

120384

WASHER,1/2"

LOCK, 1/2"

4шт.

120378

NUT,Hex, 1/2" - 13, Gr 5

NUT, 1/2"-13, G5

4шт.

10

489787R1

LINK, for 8-row

2шт.

23225R1

HEADED PIN,3/8" x 2"

PIN, HEADED, 3/8" x 2"

4шт.

586591R1

COTTER PIN

PIN, quick attachable cot.

4шт.

21628R1

PIN

1/8 x 3/4 C-Z self-opening cot.

2шт.

11

489768R1

ROD

marker brace, for 8-row

2шт.

11

493951R1

ROD

marker brace, for 6-row

2шт.

21782R1

WASHER

21/32 x 1-1/2 x 16 ga C-Z

2шт.

21633R1

PIN, 3/16 x 1-1/4 C-Z self-opening cot.

2шт.

12

489764R1

BLOCK

2шт.

20080R1

SET SCREW

1/2-13 x 1-1/4 C-Z sq-hd cup-pt set

2шт.

13

489767R92

CHAIN (AG)

CHAIN, marker actuator, for 8-row

2шт.

13

493952R1

CHAIN (AG)

CHAIN, actuator, for 6-row

2шт.

22090R1

HEADED PIN

PIN, 3/4 x 7/8 C-Z std-hd

2шт.

18656R1

BOLT,Hex, 1/4" - 20 x 1 1/4", Gr 2

1/4 x 1-1/4 C-Z hex-hd mach

2шт.

20600R1

WASHER

9/32 x 3/4 x 11 ga C-Z

2шт.

480891R1

NUT

1/4-20 znp flange lock

2шт.

14

478732R1

ROD

marker disk clamp, for 6-row

2шт.

14

478033R1

ROD

marker disk clamp, for 8-row

2шт.

15

478032R1

CLAMP

2шт.

20180R1

CARRIAGE BOLT,Sq Nk, 1/2" - 13 x 2", Gr 2

BOLT, 1/2 x 2 znd sq-nk crg

2шт.

120384

WASHER,1/2"

LOCK, 1/2"

2шт.

120378

NUT,Hex, 1/2" - 13, Gr 5

NUT, 1/2"-13, G5

2шт.

128228

SET SCREW,Sq Hd, 3/8"-16 x 3/4"

SCREW, 3/8-16 x 3/4 C-Z sq-hd cup-pt set

2шт.

16

478035R1

BEARING HOUSING,109 mm OD x 19.3 mm

disk brg inner

2шт.

17

478036R1

BEARING HOUSING,30.023 mm ID x 69 mm OD x 19.3 mm

disk brg outer

2шт.

18

478034R91

BEARING ASSY,30mm OD x 82.53mm L

BEARING ASSY, ball

2шт.

19

469372R1

DISC,13"

DISK, 13 in.

2шт.

180077

BOLT,Hex, 5/16" - 18 x 3/4", Gr 5

SCREW, 5/16-18 x 3/4 znd hex-hd cap

12шт.

80681

LOCK WASHER,5/16"

WASHER, LOCK, 5/16"

12шт.

120376

NUT,5/16"-18, G5

12шт.

104097

RIVET,But Hd, 5/16" x 3/4"

5/16 x 3/4 b-hd

1шт.

480679R1

WASHER

dirt seal felt

2шт.

20

478153R2

BRACKET, outer end pivot

2шт.

540006R1

PIN, 1/2 x 2-1/2 C-Z std-hd spec

2шт.

520175R1

CLIP

PIN, quick attachable cot.

2шт.

18481R1

COTTER PIN,3/16" x 1"

PIN, SPLIT (COTTER), 3/16" x 1"

2шт.

21

493953R1

ARM

ASSY, marker lift LH

1шт.

21

493954R1

ARM ASSY, marker lift RH

1шт.

22

66584D

FITTING

3/16 st drive type lub

2шт.

23

493958R1

ARM, cyl

2шт.

24

540008R1

BUSHING

cyl arm

2шт.

25

540007R1

LINK, safety

2шт.

180188

BOLT,Hex, 1/2" - 13 x 2 3/4", Gr 5

SCREW, 1/2-13 x 2-3/4 znd hex-hd cap

2шт.

180181

BOLT,Hex, 1/2" - 13 x 2", Gr 5

SCREW, 1/2-13 x 2 znd hex-hd cap

2шт.

20601R1

WASHER

17/32 x 1-1/4 x 11 ga C-Z

2шт.

120384

WASHER,1/2"

LOCK, 1/2"

4шт.

120378

NUT,Hex, 1/2" - 13, Gr 5

NUT, 1/2"-13, G5

4шт.

26

493959R1

BLOCK

STOP, marker frame, for 6-row

2шт.

180123

BOLT,Hex, 3/8" - 16 x 1 1/8", Gr 5, Full Thd

SCREW, 3/8-16 x 1-1/8 znd hex-hd cap

2шт.

120382

LOCK WASHER,Helical Spring, 3/8"

WASHER, LOCK, 3/8"

2шт.

120377

NUT,3/8" - 16, Gr 5

2шт.

27

495137R1

SPACER

BUSHING, tube

4шт.

28

493982R1

BUSHING

pivot

2шт.

426-1040

BOLT,Hex, 5/8" - 11 x 2-1/2", Gr 8

SCREW, 5/8-11 x 2-1/4 znd hex-hd cap

2шт.

464623R1

WASHER

21/32 x 1-1/2 x 11 ga C-Z

2шт.

492-11062

BEARING WASHER,5/8"

WASHER, LOCK, 5/8"

2шт.

124589

BALL STUD,Hex, 5/8" - 11 x 2", Gr 5

5/8-11 C-Z hex.

2шт.

29

480186R2

SPACER

pivot

2шт.

413-1240

BOLT,Hex, 3/4" - 10 x 2-1/2", Gr 5

Hex, 3/4"-10 x 2-1/2", G5

2шт.

467750R1

WASHER

25/32 x 1-1/2 x 11 ga C-Z

2шт.

87340

LOCK WASHER,Helical Spring, 0.759" ID, CST, ZND

WASHER, LOCK, 3/4"

2шт.

22244R1

LOCK NUT

3/4-10 znd nylon insert

1шт.

Выбрано товаров: 0