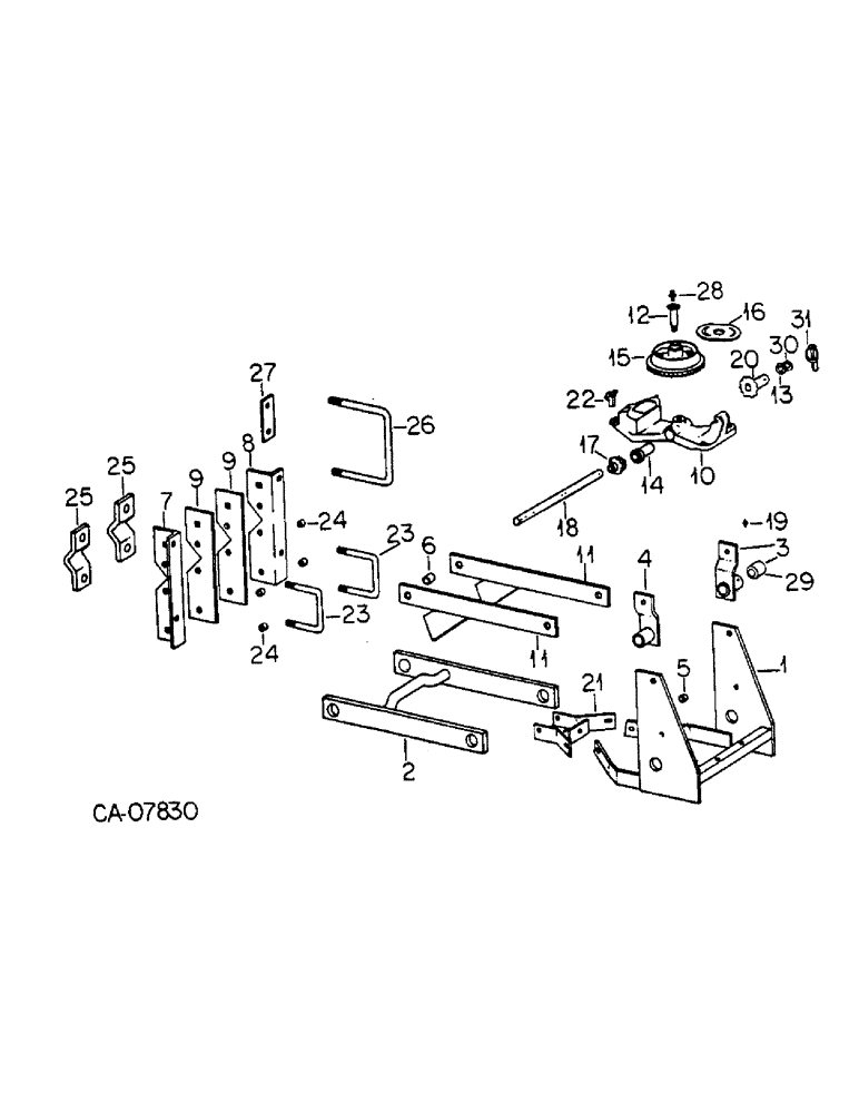
Запчасти Case IH 386 (AF-03) - PARALLEL FRAME, QUANTITIES SHOWN ARE PER PLANTER UNIT

Схема запчастей Case IH 386 - (AF-03) - PARALLEL FRAME, QUANTITIES SHOWN ARE PER PLANTER UNIT
15
8
2
10
1
14
17
11
31
9
23
3
30
12
11
9
24
25
25
21
5
26
23
13
18
19
24
20
22
16
6
7
29
28
4
27
FIT
1:1
100%

Артикул

Название

Примечание

Количество

1

492632R1

FRAME

ASSY, parallel

1шт.

2

492637R2

BAR

ASSY, lower link

1шт.

573713R1

SPACER,3/4" Tube x 11/16"

1/2 x 11/16 pipe

2шт.

271724

PIN,Hex, 5/8" - 11 x 2 1/4", Gr 5

SCREW, 5/8-11 x 2-1/4 znd hex-hd cap

2шт.

492-11062

BEARING WASHER,5/8"

WASHER, LOCK, 5/8"

2шт.

124589

BALL STUD,Hex, 5/8" - 11 x 2", Gr 5

5/8-11 C-Z hex.

2шт.

17148R1

BOLT,Short NK, 1/2"-13 x 2 1/4", G2

1/2 x 2-1/4 znd sq-nk crg

2шт.

120384

WASHER,1/2"

LOCK, 1/2"

2шт.

120378

NUT,Hex, 1/2" - 13, Gr 5

NUT, 1/2"-13, G5

2шт.

3

61251C91

BRACKET

W/BEARING, bearing RH

1шт.

4

61255C1

BRACKET

ASSY, bearing LH

1шт.

18495R1

BOLT,Hex, 3/8" - 16 x 1 1/4", Gr 2

3/8 x 1-1/4 znd hex-hd mach

2шт.

120382

LOCK WASHER,Helical Spring, 3/8"

WASHER, LOCK, 3/8"

2шт.

120377

NUT,3/8" - 16, Gr 5

2шт.

5

482469R1

BUSHING

upper parallel rear

2шт.

6

492652R1

SPACER

2шт.

7

492643R1

ANGLE

head bracket LH

1шт.

8

492644R1

ANGLE

head bracket RH

1шт.

9

492645R1

BAR

PLATE, head bracket

2шт.

10

492646R1

BRACKET

hopper

1шт.

18684R1

BOLT,Sht Sq Nk, 3/8" - 16 x 1 1/4", Gr 2

3/8 x 1-1/4 znd sq-nk crg

1шт.

18686R1

CARRIAGE BOLT,Short Nk, 3/8" - 16 x 2 1/4", Gr 2

BOLT, 3/8 x 2-1/4 znd sq-nk crg

2шт.

120382

LOCK WASHER,Helical Spring, 3/8"

WASHER, LOCK, 3/8"

3шт.

120377

NUT,3/8" - 16, Gr 5

3шт.

11

492641R1

BAR

ASSY, upper parallel

2шт.

180179

BOLT,Hex, 1/2" - 13 x 1 3/4", Gr 5

SCREW, 1/2-13 x 1-3/4 znd hex-hd cap

2шт.

460908R1

WASHER

17/32 x 1-1/2 x 11 ga C-Z

2шт.

120384

WASHER,1/2"

LOCK, 1/2"

2шт.

120378

NUT,Hex, 1/2" - 13, Gr 5

NUT, 1/2"-13, G5

2шт.

12

472119R1

STUD,1/2" - 13 x 2 23/64"

BOLT, ring gear hub

1шт.

13

542438R1

SPRING WASHER

spring

1шт.

137253

PIN, 3/16 x 1-5/8 znd ext prong cot.

1шт.

187988

COTTER PIN,3/16" x 1 1/4"

PIN, SPLIT (COTTER), 3/16" x 1 1/4"

1шт.

14

492648R1

BUSHING,0.875" ID x 1.3" OD x 2.595"

hopper bracket

1шт.

15

492649R1

GEAR

ring 40T, hill drop

1шт.

15

472121R1

GEAR WHEEL

GEAR, ring 40T, drill

1шт.

16

492651R1

PLATE

timing, hill drop

1шт.

180077

BOLT,Hex, 5/16" - 18 x 3/4", Gr 5

SCREW, 5/16-18 x 3/4 znd hex-hd cap

2шт.

134238R1

WASHER

11/32 x 1 x 16 ga C-Z

2шт.

80681

LOCK WASHER,5/16"

WASHER, LOCK, 5/16"

2шт.

17

492758R1

GEAR

seed hopper drive

1шт.

18

61256C1

SHAFT

main drive

1шт.

608701R1

WASHER

21/32 x 1-1/4 x 16 ga C-Z

1шт.

19

19688R1

LUBE NIPPLE,1/4"-28 x .44" lg

FITTING, 1/4 UNF less ball check lub

1шт.

20

492675R1

SPROCKET ASSY.

SPROCKET ASSY, 12T, hill drop

1шт.

21

492678R1

BRACKET

ASSY, attaching

1шт.

18495R1

BOLT,Hex, 3/8" - 16 x 1 1/4", Gr 2

3/8 x 1-1/4 znd hex-hd mach

1шт.

18779R1

BOLT,Hex, 3/8"-16 x 1 1/2", Gr 2

3/8 x 1-1/2 znd hex-hd mach

2шт.

120382

LOCK WASHER,Helical Spring, 3/8"

WASHER, LOCK, 3/8"

3шт.

120377

NUT,3/8" - 16, Gr 5

3шт.

469668R1

WASHER

13/32 x 3/4 x 16 ga C-Z

3шт.

22

541905R1

NUT

ASSY, locking, replaces 492682R1

1шт.

18899R1

BOLT,Sq Hd, 5/16"-18 x 2 1/2", G2

5/16 x 2-1/2 znd sq-hd mach

1шт.

23

482487R1

BOLT,5/8" - 11 x 1.6"

U-BOLT, tool bar attaching, for 2-1/4 or 2-1/2 in. sq. tool bar

2шт.

492-11062

BEARING WASHER,5/8"

WASHER, LOCK, 5/8"

4шт.

280374

NUT,Hex, 5/8" - 11, Gr 5

5/8-11 C-Z hex.

4шт.

24

573713R1

SPACER,3/4" Tube x 11/16"

4шт.

180183

BOLT,Hex, 1/2" - 13 x 2 1/4", Gr 5

SCREW, 1/2-13 x 2-1/4 znd hex-hd cap

4шт.

120384

WASHER,1/2"

LOCK, 1/2"

4шт.

120378

NUT,Hex, 1/2" - 13, Gr 5

NUT, 1/2"-13, G5

4шт.

25

482486R1

CLAMP

head bracket, for 2-1/4 of 2-1/2 in. sq. tool bar

2шт.

26

492942R2

U-BOLT

planter attaching, for 326 planter carrier

2шт.

124589

BALL STUD,Hex, 5/8" - 11 x 2", Gr 5

5/8-11 C-Z hex.

4шт.

27

493998R1

STOP

parallel linkage, for 326 planter carrier

2шт.

28

126098

FITTING

5/16 drive str lub

1шт.

29

61254C1

BUSHING

BEARING, pivot

1шт.

30

551854R1

WASHER

retaining

1шт.

31

373025R91

PIN ASSY.

PIN, quick attachable

1шт.

Выбрано товаров: 0