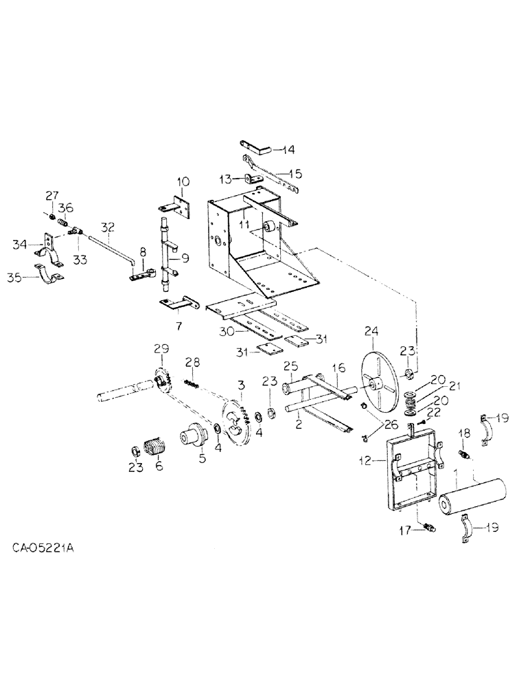
Запчасти Case IH 400 (YB-21) - SQUEEZE METERING PUMP AND HOSES, 4 ROW

Схема запчастей Case IH 400 - (YB-21) - SQUEEZE METERING PUMP AND HOSES, 4 ROW
9
7
31
6
23
3
36
26
23
33
19
13
19
11
5
21
34
14
18
12
22
4
31
27
20
20
4
8
30
15
24
29
28
23
25
32
17
10
2
16
35
FIT
1:1
100%

Артикул

Название

Примечание

Количество

PUMP ASSY, squeeze metering, not serviced separately, order component parts

1шт.

1

64674C1

MANIFOLD, metering pump

1шт.

2

64677C1

ROD, pump, shaft

1шт.

3

64678C1

SPROCKET ASSY.

SPROCKET, pump, 28T

1шт.

3

136988C1

SPROCKET, pump, 34T

1шт.

3

136987C1

SPROCKET ASSY.

SPROCKET, pump, 24T

1шт.

4

64679C1

WASHER, clutch

2шт.

5

64680C1

CLUTCH

1шт.

103397

COTTER PIN,5/32" x 1 1/4"

Pin, Split (Cotter), 5/32" x 1 1/4"

1шт.

576517R1

LOCK PIN,1/4" x 1 1/2", Slotted

Pin, 1/4" x 1 1/2", Slotted

1шт.

6

64681C1

SPRING

clutch

1шт.

7

64682C1

BRACKET, clutch fork lower

1шт.

180077

BOLT,Hex, 5/16" - 18 x 3/4", Gr 5

SCREW, 5/16-18 x 3/4 znd hex-hd cap

2шт.

120376

NUT,5/16"-18, G5

2шт.

8

64683C1

ARM, clutch fork

1шт.

22211R1

SCREW

3/8-16 x 1/2 znd sq-hd cup-pt set

1шт.

9

64684C1

FORK

clutch

1шт.

22223R1

SCREW,Hex Soc, 1/4"-20 x 1/2"

1/4-20 x 1/2 znd sq-hd cup-pt set

2шт.

10

64685C1

BRACKET

clutch fork upper

1шт.

180077

BOLT,Hex, 5/16" - 18 x 3/4", Gr 5

SCREW, 5/16-18 x 3/4 znd hex-hd cap

2шт.

120376

NUT,5/16"-18, G5

2шт.

22223R1

SCREW,Hex Soc, 1/4"-20 x 1/2"

1/4-20 x 1/2 sq-hd cup-pt set

2шт.

11

64686C1

FRAME

1шт.

12

64688C1

PLATE

1шт.

13

68690C1

SAFETY BELT 2.00" W, Angle, Pump Lever 2.00" W

1шт.

88542

BOLT,Hex, 1/4"-20 x 1/2", Gr 5

SCREW, 1/4-20 x 1/2 znd hex-hd cap

2шт.

120375

NUT,Hex, 1/4" - 20, Gr 5

2шт.

14

64691C1

ANGLE

pump tightener

1шт.

15

64692C1

SUPPORT

hose tension

1шт.

133094

BRACKET

SCREW, 5/16-18 x 3/4 znd slt-rd-hd mach

2шт.

120376

NUT,5/16"-18, G5

2шт.

16

64693C1

HOSE,0.50" ID x 21.50"

Pump 0.50" ID x 21.50"

4шт.

16

134283C1

HOSE,0.38" ID x 21.50"

Pump 0.38" ID x 21.50"

4шт.

16

134284C1

HOSE

pump 5/8 in.

4шт.

17

64694C1

FITTING

1/2 x 1/2 in.

4шт.

17

134280C1

FITTING

1/2 x 3/8 in.

4шт.

17

134281C1

FITTING

1/2 x 5/8 in.

4шт.

18

64695C1

FITTING

manifold 1/2 in.

4шт.

18

134274C1

FITTING

manifold 3/8 in.

4шт.

18

134275C1

FITTING

manifold 5/8 in.

4шт.

19

64697C1

CLAMP

manifold

2шт.

86505867

BOLT,Hex, 1/4" - 20 x 1", Gr 5

4шт.

120375

NUT,Hex, 1/4" - 20, Gr 5

4шт.

20

64698C1

THRUST WASHER

plate spring

2шт.

21

64699C1

SPRING

1шт.

22

138083

PIN

1/4 x 3/4 znd clevis

1шт.

103362

COTTER PIN,1/16" x 3/4"

Pin, Split (Cotter), 1/16" x 3/4"

1шт.

23

64700C1

COLLAR, lock

3шт.

192450

SET SCREW,Hex Soc, 5/16"-18 x 5/16"

SCREW, 5/16-18 x 5/16 znd soc-hd cup-pt set

3шт.

24

64701C1

PLATE, pump wheel

1шт.

102604

SET SCREW,Hex Skt, 7/16" - 14 x 1/2"

1шт.

25

64702C1

ROLLER

pump

4шт.

446230

WASHER

.562 x 1.250 x .086 znd

4шт.

124843

HOSE

NUT, 9/16-12 znd hex. jam

4шт.

26

134276C1

CLAMP

1/2 in. hose

8шт.

26

134277C1

CLAMP

3/8 in. hose

8шт.

26

134278C1

CLAMP

5/8 in. hose

8шт.

27

134266C1

COLLAR

1шт.

28

CHAIN, meter pump, use 43 links from a 10 ft roll marked 569088R91 and one connecting link 457113R91

1шт.

29

64703C1

SPROCKET ASSY.

SPROCKET, 28T split

1шт.

30

134257C1

SUPPORT, pump mount

1шт.

31

134260C1

BAR

retainer

1шт.

32

134261C1

ROD, clutch

1шт.

33

134262C1

BOLT, axle bracket flag

1шт.

34

134263C1

CLAMP, upper half

1шт.

35

134264C1

CLAMP

lower half

1шт.

36

134265C1

SPRING

clutch rod

1шт.

Выбрано товаров: 0