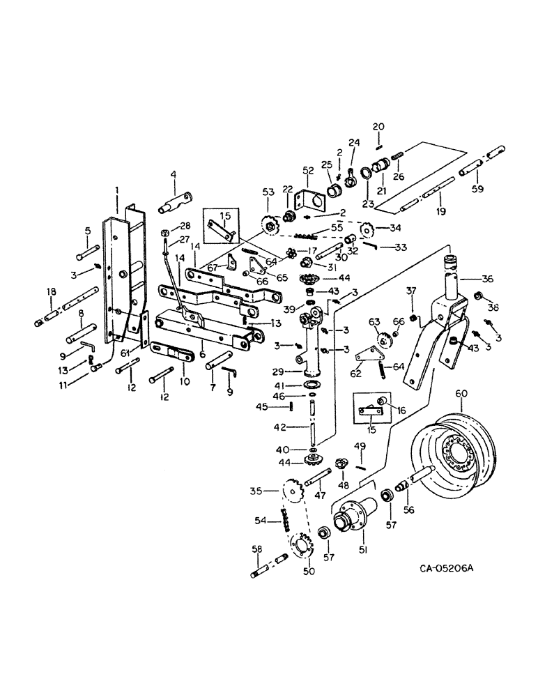
Запчасти Case IH 500 (C-05) - WHEEL, DRIVE AND CONNECTIONS

Схема запчастей Case IH 500 - (C-05) - WHEEL, DRIVE AND CONNECTIONS
22
49
29
64
31
3
28
3
66
12
9
39
4
55
2
9
45
35
3
23
66
6
20
1
34
3
7
64
16
3
53
57
24
26
63
56
58
13
62
25
37
8
3
67
12
65
52
30
44
15
61
50
41
10
2
18
40
38
3
44
14
19
21
60
43
32
51
15
5
17
57
14
42
48
43
54
46
47
36
59
33
13
27
11
FIT
1:1
100%

Артикул

Название

Примечание

Количество

1

62058C1

BRACKET ASSY, mounting

2шт.

2

66584D

FITTING

3/16 STR drive type lub

6шт.

3

219-8

LUBE NIPPLE,1/4" - 28 NPTF

FITTING, 1/4-28 STR lubrication

14шт.

4

62063C1

LINK ASSY, cylinder

2шт.

5

62066C1

PIN, cylinder link headed

2шт.

432-1624

COTTER PIN,1/4" x 1 1/2"

Pin, Split (Cotter), 1/4" x 1 1/2"

2шт.

6

62067C1

TUBE ASSY, wheel linkage 27.6" Length

2шт.

23041R1

WASHER

1.156 x 1.500 x .054

1шт.

7

62072C1

SHAFT, pivot, 1-1/8 OD x 8.3 in. long

2шт.

119199

PIN, 3/8 x 1-1/2 cot.

2шт.

8

100307C1

SHAFT, pivot, 1-1/8 OD x 9.3 in. long

2шт.

119199

PIN, 3/8 x 1-1/2 cot.

2шт.

9

471323R1

LINCH PIN

PIN, pivot shaft L

4шт.

10

62073C1

LINK ASSY, transport

2шт.

11

22070R1

PIN, 3/4 x 1-7/8 znd std-hd

2шт.

12

113077C1

PIN, transport link headed

4шт.

495-11081

WASHER,3/4", SAE

.810 x 1-1/2 x 16 ga

2шт.

432-1624

COTTER PIN,1/4" x 1 1/2"

Pin, Split (Cotter), 1/4" x 1 1/2"

2шт.

13

520175R1

CLIP

PIN, 3/16 quick attachable cot.

4шт.

14

62076C1

RAIL, linkage

4шт.

87403

BOLT,Hex, 3/4" - 10 x 2 1/4", Gr 5

4шт.

87340

LOCK WASHER,Helical Spring, 0.759" ID, CST, ZND

WASHER, LOCK, 3/4"

4шт.

280954

NUT,3/4"-10, G5

4шт.

15

113304C1

BAR ASSY, idler, planters w/serial no. 7291 and below

4шт.

432-1216

COTTER PIN,3/16" x 1"

Pin, Split (Cotter), 3/16" x 1"

4шт.

413-1036

BOLT,Hex, 5/8" - 11 x 2-1/4", Gr 5

SCREW, 5/8-11 x 2-1/4 znd hex-hd cap

2шт.

271715

BOLT,Hex, 5/8" - 11 x 1", Gr 5

SCREW, 5/8-11 x 1 znd hex-hd cap

2шт.

280374

NUT,Hex, 5/8" - 11, Gr 5

5/8-11 znd hex.

2шт.

492-11062

BEARING WASHER,5/8"

WASHER, LOCK, 5/8"

4шт.

495-11053

WASHER,1/2", SAE

17/32 x 1-1/16 x 16 ga znd

16шт.

16

57796C1

ROLLER

idler bar, planters w/serial no. 7291 and below

2шт.

17

472344R3

SPROCKET

idler

2шт.

18

62077C1

SHAFT, left wheel

1шт.

217973

COTTER PIN,1/4" x 1 1/4"

Pin, Split (Cotter), 1/4" x 1-1/4"

3шт.

21761R1

WASHER

29/92 x 1-1/2 x 16 ga znd

4шт.

21715R1

WASHER

29/32 x 1-3/4 x 11 ga znd

1шт.

19

62078C1

SHAFT, right wheel

1шт.

217973

COTTER PIN,1/4" x 1 1/4"

Pin, Split (Cotter), 1/4" x 1-1/4"

3шт.

21761R1

WASHER

29/92 x 1-1/2 x 16 ga znd

4шт.

21714R1

WASHER

.906 x 1.500 x .105

4шт.

20

PO23196

KEY

clutch

4шт.

21

113260C1

CLUTCH

DRIVE, sprocket, replaces 546887R2

2шт.

22

113261C1

CLUTCH

DRIVE, clutch, replaces 546889R3

2шт.

23

479139R1

THRUST WASHER

2шт.

24

472332R3

CAM

2шт.

25

472333R3

BUSHING,2.165" ID x 3" OD x 1.93"

2шт.

26

269182R1

SPRING

2шт.

27

62079C1

ROD, throw-out

2шт.

648002

KNIFE

1/8" x 3/4"

2шт.

28

514547R11

COLLAR CLAMP

COLLAR w/SET SCREW, 142671, rod

2шт.

485-1318

SET SCREW,Sq Hd, 5/16"-18 x 1/2"

SCREW, 5/16 x 1/2 znp sq-hd cup-pt set

2шт.

29

62080C2

HOUSING, wheel pivot

2шт.

30

62081C2

SHAFT, wheel drive

2шт.

608085R1

WASHER

1.406 x 2.000 x .054

2шт.

31

128760C1

PINION

drive, replaces 546287R2

2шт.

21648R1

LOCK PIN,1/4" x 1 1/4", Slotted

Pin, 1/4" x 1 1/4", Slotted

2шт.

21875R1

WASHER

29/32 x 2 x 16 ga znd

2шт.

217973

COTTER PIN,1/4" x 1 1/4"

Pin, Split (Cotter), 1/4" x 1-1/4"

2шт.

32

62082C1

BUSHING

2шт.

33

546531R1

PIN

drive

2шт.

648002

KNIFE

1/8" x 3/4"

2шт.

34

128778C1

SPROCKET ASSY.

SPROCKET, 12 teeth, replaces 546537R1

1шт.

21832R1

LOCK PIN,1/4" x 2", Slotted

Pin, 1/4" x 2", Slotted

4шт.

35

128787C1

SPROCKET, 12 teeth, replaces 100074C1

1шт.

22232R1

HEADED PIN,1/4" x 1 7/8"

PIN, 1/4 x 1.875 hd type 1

2шт.

103384

COTTER PIN,1/8" x 3/4"

Pin, Split (Cotter), 1/8" x 3/4"

2шт.

36

128759C91

BRACKET

w/TWO BUSHINGS, 62091C1, bushing, 62093C1 and bushing, 62095C1, wheel

2шт.

37

62093C2

BUSHING

main drive

2шт.

38

62095C2

BUSHING

2шт.

39

684645R1

SNAP RING,#250, Ext

Ring, Snap, #250, Ext

2шт.

40

119746C1

SHIM

.005

1шт.

40

128845C1

SHIM

.015

1шт.

40

128846C1

SHIM

.030

1шт.

41

62089C2

WASHER

2шт.

42

128720C1

SHAFT

gear drive

2шт.

21875R1

WASHER

29/32 x 2 x 16 ga znd

4шт.

43

62091C1

BUSHING

4шт.

44

128761R1

GEAR ASSY, 24 teeth

4шт.

45

Q53

KEY,1/4" Sq x 1", Par

2шт.

46

454331R1

SNAP RING,#87, Ext

4шт.

47

62094C2

SHAFT

lower

2шт.

48

128760C1

PINION

drive

2шт.

608085R1

WASHER

1-13/32 x 2 x 16 ga znd

4шт.

49

546531R1

PIN

drive

2шт.

648002

KNIFE

1/8" x 3/4"

2шт.

50

100040C1

DRIVEN SPROCKET

SPROCKET, 15 teeth plate

2шт.

180122

BOLT,Hex, 3/8" - 16 x 1", Gr 5

3/8-16 x 1 znd hex-hd cap

8шт.

120382

LOCK WASHER,Helical Spring, 3/8"

WASHER, LOCK, 3/8"

8шт.

51

100039C1

HUB

wheel

2шт.

52

62096C1

ANGLE, bearing support

2шт.

18458R1

BOLT,Hex, 5/8"-11 x 1 3/4", G2, Full Thd

5/8 x 1-3/4 znd hex-hd mach

4шт.

492-11062

BEARING WASHER,5/8"

WASHER, LOCK, 5/8"

4шт.

280374

NUT,Hex, 5/8" - 11, Gr 5

5/8-11 znd hex.

4шт.

53

128764C1

SPROCKET ASSY.

SPROCKET, 15 teeth

2шт.

54

CHAIN, lower, use 43 links of 1-1/4 in. ext pitch roller chain from a 10 ft roll marked, 569089R91, one connecting link, 587372R91 and one offset link, 456929R91

2шт.

55

CHAIN, upper, use 67 links of 1 in. ext pitch roller chain from a 10 ft roll marked, 569088R91, one connecting link, 457113R91 and one offset link, 457114R91

2шт.

56

100041C1

SPACER

hub

2шт.

57

963078R91

BALL BEARING,1.1811" ID x 2.4409" OD x 0.9449"

ASSY, wheel

4шт.

58

100042C1

ROD

axle

2шт.

591715R1

WASHER

1-1/32 x 1-1/2 x 16 ga znd

4шт.

492-11100

LOCK WASHER,1"

WASHER, LOCK, 1"

4шт.

9849633

NUT,1"-8, G5

4шт.

59

62099C1

COUPLER, wheel shaft, 22.32 in. long, 12 row narrow and 16 row

1шт.

59

113069C1

COUPLER, wheel shaft, 34.32 in. long, 12 row wide with 36 in. spacing

1шт.

59

62100C1

COUPLER, wheel shaft, 42.32 in. long, 12 row wide with 38 and 40 in. spacing, left side

1шт.

59

134054C1

COUPLER, wheel shaft, 38.31 in. long, 12 row wide with 38 and 40 in. spacing, right side

1шт.

575442R1

PIN, 1/4 x 1.625 pln hd type 5

4шт.

648002

KNIFE

1/8" x 3/4"

4шт.

21801R1

WASHER

9/32 x 3/4 x 16 ga znd

8шт.

60

486101R2

RIM

WHEEL, 15 in., for 11L-15 tire

2шт.

655042R1

BOLT

BOLT, wheel

12шт.

120371

NUT,1/2"-20, G5

12шт.

61

128976C1

BAR, reinforcement

4шт.

62

128731C1

PLATE ASSY, tightener wheel, planters w/serial no. 7292 and above

2шт.

432-1216

COTTER PIN,3/16" x 1"

Pin, Split (Cotter), 3/16" x 1"

2шт.

271724

PIN,Hex, 5/8" - 11 x 2 1/4", Gr 5

5/8 x 2-1/4 type 5

2шт.

464623R1

WASHER

.656 x 1.500 x .105

4шт.

492-11062

BEARING WASHER,5/8"

WASHER, LOCK, 5/8"

2шт.

280374

NUT,Hex, 5/8" - 11, Gr 5

5/8 type 5

2шт.

63

527070R1

SPROCKET ASSY.

SPROCKET, order, planters w/serial no. 7292 and above

2шт.

125617

LUBE NIPPLE,3/16" x .61 lg, Drive

FITTING, 3/16 STR drive lub

2шт.

64

2072A

VALVE SPRING

SPRING, planters w/serial no. 7292 and above

4шт.

65

128729C1

PLATE ASSY, tightener upper, planters w/serial no. 7292 and above

2шт.

432-1216

COTTER PIN,3/16" x 1"

Pin, Split (Cotter), 3/16" x 1"

2шт.

66

128734C1

WASHER

tightener, planters w/serial no. 7292 and above

4шт.

67

128733C1

SUPPORT, tightener, anchor, planters w/serial no. 7292 and above

2шт.

18820R1

BOLT

5/8 x 1 type 1

2шт.

492-11062

BEARING WASHER,5/8"

WASHER, LOCK, 5/8"

2шт.

Выбрано товаров: 128