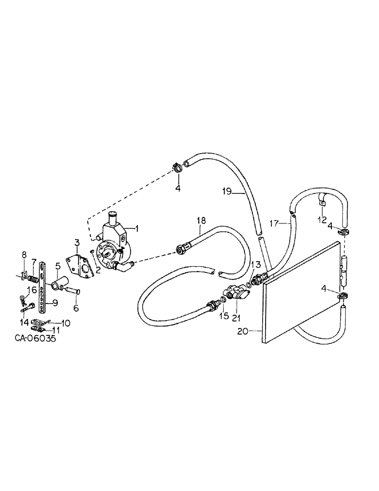
Запчасти Case IH 500 (E-31) - HYDRAULIC BLOWER DRIVE, 1000 RPM PTO PUMP, FOR 8 ROW NARROW AND 8 ROW WIDE

Схема запчастей Case IH 500 - (E-31) - HYDRAULIC BLOWER DRIVE, 1000 RPM PTO PUMP, FOR 8 ROW NARROW AND 8 ROW WIDE
14
17
5
3
18
4
7
1
19
4
2
15
8
9
16
12
11
10
6
13
4
21
20
FIT
1:1
100%

Артикул

Название

Примечание

Количество

1

149368C91

PUMP

ASSY, hydraulic, 8 GPM, 1000 RPM PTO w/caution product graphic 145167C1, for components see list of parts under details of hydraulic pump

1шт.

1

1986017C1R

REMAN-HYD PUMP

Reman for New P/N 149368C91

1шт.

1

1986017C1C

CORE-HYDRAULIC PUMP

Return Number

1шт.

*

120384

WASHER,1/2"

LOCK, 1/2"

1шт.

*

120378

NUT,Hex, 1/2" - 13, Gr 5

NUT, 1/2"-13, G5

1шт.

2

218217

KEY

3/16 x 5/8 Woodruff no. 61

1шт.

3

56780C1

PLATE

pump mounting

1шт.

*

180122

BOLT,Hex, 3/8" - 16 x 1", Gr 5

3/8-16 x 1 znd hex-hd cap

2шт.

*

120382

LOCK WASHER,Helical Spring, 3/8"

WASHER, LOCK, 3/8"

2шт.

4

279025R91

HOSE CLAMP,#06, .44/.78 Type F Worm

3шт.

5

56785C92

COUPLING

ASSY, pressed, order coupling, 1279354C91

1шт.

5

149503C92

COUPLING

ASSY, single modules, twist type, order coupling, 1279354C91, composed of

1шт.

*

1261263C1

COLLAR

1шт.

*

1261262C1

CAP WASHER

COVER, collar

1шт.

*

HUB, (NSS)

1шт.

*

1261261C1

PIN

1шт.

*

1268269C1

PRODUCT GRAPHIC, caution

1шт.

*

383878R1

SNAP RING,1.25, Int, #125

RING, 1.388 int ret

1шт.

5

1279354C91

COUPLING

ASSY, single modules, push pull type, replaces 56785C92 and 149503C92, composed of

1шт.

*

21505R1

BALL,1/2" Dia, Stainless

1/2 grade ST100 metal

3шт.

*

1279357C1

COLLAR

1шт.

*

HUB, (NSS)

1шт.

*

279762R1

SNAP RING,#168, Ext

RING, 1.560 ext ret

1шт.

*

1279356C1

SPRING

1шт.

6

631976R91

PIN

ASSY, lock, used only with coupling, 56785C92

1шт.

7

455347R1

VALVE SPRING

SPRING, locking pin, for pin, 631976R91

1шт.

8

661406R1

LOCK WASHER,4.83mm ID x 18.542mm OD x 1.65mm Thk

x , for pin, 631976R91

1шт.

9

56774C1

BRACKET

adjusting

1шт.

*

M906

HEADED PIN,7/16" x 1 1/8"

PIN, 7/16 x 1-1/8 std-hd

2шт.

*

120395

WASHER

.469 x .922 x .051 znd

4шт.

*

432-1216

COTTER PIN,3/16" x 1"

Pin, Split (Cotter), 3/16" x 1"

2шт.

10

56775C91

ANGLE

STRAP ASSY

1шт.

11

56776C1

BAR

STRAP

1шт.

*

433156

BOLT,Hex, 1/2" - 13 x 4 1/2", Gr 5

SCREW, 1/2-13 x 4-1/2 znd hex-hd cap

2шт.

*

NLS

NO LONGER SERVICED

.531 x 1.062 x .074 C-Z

4шт.

*

120384

WASHER,1/2"

LOCK, 1/2"

2шт.

*

120378

NUT,Hex, 1/2" - 13, Gr 5

NUT, 1/2"-13, G5

2шт.

*

180141

SPRING,Hex, 7/16" - 14 x 5/8", Gr 5

SCREW, 7/16-14 x 5/8 znd hex-hd cap

1шт.

*

120383

LOCK WASHER,Helical Spring, 7/16"

WASHER, LOCK, 7/16"

1шт.

12

468256R1

CLAMP

hose

4шт.

*

18494R1

BOLT,Hex, 3/8" - 16 x 1", Gr 2

3/8 x 1 znd hex-hd mach

4шт.

*

120382

LOCK WASHER,Helical Spring, 3/8"

WASHER, LOCK, 3/8"

4шт.

*

120377

NUT,3/8" - 16, Gr 5

4шт.

13

364885R1

O-RING,0.097" Thk x 0.755" ID, -910, Cl 6, 90 Duro

3/4 x 15/16 x 3/32

1шт.

14

56788C1

BOLT,Hex, 5/8" - 11 x 1 1/2", Drilled

5/8-11 x 1-1/2 znd hex-hd drilled

2шт.

*

492-11062

BEARING WASHER,5/8"

WASHER, LOCK, 5/8"

2шт.

*

425-1410

JAM NUT,Jam, 5/8"-11, G5

5/8-11 C-Z hex. jam

2шт.

15

570828R1

O-RING,0.087" Thk x 0.644" ID, -908, Cl 6, 90 Duro

1/2 OD tube

1шт.

16

520175R1

CLIP

PIN, 3/16 quick attachable cot.

2шт.

17

549519R1

HYDRAULIC HOSE,0.50" ID x 38.00", SAE 30R2 Type 3 or SAE 100R3

Top Return, Hydraulic Motor to Oil Cooler 0.50" ID x 38.00", SAE 30R2 Type 3 or SAE 100R3

1шт.

18

58146C1

HOSE

ASSY, 1/2 ID x 100 in. pressure, hyd pump to hyd motor

1шт.

19

59773C1

HYDRAULIC HOSE,12.70 mm ID x 3048.00 mm ID, SAE 100R6, SAE J517

- Oil cooler to hyd pump return 12.70 mm ID x 3048.00 mm ID, SAE 100R6, SAE J517

1шт.

20

COOLER, oil, refer to seed delivery and manifold assy unit

1шт.

21

MOTOR ASSY, hydraulic fan drive, refer to seed handling blower unit

1шт.

Выбрано товаров: 54