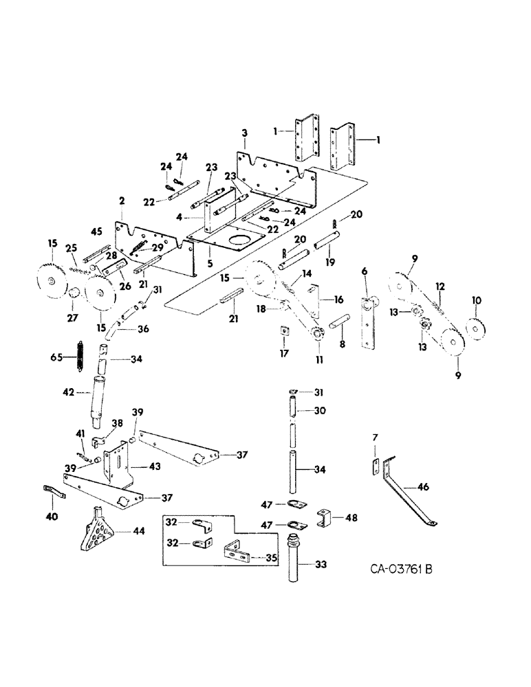
Запчасти Case IH 500 (YA-35) - DRIVE UNIT AND MOUNTING, FOR HERBICIDE AND INSECTICIDE, BUILT 1973 THROUGH 1976

Схема запчастей Case IH 500 - (YA-35) - DRIVE UNIT AND MOUNTING, FOR HERBICIDE AND INSECTICIDE, BUILT 1973 THROUGH 1976
17
27
6
15
65
20
2
5
28
4
34
39
8
10
41
38
33
3
45
11
14
47
24
21
18
13
20
12
9
29
1
46
47
19
32
21
39
24
36
24
1
42
23
26
22
24
23
44
16
25
40
13
48
30
43
37
32
22
15
35
34
15
37
7
31
31
9
FIT
1:1
100%

Артикул

Название

Примечание

Количество

1

58352C1

BRACKET, granular chemical mounting

4шт.

18495R1

BOLT,Hex, 3/8" - 16 x 1 1/4", Gr 2

3/8-16 x 1-1/4 znd hex-hd mach

8шт.

120377

NUT,3/8" - 16, Gr 5

8шт.

120382

LOCK WASHER,Helical Spring, 3/8"

WASHER, LOCK, 3/8"

8шт.

1

113162C1

SUPPORT, mounting, rear

1шт.

20628R1

BOLT,Hex, 3/8"-16 x 3 1/4", G2

3/8 x 3-1/4 type 1

2шт.

120377

NUT,3/8" - 16, Gr 5

2шт.

120382

LOCK WASHER,Helical Spring, 3/8"

WASHER, LOCK, 3/8"

2шт.

2

58358C1

SHEET, side inside row RH

2шт.

18494R1

BOLT,Hex, 3/8" - 16 x 1", Gr 2

3/8 x 1 znd hex-hd mach

4шт.

18495R1

BOLT,Hex, 3/8" - 16 x 1 1/4", Gr 2

3/8 x 1-1/4 znd hex-hd mach

2шт.

120382

LOCK WASHER,Helical Spring, 3/8"

WASHER, LOCK, 3/8"

6шт.

120377

NUT,3/8" - 16, Gr 5

6шт.

3

58357C1

SHEET, side inside row LH

2шт.

18494R1

BOLT,Hex, 3/8" - 16 x 1", Gr 2

3/8 x 1 znd hex-hd mach

4шт.

18495R1

BOLT,Hex, 3/8" - 16 x 1 1/4", Gr 2

3/8 x 1-1/4 znd hex-hd mach

2шт.

120382

LOCK WASHER,Helical Spring, 3/8"

WASHER, LOCK, 3/8"

6шт.

120377

NUT,3/8" - 16, Gr 5

6шт.

4

58343C1

TIE, hopper mounting

2шт.

5

58344C1

PLATE, tie granular chemical

2шт.

18778R1

SCREW,Hex, 3/8"-16 x 3/4", G2

BOLT, 3/8-16 x 3/4 znd hex-hd mach

12шт.

120382

LOCK WASHER,Helical Spring, 3/8"

WASHER, LOCK, 3/8"

12шт.

120377

NUT,3/8" - 16, Gr 5

12шт.

6

58345C1

BEARING, countershaft

1шт.

86504104

LUBE NIPPLE,1/4" x .56" lg, Drive

FITTING, 1/8-27 PTF STR lub

1шт.

180177

BOLT,Hex, 1/2" - 13 x 1 1/2", Gr 5

SCREW, 1/2-13 x 1-1/2 znd hex-hd cap

2шт.

120378

NUT,Hex, 1/2" - 13, Gr 5

NUT, 1/2"-13, G5

2шт.

120384

WASHER,1/2"

LOCK, 1/2"

2шт.

7

57798C1

PLATE, bracket hose, 92 cyclo lister

2шт.

18475R1

BOLT,Hex, 5/16" - 18 x 1 1/4", Gr 2

5/16-18 x 1-1/4 znd hex-hd mach

4шт.

80681

LOCK WASHER,5/16"

WASHER, LOCK, 5/16"

4шт.

120376

NUT,5/16"-18, G5

4шт.

16897R1

CARRIAGE BOLT,Short Nk, 5/16" - 18 x 3/4", Gr 2, Full Thd

BOLT, 5/16 x 3/4 znd sq-nk crg

4шт.

619855R1

WASHER

11/32 x 3/4 x 16 ga C-Z

4шт.

80681

LOCK WASHER,5/16"

WASHER, LOCK, 5/16"

4шт.

120376

NUT,5/16"-18, G5

4шт.

8

58341C1

COUNTERSHAFT, granular chemical

1шт.

20703C1

WASHER, .906 ID x 1-3/4 x 16 ga znd

2шт.

134056C1

PIN

3/16 x 1-3/4 znd clevis

3шт.

103361

PIN, SPLIT (COTTER)

PIN, 1/16 x 1/2 cot.

3шт.

9

546538R1

SPROCKET ASSY.

SPROCKET, 15 T

2шт.

10

546537R1

SPROCKET ASSY.

SPROCKET, 12 T

1шт.

11

58337C1

SPROCKET ASSY.

SPROCKET, 15 T

1шт.

12

CHAIN, hopper drive, use 41 links from 10 ft. roll marked 569088R91 and one connecting link 457113R91

1шт.

13

472344R3

SPROCKET

6T idler

2шт.

20281R1

BOLT,Hex, 1/2"-13 x 3 3/4", G2

1/2 x 3-3/4 znd hex-hd

2шт.

495-11053

WASHER,1/2", SAE

.531 ID x 1-1/16 x .074 znd

2шт.

120238

JAM NUT,Jam, 1/2"-13, G5

1/2-13 hex. jam

2шт.

120378

NUT,Hex, 1/2" - 13, Gr 5

NUT, 1/2"-13, G5

2шт.

120384

WASHER,1/2"

LOCK, 1/2"

2шт.

14

CHAIN, drive, use 123 links from 10 ft. roll marked 489466R91 and one connecting link 489467R1

1шт.

15

539766R2

SPROCKET ASSY.

SPROCKET w/HUB, 42 teeth

5шт.

137214

COTTER PIN

1/8" x 1-3/4"

5шт.

16

58338C1

STRAP ASSY, idler

1шт.

17

650800R1

SPACER

chain tightener

1шт.

18

57796C1

ROLLER

chain tightener

1шт.

21041R1

WASHER

17/32 x 1 x 16 ga C-Z

2шт.

21628R1

PIN

1/8 x 3/4 znd cot.

1шт.

18458R1

BOLT,Hex, 5/8"-11 x 1 3/4", G2, Full Thd

5/8 x 1-3/4 znd hex-hd mach

1шт.

280374

NUT,Hex, 5/8" - 11, Gr 5

5/8-11 znd hex.

1шт.

492-11062

BEARING WASHER,5/8"

WASHER, LOCK, 5/8"

1шт.

19

58336C2

COUPLING, hopper drive

1шт.

20

591107R1

COTTER PIN

quick attachable cot.

2шт.

21

58347C1

SHAFT, granular chemical

2шт.

22

58348C1

HANDLE, hopper support

4шт.

22957R1

PIN, 1/4 x 2-1/2 znp SLT spring

4шт.

22

100391C1

PIN, hopper support, for inside unit on 12 row 500 fold planter

2шт.

23

543747R3

ROD ASSY, tie

4шт.

120384

WASHER,1/2"

LOCK, 1/2"

8шт.

120378

NUT,Hex, 1/2" - 13, Gr 5

NUT, 1/2"-13, G5

8шт.

24

486830R1

COTTER PIN

PIN, quick attachable cot., for inside unit on 12-row 500 fold planter

8шт.

24

479696R91

AXLE PIN

PIN, klik

8шт.

25

CHAIN, drive, use 85 links from 10 ft. roll marked 489466R91 and one connecting link 489467R1

2шт.

26

57800C2

STRAP

ASSY, idler

2шт.

27

57796C1

ROLLER

chain tightener

2шт.

23559R1

WASHER

13/32 x 1-7/8 x 16 ga C-Z

2шт.

178373R1

WASHER

17/32 x 1 x 16 ga C-Z

4шт.

137185

COTTER PIN,1/8" x 1"

PIN, SPLIT (COTTER), 1/8" x 1"

2шт.

28

548140R2

BUSHING

chain tightener

2шт.

18494R1

BOLT,Hex, 3/8" - 16 x 1", Gr 2

3/8 x 1 znd hex-hd mach

2шт.

477589R1

WASHER

13/32 x 1-1/2 x 16 ga znd

2шт.

120382

LOCK WASHER,Helical Spring, 3/8"

WASHER, LOCK, 3/8"

2шт.

120377

NUT,3/8" - 16, Gr 5

2шт.

29

543743R2

SPRING

chain tightener

2шт.

18481R1

COTTER PIN,3/16" x 1"

PIN, SPLIT (COTTER), 3/16" x 1"

2шт.

30

HOSE, insecticide, 39 in. long, make from 100 ft. roll, 1254166C1, 500 fold planter

2шт.

30

HOSE, insecticide, 35 in. long, make from 100 ft. roll, 1254166C1, 500 planter

2шт.

30

HOSE, insecticide inside, 51 in. long, 92 cyclo lister, make from 100 ft roll, 1254166C1

2шт.

31

274085R91

HOSE CLAMP,#10, 0.56/1.06 Type F Worm

CLAMP, hose

4шт.

32

58349C1

CLIP, tube support, 500 planters w/serial no. 950 and below

4шт.

17140R1

CARRIAGE BOLT,Short Nk, 1/2" - 13 x 1 1/4", Gr 2, Full Thd

BOLT, 1/2-13 x 1-1/4 znd sq-nk crg

2шт.

120238

JAM NUT,Jam, 1/2"-13, G5

1/2-13 znd hex. jam

2шт.

120384

WASHER,1/2"

LOCK, 1/2"

2шт.

33

58353C1

TUBE, hose insecticide 1.38" OD, 9" Length

2шт.

34

58327C2

TUBE,1.1" OD, 8.2" Length

inside row

2шт.

34

149401C1

TUBE, inside row, 12 row 182 mm Length

2шт.

137204

COTTER PIN,1/8" x 1 1/2"

PIN, SPLIT (COTTER), 1/8" x 1 1/2"

2шт.

35

58350C1

BRACKET, front hose, 500 planters w/serial no. 950 and below

2шт.

18809R1

BOLT,Hex, 1/2"-13 x 2", G2

1/2-13 x 2 znd hex-hd mach

4шт.

120384

WASHER,1/2"

LOCK, 1/2"

4шт.

120378

NUT,Hex, 1/2" - 13, Gr 5

NUT, 1/2"-13, G5

4шт.

36

HOSE, herbicide, 30 inches long, make from 100 ft roll, 1254166C1

2шт.

37

58359C1

PLATE, herbicide mounting

4шт.

18495R1

BOLT,Hex, 3/8" - 16 x 1 1/4", Gr 2

3/8-16 x 1-1/4 znd hex-hd mach

8шт.

469668R1

WASHER

13/32 x 3/4 x 16 ga znd

4шт.

120382

LOCK WASHER,Helical Spring, 3/8"

WASHER, LOCK, 3/8"

8шт.

120377

NUT,3/8" - 16, Gr 5

8шт.

38

58360C1

CLIP

tube support

2шт.

18626R1

CARRIAGE BOLT,Short Sq Nk, 1/4" - 20 x 1/2", Gr 2

BOLT, 1/4-20 x 1/2 znd sq-nk crg

4шт.

492-11025

LOCK WASHER,1/4"

WASHER, LOCK, 1/4"

4шт.

120375

NUT,Hex, 1/4" - 20, Gr 5

4шт.

39

16729W

SPACER, .531 ID x .750 OD x .875

4шт.

18810R1

BOLT,Hex, 1/2" - 13 x 2 1/4", Gr 2

1/2 x 2-1/4 znd hex-hd mach

4шт.

120378

NUT,Hex, 1/2" - 13, Gr 5

NUT, 1/2"-13, G5

8шт.

120384

WASHER,1/2"

LOCK, 1/2"

4шт.

40

58330C1

STOP, shield

2шт.

21815R1

PIN, 5/16 x 11/16 znd std-hd 5/16" x 11/16"

4шт.

120393

BEARING WASHER,5/16", SAE

WASHER, 11/32 x 11/16 x 16 ga znd

4шт.

121224

SUPPORT

3/32" x 1", ext prong cot.

4шт.

41

543743R2

SPRING

spreader shield

2шт.

18481R1

COTTER PIN,3/16" x 1"

PIN, SPLIT (COTTER), 3/16" x 1"

2шт.

42

58356C1

HOSE

TUBE, granular chemical

2шт.

43

58355C1

SHIELD, rear spreader

2шт.

44

543189R1

DEFLECTOR

band

2шт.

45

539767R1

SHAFT

sprocket

2шт.

137185

COTTER PIN,1/8" x 1"

PIN, SPLIT (COTTER), 1/8" x 1"

4шт.

46

57797C2

BRACKET, hose support, 92 cyclo lister

2шт.

47

60870C1

CLIP, tube support, 500 planters w/serial no. 951 and above

4шт.

48

60869C1

BRACKET, hose mounting, 500 planters w/serial no. 951 and above

2шт.

18677R1

CARRIAGE BOLT,Short Nk, 5/16" - 18 x 2 1/2", Gr 2

BOLT, 5/16-18 x 2-1/2 znd sq-nk crg

2шт.

80681

LOCK WASHER,5/16"

WASHER, LOCK, 5/16"

2шт.

120376

NUT,5/16"-18, G5

2шт.

49

125640C1

BUSHING

sprocket

6шт.

50

125729C1

YOKE

drive hopper

6шт.

495-11053

WASHER,1/2", SAE

.531 x 1.062 x .374 znd

6шт.

120384

WASHER,1/2"

LOCK, 1/2"

6шт.

120238

JAM NUT,Jam, 1/2"-13, G5

1/2-13 znd hex. jam

6шт.

51

125826C1

SPROCKET ASSY.

SPROCKET, 24 T

4шт.

52

CHAIN, drive, use 67 links from a 10 ft roll marked, 475879R91 and one connecting link, 1306D

2шт.

53

125822C2

SHEET, side inside row RH

2шт.

53

113093C2

SHEET, side RH, for inside unit on 12 row 500 fold planter

1шт.

18494R1

BOLT,Hex, 3/8" - 16 x 1", Gr 2

3/8-16 x 1 znd hex-hd mach

4шт.

18495R1

BOLT,Hex, 3/8" - 16 x 1 1/4", Gr 2

3/8-16 x 1-1/4 znd hex-hd mach

2шт.

120382

LOCK WASHER,Helical Spring, 3/8"

WASHER, LOCK, 3/8"

6шт.

120377

NUT,3/8" - 16, Gr 5

6шт.

54

125821C2

SHEET, side inside row LH

2шт.

54

113094C2

SHEET, side LH, for inside unit on 12 row 500 fold planter

1шт.

18494R1

BOLT,Hex, 3/8" - 16 x 1", Gr 2

3/8-16 x 1 znd hex-hd mach

4шт.

18495R1

BOLT,Hex, 3/8" - 16 x 1 1/4", Gr 2

3/8-16 hex-hd mach

2шт.

120382

LOCK WASHER,Helical Spring, 3/8"

WASHER, LOCK, 3/8"

6шт.

120377

NUT,3/8" - 16, Gr 5

6шт.

55

125641C1

HOUSING

sprocket support

6шт.

18764R1

HARDWARE,Hex, 5/16"-18 x 3/4", G2

BOLT, 5/16-18 hex-hd mach

12шт.

80681

LOCK WASHER,5/16"

WASHER, LOCK, 5/16"

12шт.

120376

NUT,5/16"-18, G5

12шт.

56

125823C1

HOUSING, drive

2шт.

18474R1

BOLT,Hex, 5/16" - 18 x 1", Gr 2

5/16-18 hex-hd mach

4шт.

80681

LOCK WASHER,5/16"

WASHER, LOCK, 5/16"

4шт.

120376

NUT,5/16"-18, G5

4шт.

57

125825C1

BAR, drive

1шт.

58

125846C1

SPROCKET ASSY.

SPROCKET, 15 tooth

1шт.

58

100373C1

SPACER

use w/sprocket 125846C1 on 6 & 8 row 500 fold planters

1шт.

120390

WASHER,1/2"

.562 x 1.375 x .086

1шт.

18812R1

BOLT,Hex, 1/2" - 13 x 3", Gr 2

1/2 x 3 type 1

1шт.

120384

WASHER,1/2"

LOCK, 1/2"

1шт.

120378

NUT,Hex, 1/2" - 13, Gr 5

NUT, 1/2"-13, G5

1шт.

59

CHAIN, drive granular chemical, use 123 links from a 10 ft roll marked 475879R91 and one connecting link 1306D

1шт.

59

CHAIN, drive granular chenical, use 225 links from 10 ft roll marked 475879R91, one conn link 1306D and one offset link 1308D, 12 row 500 fold planter

1шт.

59

CHAIN, drive granular chemical, use 207 links from 10 ft roll marked 475879R91 and one connecting link 1306D, 6 & 8 row 500 fold planter

1шт.

59

CHAIN, extension drive, use 19 links from 10 ft roll marked 475879R91 & one conn link 1306D, use w/207 links on 8 row 500 fold planter

1шт.

60

125638C1

SPROCKET ASSY.

SPROCKET, 42 T

1шт.

61

125530C1

BAR

tightener chain, clip

2шт.

62

125824C1

TUBE, coupling 1" OD, 750 mm Length

1шт.

134056C1

PIN

3/16 x 1-3/4 znd clevis

2шт.

NLS

NO LONGER SERVICED

PIN, 1/16 x 1/2 cot.

2шт.

120391

WASHER,#10

.219 x .500 x .036 znd

2шт.

63

125636C1

BAR

SHAFT, sprocket

4шт.

137185

COTTER PIN,1/8" x 1"

PIN, SPLIT (COTTER), 1/8" x 1"

8шт.

64

100392C1

SPACER, mounting front, for inside unit on 12 row 500 fold planter, for machines with hoppers mounted forward on module

2шт.

65

1250715C1

SPRING

1шт.

128852C1

TEMPLATE, side sheet, used w/field conversion pkg

1шт.

128858C91

PACKAGE, herbicide and insecticide filed conversion, consists of ref. nos. 49 thru 52, & 55 thru 60

1шт.

STEP ATTACHMENTS, 1978 & since, for 12 row 500 fold planter with hoppers mounted rearward on module refer to section E, platform and step attachment and for inside units on machines with hoppers mounted rearward on module refer to section E rear step attachment

1шт.

Выбрано товаров: 183