Запчасти Case IH 500 (B-13) - WHEEL DRIVE, 4, 6, 8 AND 4 DOUBLE ROW W/TWO GAUGE WHEEL DRUM DRIVE AND 12, 16 AND 6 DOUBLE ROW

Схема запчастей Case IH 500 - (B-13) - WHEEL DRIVE, 4, 6, 8 AND 4 DOUBLE ROW W/TWO GAUGE WHEEL DRUM DRIVE AND 12, 16 AND 6 DOUBLE ROW
12
4
2
19
10
3
18
14
11
1
8
6
3
15
9
18
2
4
16
11
7
7
5
5
6
13
8
12
17
FIT
1:1
100%

Артикул

Название

Примечание

Количество

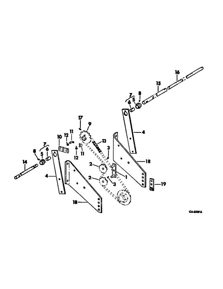
1

58317C1

ARM

TIGHTENER ASSY, wheel chain, 2 for 4, 6 and 8 row, 4 for 12 and 16 row

1шт.

18573R1

CARRIAGE BOLT,Short Sq Nk, 5/8" - 11 x 1 1/2", Gr 2

BOLT, 5/8 x 1-1/2 C-Z short sq-nk crg, 1 per tightener

1шт.

492-11062

BEARING WASHER,5/8"

WASHER, LOCK, , 1 per bolt 5/8"

1шт.

280374

NUT,Hex, 5/8" - 11, Gr 5

5/8-11 znd hex., 1 per bolt

1шт.

18481R1

COTTER PIN,3/16" x 1"

PIN, SPLIT (COTTER), , 2 per tightener 3/16" x 1"

1шт.

2

527070R1

SPROCKET ASSY.

SPROCKET, 8T idler, 4 for 4, 6 and 8 row, 8 for 12 and 16 row

1шт.

3

25391R1

FITTING

3/16 STR drive type lub, 1 per sprocket

1шт.

4

58256C1

SUPPORT, shaft bearing, 4 for 4, 6 and 8 row, 6 for 12 and 16 row

1шт.

18496R1

BOLT,Hex, 1/2"-13 x 1 1/2", G2

1/2 x 1-1/2 znd hex-hd mach, 2 per support

1шт.

120384

WASHER,1/2"

LOCK, , 2 per bolt 1/2"

1шт.

120378

NUT,Hex, 1/2" - 13, Gr 5

NUT, , 2 per bolt 1/2"-13, G5

1шт.

5

BEARING, (not serviced separately) order bearing assy, 481812R11

1шт.

6

484060R1

BUSHING

6 for 4, 6 and 8 row, 8 for 12 and 16 row

1шт.

7

481812R11

BEARING ASSY

w/BUSHING, 484060R1, assy, 6 for 4, 6 and 8 row, 8 for 12 and 16 row

1шт.

18481R1

COTTER PIN,3/16" x 1"

PIN, SPLIT (COTTER), , 1 per bearing 3/16" x 1"

1шт.

8

19700R91

FITTING

3/16 x 45 deg angle drive lub, 1 per bearing

1шт.

9

546431R1

SPROCKET ASSY.

SPROCKET, 12T main shaft, 2 for 4, 6 and 8 row, 4 for 12 and 16 row

1шт.

10

472328R1

CARRIER

pawl, 2 for 4, 6 and 8 row, 4 for 12 and 16 row

1шт.

137190

PIN,1/8" x 1 1/8"

1/8" x 1-1/8", 2 per carrier

1шт.

21835R1

HEADED PIN,5/16" x 1 3/4"

PIN, 5/16 x 1-3/4 C-Z STD hd, 1 per carrier

1шт.

137185

COTTER PIN,1/8" x 1"

PIN, SPLIT (COTTER), , 1 per carrier 1/8" x 1"

1шт.

11

472329R1

PAWL

drive sprocket, 2 per carrier

1шт.

12

472722R1

SPRING

ratchet RH, 2 for 4, 6 and 8 row, 4 for 12 and 16 row

1шт.

12

472721R1

SPRING

ratchet LH, 2 for 4, 6 and 8 row, 4 for 12 and 16 row

1шт.

CHAIN, drive, 2 for 4, 6 and 8 row, 4 for 12 and 16 row, used 57 links of 1-1/4 in. ext pitch roller chain from a 10 ft roll marked, 569089R91, one connecting link, 587372R91 and one offset link, 456929R91, use additional offset links, 456929R91 as required when wheel arm extensions are installed

1шт.

14

58267C2

SHAFT

wheel drive, 4, 6 and 8 row except 6 row wide double row

2шт.

14

58308C1

SHAFT, wheel drive, 12 row narrow

2шт.

14

58293C1

SHAFT, wheel drive, 12 row wide and 16 row

2шт.

14

60885C1

SHAFT, wheel drive left, 6 row wide double row

1шт.

14

60886C1

SHAFT, wheel drive right, 6 row wide double row

1шт.

21714R1

WASHER

29/32 x 1-1/2 x 11 ga C-Z

4шт.

21761R1

WASHER

29/32 x 1-1/2 x 16 ga C-Z

6шт.

217973

COTTER PIN,1/4" x 1 1/4"

Pin, Split (Cotter), 1/4" x 1-1/4"

6шт.

15

58144C1

COUPLER, wheel shaft, 4, 6 and 8 row except 6 row wide double row

2шт.

Ref #15 - (29.2" long) 07/03/96

1шт.

15

58144C1

COUPLER, wheel, 12 row wide

2шт.

Ref #15A - (19.7" long) 07/03/96

1шт.

15

58034C1

COUPLER, wheel, 12 row narrow and 16 row

2шт.

Ref #15B - (8.0" long) 07/03/96

1шт.

217973

COTTER PIN,1/4" x 1 1/4"

Pin, Split (Cotter), 1/4" x 1-1/4", 6 for 4, 6 and 8 row, 10 for 12 row and 8 for 16 row

1шт.

16

58264C1

SHAFT, center drive, 4, 6 and 8 row except 6 row wide double row

1шт.

16

58309C1

SHAFT, center drive, 12 row narrow

2шт.

16

58314C1

SHAFT, center drive, 7/8 ID x 44.4 in. long, 12 row wide

1шт.

16

58295C1

SHAFT, center drive, 7/8 ID x 14.5 in. long, 12 row wide

1шт.

16

59096C1

SHAFT, center drive, 16 row

2шт.

21887R1

HEADED PIN,1/4" x 1 5/8"

PIN, 1/4 x 1-5/8 STD hd

4шт.

648002

KNIFE

1/8" x 3/4"

4шт.

21801R1

WASHER

9/32 x 3/4 x 16 ga

4шт.

21761R1

WASHER

29/32 x 1-1/2 x 16 ga C-Z, 6 for 4, 6 and 8 row, 10 for 12 row, 8 for 16 row

1шт.

21714R1

WASHER

29/32 x 1-1/2 x 11 ga C-Z, 4 for 4, 6 and 8 row, 8 for 12 and 16 row

1шт.

17

86636814

LUBE NIPPLE,1/4"-28 x .52" lg

FITTING, 1/4-28 NF STR lub, 1 per carrier

1шт.

18

ARM, wheel, refer to wheels unit

1шт.

19

100000C1

EXTENSION ASSY, wheel arm, 2 per wheel

1шт.

413-1232

BOLT,Hex, 3/4" - 10 x 2", Gr 5

SCREW, 3/4-10 x 2 znd hex-hd cap, 2 per extension

1шт.

87340

LOCK WASHER,Helical Spring, 0.759" ID, CST, ZND

WASHER, LOCK, 3/4", 1 per screw

1шт.

280954

NUT,3/4"-10, G5

1 per screw 3/4"-10, G5

1шт.

Выбрано товаров: 56