Запчасти Case IH 500 (B-50) - HYDRAULIC MARKER ALTERNATOR

Схема запчастей Case IH 500 - (B-50) - HYDRAULIC MARKER ALTERNATOR
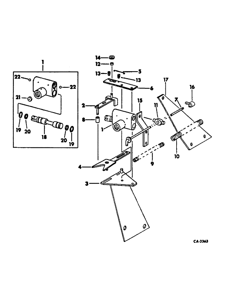
22
3
13
22
8
16
9
20
1
13
20
14
1
19
11
5
7
4
19
15
6
21
2
12
18
17
10
FIT
1:1
100%

Артикул

Название

Примечание

Количество

1

546861R92

VALVE

ASSY, selector

1шт.

2

546854R1

ARM

ASSY, rocker

1шт.

619855R1

WASHER

.344 x .750 x .054

2шт.

22922R1

LOCK PIN,1/4" x 3/4", Slotted

Pin, 1/4" x 3/4", Slotted

1шт.

648002

KNIFE

1/8" x 3/4"

2шт.

3

58191C1

PLATE ASSY

1шт.

4

546856R2

ARM

ASSY

1шт.

611346R1

WASHER

.406 x .875 x .054

4шт.

648002

KNIFE

1/8" x 3/4"

2шт.

5

546851R1

SPRING

1шт.

6

546857R1

SUPPORT

bellcrank

1шт.

180089

SPRING

SCREW, 5/16-18 x 2-1/4 znd hex-hd cap

2шт.

80681

LOCK WASHER,5/16"

WASHER, LOCK, 5/16"

2шт.

120376

NUT,5/16"-18, G5

2шт.

7

546838R1

ROD

ASSY, alternator

1шт.

575807R1

WASHER

13/32 x 1 x 11 ga

1шт.

611346R1

WASHER

13/32 x 7/8 x 16 ga

1шт.

455516

COTTER PIN,3/16" x 3/4"

3/16" x 3/4"

2шт.

8

546847R1

ROLLER

1шт.

9

546836R1

SPRING

override

1шт.

10

546835R3

SPRING

compression

1шт.

11

(Not used in this application)

1шт.

12

546839R1

BUSHING

1шт.

13

546846R1

STUD

2шт.

14

546850R1

PULLEY

ROLLER

1шт.

15

(Not used in this application)

1шт.

16

548084R1

PIVOT

trunnion

1шт.

496-21047

WASHER

15/32 x 15/16 x 16 ga

2шт.

455516

COTTER PIN,3/16" x 3/4"

3/16" x 3/4"

1шт.

17

58190C1

PLATE, trunnion mounting

1шт.

21136R1

SCREW, 5/8-11 x 6-1/4 znd hex-hd cap Hex, 5/8"-11 x 6 1/4", G5

2шт.

492-11062

BEARING WASHER,5/8"

WASHER, LOCK, 5/8"

2шт.

280374

NUT,Hex, 5/8" - 11, Gr 5

5/8-11 znd hex.

2шт.

18

SPOOL, selector valve, (not serviced separately) order valve assy, 546861R92

1шт.

103586

PIN

no. 2 x 1-1/2 taper

3шт.

19

549242R1

RING

retaining

2шт.

20

403519R1

O-RING,13.94mm ID x 2.62mm Width

RING, quad

2шт.

21

546844R1

WASHER

restrictor

1шт.

22

663033R1

BALL

9/16 diameter

2шт.

Выбрано товаров: 39