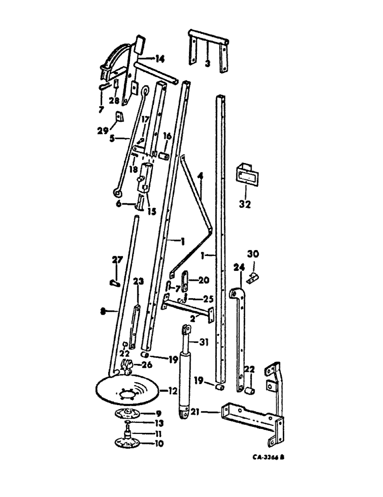
Запчасти Case IH 500 (B-58) - HYDRAULIC MARKER ATTACHMENT, FOR 8 ROW WIDE WITH 36 TO 40 IN. SPACING, 12 & 16 ROWS

Схема запчастей Case IH 500 - (B-58) - HYDRAULIC MARKER ATTACHMENT, FOR 8 ROW WIDE WITH 36 TO 40 IN. SPACING, 12 & 16 ROWS
2
11
13
19
17
4
22
20
7
5
3
22
8
19
31
29
21
1
16
14
27
12
10
25
15
1
32
23
26
28
24
7
9
18
6
30
FIT
1:1
100%

Артикул

Название

Примечание

Количество

1

489754R3

TUBE

marker, 8 row wide

4шт.

1

489771R3

TUBE, marker, 12 row narrow

4шт.

1

58296C1

TUBE,76.8" Length

marker, 12 row wide & 16 row

4шт.

180185

BOLT,Hex, 1/2" - 13 x 2 1/2", Gr 5

SCREW, 1/2-13 x 2-1/2 znd hex-hd cap

4шт.

180188

BOLT,Hex, 1/2" - 13 x 2 3/4", Gr 5

SCREW, 1/2-13 x 2-1/4 znd hex-hd cap

6шт.

120384

WASHER,1/2"

LOCK, 1/2"

12шт.

120378

NUT,Hex, 1/2" - 13, Gr 5

NUT, 1/2"-13, G5

12шт.

2

493946R1

BRACKET

ASSY, tube

2шт.

180138

BOLT,Hex, 3/8" - 16 x 3", Gr 5

SCREW, 3/8-16 x 2-3/4 znd hex-hd cap

4шт.

120382

LOCK WASHER,Helical Spring, 3/8"

WASHER, LOCK, 3/8"

4шт.

120377

NUT,3/8" - 16, Gr 5

4шт.

3

489758R2

PIPE

ASSY

2шт.

18709R1

BOLT,Short NK, 1/2"-13 x 2 3/4", G2

1/2 x 2-3/4 crg type 1, 6 for 12 row narrow

8шт.

20181R1

BOLT, 1/2 x 3-1/4 crg type 1, 2 for 12 row narow

1шт.

120384

WASHER,1/2"

LOCK, 1/2"

8шт.

120378

NUT,Hex, 1/2" - 13, Gr 5

NUT, 1/2"-13, G5

8шт.

4

489761R1

SUPPORT

BRACE, frame 8 and 12 row wide and 16 row

2шт.

4

493945R1

BRACE

frame, 12 row narrow

2шт.

113-257

BOLT,Hex, 3/8" - 16 x 2-1/2", Gr 5

SCREW, 3/8-16 x 2-1/2 znd hex-hd cap, 8 for 12 row narrow

10шт.

120382

LOCK WASHER,Helical Spring, 3/8"

WASHER, LOCK, , 1 per screw 3/8"

1шт.

120377

NUT,3/8" - 16, Gr 5

1 per screw 3/8"-16, G5

1шт.

5

489768R1

ROD

marker brace, 12 row wide and 16 row

2шт.

5

58280C1

ROD, marker brace, 8 row wide and 12 row narrow

2шт.

21782R1

WASHER

21/32 x 1-1/2 x 16 ga C-Z

2шт.

187988

COTTER PIN,3/16" x 1 1/4"

PIN, SPLIT (COTTER), 3/16" x 1 1/4"

2шт.

6

489764R1

BLOCK

2шт.

20080R1

SET SCREW

1/2-13 x 1-1/4 znd sq-hd cup pt set

2шт.

7

520175R1

CLIP

PIN, 3/16 quick attachable cot.

4шт.

8

478033R1

ROD

marker disk clamp, 12 row wide and 16 row

2шт.

8

548747R1

ROD

marker disk clamp, 8 row wide

2шт.

8

544273R1

ROD

marker disk clamp, 12 row narrow

2шт.

9

478035R1

BEARING HOUSING,109 mm OD x 19.3 mm

disk bearing inner

2шт.

10

478036R1

BEARING HOUSING,30.023 mm ID x 69 mm OD x 19.3 mm

disk bearing outer

2шт.

11

478034R91

BEARING ASSY,30mm OD x 82.53mm L

BEARING, ball

2шт.

12

469372R1

DISC,13"

DISK, 13 in.

2шт.

180077

BOLT,Hex, 5/16" - 18 x 3/4", Gr 5

SCREW, 5/16-18 x 3/4 znd hex-hd cap

12шт.

80681

LOCK WASHER,5/16"

WASHER, LOCK, 5/16"

12шт.

120376

NUT,5/16"-18, G5

12шт.

13

480679R1

WASHER

dirt seal felt

2шт.

14

489774R3

PULLEY

ASSY, LH

1шт.

14

489775R3

PULLEY

ASSY, RH

1шт.

21761R1

WASHER

29/32 x 1-1/2 x 16 ga C-Z

6шт.

20340R1

COTTER PIN,1/4" x 1 1/2"

PIN, SPLIT (COTTER), 1/4" x 1 1/2"

2шт.

15

57647C1

TUBE

ASSY, marker, 8 row wide

2шт.

15

58297C1

TUBE ASSY, right, 12 row narrow 37.5" Length

1шт.

15

58669C1

TUBE ASSY, left, 12 row narrow 37.5" Length

1шт.

15

489784R2

TUBE ASSY, right, 12 row wide & 16 row

1шт.

15

489786R2

TUBE

ASSY, left, 12 row wide & 16 row

1шт.

16

489787R1

LINK

2шт.

17

23225R1

HEADED PIN,3/8" x 2"

PIN, HEADED, 3/8" x 2"

4шт.

648002

KNIFE

1/8" x 3/4"

2шт.

18

586591R1

COTTER PIN

PIN, quick attachable cot.

4шт.

19

495137R1

SPACER

BUSHING, tube

10шт.

20

548076R1

LINK

BRACKET, outer end pivot

2шт.

21341R1

HEADED PIN,1/2" x 1"

PIN, 1/2 x 1 znd std-hd

2шт.

18481R1

COTTER PIN,3/16" x 1"

PIN, SPLIT (COTTER), 3/16" x 1"

2шт.

21

58194C1

ANGLE

PIVOT ASSY, marker LH

1шт.

21

58195C1

ANGLE

PIVOT ASSY, marker RH

1шт.

413-1232

BOLT,Hex, 3/4" - 10 x 2", Gr 5

SCREW, 3/4-10 x 2 znd hex-hd cap, 4 for 8 row wide

3шт.

87403

BOLT,Hex, 3/4" - 10 x 2 1/4", Gr 5

2 for 8 row wide Hex, 3/4"-10 x 2 1/4", G5

1шт.

413-1240

BOLT,Hex, 3/4" - 10 x 2-1/2", Gr 5

Hex, 3/4"-10 x 2-1/2", G5, 3 for 12 and 16 row

1шт.

87340

LOCK WASHER,Helical Spring, 0.759" ID, CST, ZND

WASHER, LOCK, 3/4"

6шт.

280954

NUT,3/4"-10, G5

6шт.

22

493982R2

BUSHING

marker pivot

4шт.

271724

PIN,Hex, 5/8" - 11 x 2 1/4", Gr 5

SCREW, 5/8-11 x 2-1/4 znd hex-hd cap

4шт.

464623R1

WASHER

21/32 x 1-1/2 x 11 ga C-Z

4шт.

492-11062

BEARING WASHER,5/8"

WASHER, LOCK, 5/8"

4шт.

231-14410

NUT,5/8"-11, GB

NUT, LOCK, 5/8"-11, GB

4шт.

23

548077R1

ARM

marker pivot

2шт.

24

548078R2

ARM

marker lift LH

1шт.

24

548079R2

ARM

marker lift RH

1шт.

19077R1

CARRIAGE BOLT,#3, 1/2" - 13 x 3", Gr 2

BOLT, 1/2 x 3 no. 3 repair plow

2шт.

25

489767R92

CHAIN (AG)

CHAIN, actuator, 8 and 12 row wide and 16 row (Replaces 493982R2)

2шт.

25

58142C1

CHAIN, actuator, 12 row narrow

2шт.

18656R1

BOLT,Hex, 1/4" - 20 x 1 1/4", Gr 2

1/4 x 1-1/4 znd hex-hd mach

2шт.

20600R1

WASHER

9/32 x 3/4 x 11 ga C-Z

2шт.

480891R1

NUT

1/4-20 znp hex. flange lock

2шт.

26

478032R1

CLAMP

axle

2шт.

466971R1

CARRIAGE BOLT,Sq Nk, 1/2" - 13 x 2", Gr 5

BOLT, 1/2 x 2 znd sq-nk crg

2шт.

120384

WASHER,1/2"

LOCK, 1/2"

2шт.

120378

NUT,Hex, 1/2" - 13, Gr 5

NUT, 1/2"-13, G5

2шт.

128228

SET SCREW,Sq Hd, 3/8"-16 x 3/4"

SCREW, 3/8-16 x 3/4 C-Z sq-hd cup-pt set

2шт.

27

468286R1

HEADED PIN,12.7mm OD x 92.08mm L

PIN, 1/2 x 3-7/16 C-Z std-hd

2шт.

28

22090R1

HEADED PIN

PIN, 3/4 x 7/8 C-Z std-hd

2шт.

29

493959R1

BLOCK

STOP, marker frame, 12 row narrow

2шт.

180124

BOLT,Hex, 3/8" - 16 x 1 1/4", Gr 5

SCREW, 3/8-16 x 1-1/4 znd hex-hd cap

2шт.

120382

LOCK WASHER,Helical Spring, 3/8"

WASHER, LOCK, 3/8"

2шт.

120377

NUT,3/8" - 16, Gr 5

2шт.

30

493962R2

CLAMP, hyd hose, 8 row wide

4шт.

18822R1

BOLT,Hex, 5/8"-11 x 1 1/2", G2, Full Thd

5/8 x 1-1/2 znd hex-hd mach

4шт.

492-11062

BEARING WASHER,5/8"

WASHER, LOCK, 5/8"

4шт.

280374

NUT,Hex, 5/8" - 11, Gr 5

5/8-11 znd hex.

4шт.

31

548207R93

CYLINDER ASSY.

CYLINDER ASSY, 2 x 8 in. single acting hydraulic, order cylinder assy, 145622C91, for components see list of parts under details of hyd cylinder

2шт.

22964R1

HEADED PIN,1" x 2 7/16"

PIN, 1 x 2-7/16 znd std-hd

4шт.

520175R1

CLIP

PIN, 3/16 quick attachable cot.

4шт.

32

113118C91

BRACKET w/PRODUCT GRAPHIC, 113116C1, marker warning

2шт.

180044

SPRING

SCREW, 1/4-20 x 2 znd hex-hd cap

4шт.

492-11025

LOCK WASHER,1/4"

WASHER, LOCK, 1/4"

4шт.

120375

NUT,Hex, 1/4" - 20, Gr 5

4шт.

Выбрано товаров: 99