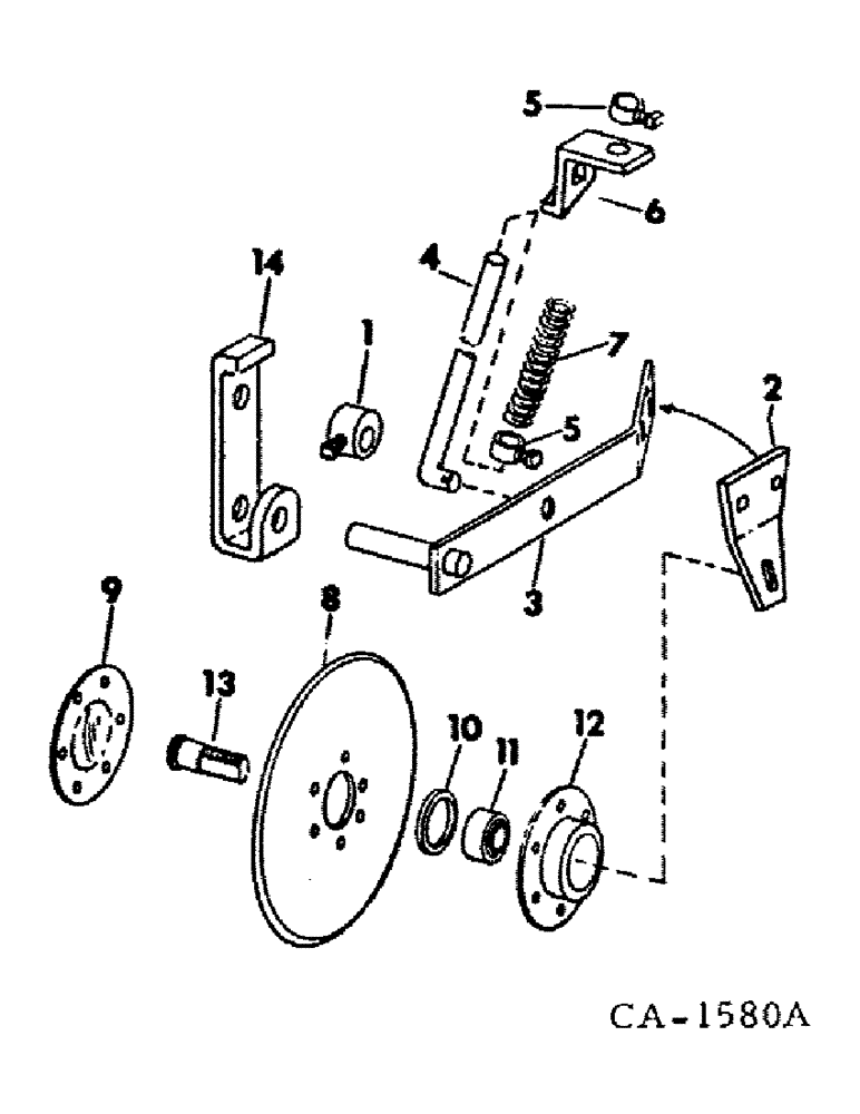
Запчасти Case IH 500 (B-68) - DISK COVERING ATTACHMENT, QUANTITIES SHOWN ARE PER PRESS WHEEL

Схема запчастей Case IH 500 - (B-68) - DISK COVERING ATTACHMENT, QUANTITIES SHOWN ARE PER PRESS WHEEL
2
5
7
5
1
4
10
6
12
14
13
3
11
9
8
FIT
1:1
100%

Артикул

Название

Примечание

Количество

1

516595R11

COLLAR,16.67mm ID x 28.5mm OD x 19mm L

COLLAR w/SET SCREW, 110447, set

1шт.

85-15010

SET SCREW,Sq Hd, 1/2"-13 x 5/8"

SCREW, 1/2-13 x 5/8 sq-hd cup-pt set

2шт.

2

489952R1

SUPPORT

BRACKET

1шт.

19576R1

BOLT,Short NK, 5/16"-18 x 7/8", G2, Full Thd

5/16 x 7/8 znd sq-nk crg

2шт.

80681

LOCK WASHER,5/16"

WASHER, LOCK, 5/16"

2шт.

120376

NUT,5/16"-18, G5

2шт.

3

548426R1

ARM

ASSY, disc pivot, single offset, staggered

1шт.

3

60873C1

ARM ASSY, disc pivot, double offset, non-staggered

1шт.

4

548422R1

ROD

lift

1шт.

137185

COTTER PIN,1/8" x 1"

PIN, SPLIT (COTTER), 1/8" x 1"

2шт.

120394

WASHER,3/8", SAE

WASHER, 13/32 x 13/16 x .065 C-Z

2шт.

5

517951R11

WEAR PAD

COLLAR w/SET SCREW, 105111

2шт.

105111

FITTING

SCREW, 5/16-18 x 3/8 sq-hd cup-pt set

2шт.

6

548423R1

CLIP

LH

1шт.

6

548424R1

CLIP

RH

1шт.

17351R1

CARRIAGE BOLT,Short Sq Nk, 3/8" - 16 x 1", Gr 2

BOLT, 3/8 x 1 znd sq-nk crg

2шт.

120382

LOCK WASHER,Helical Spring, 3/8"

WASHER, LOCK, 3/8"

2шт.

120377

NUT,3/8" - 16, Gr 5

2шт.

7

2833

SPRING

1шт.

8

480465R1

DISC

DISK, 7 in.

1шт.

104081

RIVET,But Hd, 1/4" x 1/2"

1/4 x 1-1/2 rd-hd

6шт.

9

480466R1

RETAINER

covering disk

1шт.

10

479844R1

WASHER

ball brg spacer

1шт.

11

479838R91

BALL BEARING,17mm ID x 40mm OD x 16.6mm W

ball

1шт.

12

602989R1

FLANGE,1.41" ID x 3.25" OD x 0.63"

HOUSING, bearing

1шт.

481379R1

BOLT,5/8" - 11 x 1.8"

bearing

1шт.

21796R1

WASHER

21/32 x 1 x 16 ga C-Z

1шт.

492-11062

BEARING WASHER,5/8"

WASHER, LOCK, 5/8"

1шт.

280374

NUT,Hex, 5/8" - 11, Gr 5

5/8-11 znd hex.

1шт.

13

548425R1

BRACKET

pivot

1шт.

REF ITEM 13 P/N 548425R1-THIS PART IS ILLUSTRATED AS ITEM 14 ON THE PICTORIAL. ITEM 13 IS REALLY P/N 481379R1 BEARING BOLT WHICH IS LISTED UNDERNEATH ITEM 12. JBEDFORD 1/20/98.

1шт.

180175

BOLT,Hex, 1/2" - 13 x 1 1/4", Gr 5

SCREW, 1/2-13 x 1-1/4 znd hex-hd cap

1шт.

120384

WASHER,1/2"

LOCK, 1/2"

1шт.

120378

NUT,Hex, 1/2" - 13, Gr 5

NUT, 1/2"-13, G5

1шт.

14

(Not used in this application)

1шт.

Выбрано товаров: 35