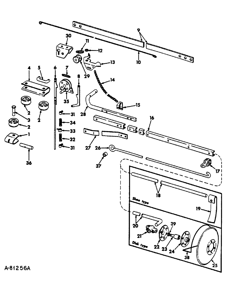
Запчасти Case IH 56-SERIES (N-47) - MARKER UNIT, DISK AND SHOE TYPE, FOR 4-ROW PLANTERS, BUILT 1966 TO 1967

Схема запчастей Case IH 56-SERIES - (N-47) - MARKER UNIT, DISK AND SHOE TYPE, FOR 4-ROW PLANTERS, BUILT 1966 TO 1967
8
35
18
39
31
19
7
1
21
2
5
33
11
12
24
26
25
36
28
15
31
30
23
3
17
29
37
14
27
20
2
38
6
10
22
13
32
9
34
4
16
2
FIT
1:1
100%

Артикул

Название

Примечание

Количество

1

472374R1

BRACKET

pulley

1шт.

2

625071R1

PULLEY

SHEAVE, chain roller

3шт.

3

474110R1

PIN

marker sheave

1шт.

21633R1

PIN, 3/16 x 1-1/4 C-Z self-open cot.

1шт.

4

472355R1

CASE, idler pulley

1шт.

H2808

HEADED PIN,5/8" x 2"

PIN, 5/8 x 2 std-hd

2шт.

21633R1

PIN, 3/16 x 1-1/4 C-Z self-open cot., w/out fertilizer

2шт.

5

484447R1

ROD

idler pulley pivot

1шт.

21636R1

PIN, 1/4 x 1-1/2 C-Z self-open cot.

2шт.

6

472363R91

TRIP

ASSY, marker latch

1шт.

13042R1

AXLE PIN,1/8" x 3/4"

Pin, Split (Cotter), , self-opening 1/8" x 3/4"

2шт.

7

370972R1

SPRING

marker latch trip

1шт.

8

474448R1

LATCH

RACK, marker trip, offset

1шт.

102670

RIVET

3/16 x 7/16 small b-hd

1шт.

9

472114R1

BAR, jockey

3шт.

578274R1

WASHER

21/32 x 1 x 11 ga, when marker brace is not used

4шт.

10

472357R1

ROD

marker latch trip left

1шт.

10

472356R1

ROD, marker latch trip right

1шт.

11

37AC

SPRING

latch

2шт.

M906

HEADED PIN,7/16" x 1 1/8"

PIN, 7/16 x 1-1/8 std-hd

2шт.

12

659393R1

RING

SPACER, latch pivot

22шт.

13

472359R2

LATCH

marker, left

1шт.

13

472360R2

LATCH

marker, right

1шт.

111-404

CARRIAGE BOLT,Short NK, 7/16"-14 x 1 1/4", G5

BOLT, 7/16-14 x 1-1/4 short-sq-nk crg

2шт.

NLS

NO LONGER SERVICED

7/16-14 hex.

2шт.

W6652

WASHER

15/32 x 1 x 16 ga

2шт.

103322

LOCK WASHER,7/16"

WASHER, LOCK, 7/16"

2шт.

14

472371R2

CHAIN (AG)

CHAIN, marker

1шт.

15

464003R1

CLIP

marker chain

2шт.

180083

BOLT,Hex, 5/16" - 18 x 1 1/2", Gr 5

5/16 x 1-1/2 type 5

6шт.

120376

NUT,5/16"-18, G5

6шт.

80681

LOCK WASHER,5/16"

WASHER, LOCK, 5/16"

6шт.

16

478019R1

CHANNEL

marker

2шт.

19471R1

PIN, SPLIT (COTTER),1/4" x 1 3/4"

4шт.

668752R1

WASHER

29/32 x 1-1/4 x 16 ga C-Z

4шт.

17

624359R31

CLAMP

W/SCREW, marker brace

2шт.

20900R1

SET SCREW

1/2 x 1 znd sq/hd c/pt set

2шт.

18

625089R2

BAR, shoe marker extension

2шт.

19

625149R1

SHOE, marker left

1шт.

19

625150R1

BRACKET

SHOE, marker right

1шт.

18798R1

BOLT,Hex, 7/16"-14 x 2", G2

7/16 x 2 type 1

2шт.

271501

SOCKET

NUT, 7/16 type 5

2шт.

120383

LOCK WASHER,Helical Spring, 7/16"

WASHER, LOCK, 7/16"

2шт.

20

478732R1

ROD

marker disk clamp

2шт.

21

478032R1

CLAMP

axle

2шт.

180190

LOCK SCREW,Hex, 1/2" - 13 x 3", Gr 5

BOLT, 1/2 x 3 type 5

2шт.

120378

NUT,Hex, 1/2" - 13, Gr 5

NUT, 1/2"-13, G5

2шт.

128228

SET SCREW,Sq Hd, 3/8"-16 x 3/4"

SCREW, 3/8 x 3/4 znp sq/hd c/pt set

2шт.

120384

WASHER,1/2"

LOCK, 1/2"

2шт.

120390

WASHER,1/2"

.562 x 1.375 x .086

4шт.

22

478035R1

BEARING HOUSING,109 mm OD x 19.3 mm

disk brg inner

2шт.

23

478034R91

BEARING ASSY,30mm OD x 82.53mm L

BEARING ASSY, ball

2шт.

24

478036R1

BEARING HOUSING,30.023 mm ID x 69 mm OD x 19.3 mm

disk brg outer

2шт.

25

479473R1

DISC

DISK, 11 in. marker

2шт.

120376

NUT,5/16"-18, G5

12шт.

180077

BOLT,Hex, 5/16" - 18 x 3/4", Gr 5

SCREW, 5/16-18 x 3/4 cd or zn-pltd hex-hd cap

12шт.

80681

LOCK WASHER,5/16"

WASHER, LOCK, 5/16"

12шт.

26

479125R1

ROD

marker brace

2шт.

27

479126R1

BRACE, marker bar, disk type

2шт.

18495R1

BOLT,Hex, 3/8" - 16 x 1 1/4", Gr 2

3/8 x 1-1/4 type 1

4шт.

120377

NUT,3/8" - 16, Gr 5

4шт.

120382

LOCK WASHER,Helical Spring, 3/8"

WASHER, LOCK, 3/8"

4шт.

28

478017R1

ROD

SHAFT, marker bar pivot LH

1шт.

28

478018R1

SHAFT

marker bar pivot RH

1шт.

29

625036R1

PULLEY

ROLLER, lift chain

2шт.

SA3442

PIN, 1/2 x 2-15/16 std-hd

2шт.

13094R1

Pin, Split (Cotter), 3/16" x 1 1/4", self-opening 3/16" x 1 1/4"

2шт.

30

472372R2

BRACKET, latch, left

1шт.

30

472373R2

BRACKET, latch, right

1шт.

111-404

CARRIAGE BOLT,Short NK, 7/16"-14 x 1 1/4", G5

BOLT, 7/16-14 x 1-1/4 short-sq-nk crg

2шт.

NLS

NO LONGER SERVICED

7/16-14 hex.

2шт.

103322

LOCK WASHER,7/16"

WASHER, LOCK, 7/16"

2шт.

31

514547R11

COLLAR CLAMP

COLLAR ASSY, control

2шт.

102881

SET SCREW,Sq Hd, 5/16"-18 x 1/2"

SCREW, 5/16-18 x 1/2 sq-hd cup-pt set

2шт.

32

373560R1

SPRING

alternator trip rod, lower

1шт.

33

PO2437

PIVOT

TRUNNION, alternator rod

1шт.

13042R1

AXLE PIN,1/8" x 3/4"

Pin, Split (Cotter), , self-opening 1/8" x 3/4"

1шт.

34

255118R1

VALVE SPRING

SPRING, marker trip rack

1шт.

35

472361R91

RATCHET

ASSY, marker latch

1шт.

80280503

CARRIAGE BOLT,Sht Sq Nk, 3/8" - 16 x 1", Gr 5, Full Thd

BOLT, 3/8-16 x 1 short-sq-nk crg

2шт.

102635

NUT,3/8"-16, G5

2шт.

13042R1

AXLE PIN,1/8" x 3/4"

Pin, Split (Cotter), , self-opening 1/8" x 3/4"

1шт.

Q1505

WASHER

13/32 x 1 x 16 ga

1шт.

103321

LOCK WASHER,3/8"

WASHER, LOCK, 3/8"

2шт.

36

472375R1

PIN

pivot

1шт.

576517R1

LOCK PIN,1/4" x 1 1/2", Slotted

Pin, 1/4" x 1 1/2", Slotted

1шт.

37

478176R1

BUSHING

brace rod

2шт.

38

113223C1

GUARD

marker disk

1шт.

39

480679R1

WASHER

dirt seal

2шт.

Выбрано товаров: 89