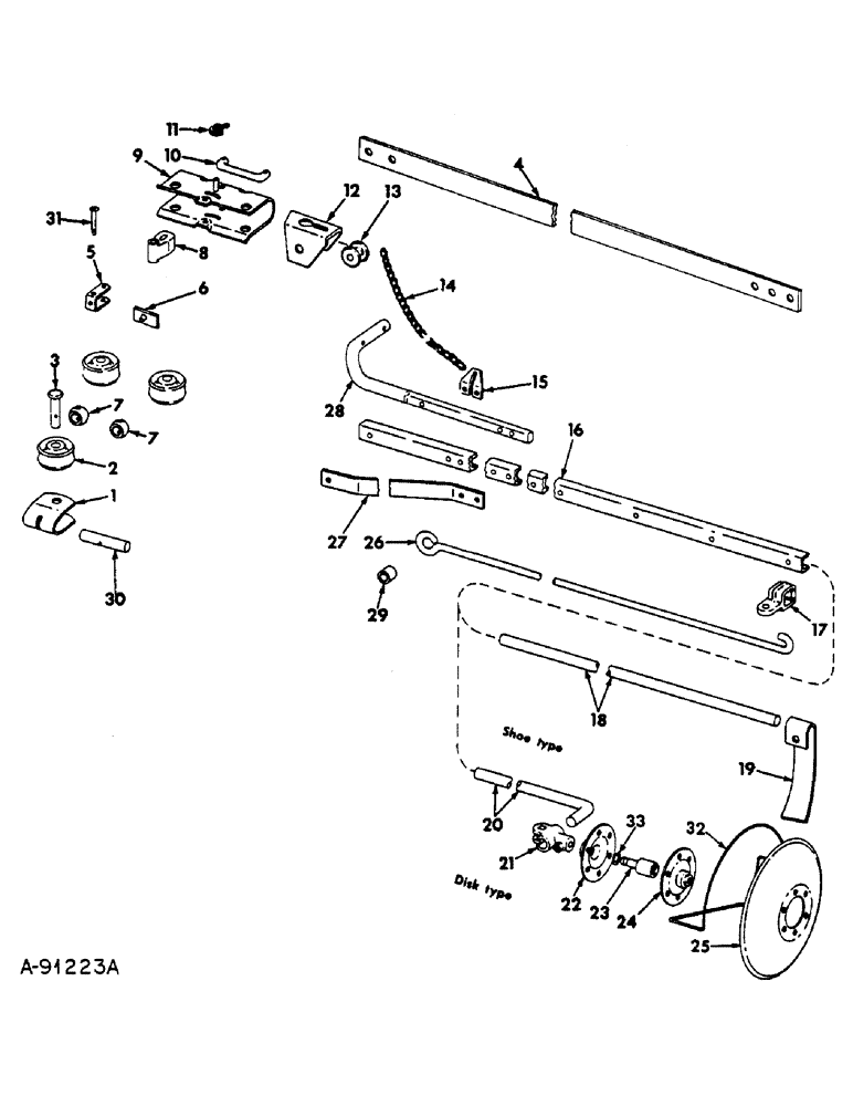
Запчасти Case IH 56-SERIES (N-49) - MARKER UNIT, DISK AND SHOE TYPE, FOR 4 ROW PLANTERS, BUILT 1967 AND SINCE

Схема запчастей Case IH 56-SERIES - (N-49) - MARKER UNIT, DISK AND SHOE TYPE, FOR 4 ROW PLANTERS, BUILT 1967 AND SINCE
33
3
32
26
9
16
31
4
30
21
25
6
23
10
28
24
7
2
19
13
20
1
15
18
17
7
12
5
8
11
22
27
29
14
FIT
1:1
100%

Артикул

Название

Примечание

Количество

1

472374R1

BRACKET

pulley

1шт.

2

625071R1

PULLEY

SHEAVE, chain roller

3шт.

3

474110R1

PIN

marker sheave

1шт.

21633R1

PIN, 3/16 x 1-1/4 C-Z self-opening cot.

1шт.

4

472114R1

BAR, jockey, 41-13/32 in. long, for 34 to 40 in. row spacing

3шт.

4

473573R1

BAR, jockey, 33-13/32 in. long, for 28 to 32 in. row spacing

3шт.

21471R1

WASHER

21/32 x 1 x 11 ga C-Z, when marker brace is not used

4шт.

5

486980R1

YOKE

CLEVIS, holder switching

1шт.

21963R1

HEADED PIN,1/4" x 2 1/2"

PIN, 1/4 x 2-1/2 C-Z std-hd

1шт.

97865H

WASHER

9/32 x 7/8 x 16 ga C-Z

1шт.

21628R1

PIN

1/8 x 3/4 C-Z self-opening cot.

1шт.

6

486997R1

ARM

switcher

1шт.

7

481925R2

BALL

marker chain button

2шт.

21648R1

LOCK PIN,1/4" x 1 1/4", Slotted

Pin, 1/4" x 1 1/4", Slotted

2шт.

8

481926R1

HOLDER

main chain

1шт.

22749R1

PIN,5/16" x 2 1/8"

5/16 x 2-1/8 C-Z std-hd

1шт.

21628R1

PIN

1/8 x 3/4 C-Z self-opening cot.

1шт.

9

481931R1

CASE

idler pulley

1шт.

21805R1

PIN

5/8 x 2-1/8 C-Z std-hd

2шт.

21633R1

PIN, 3/16 x 1-1/4 C-Z self-opening cot.

2шт.

589068R1

WASHER

21/32 x 1-1/4 x 11 ga C-Z

2шт.

10

484447R1

ROD

idler pulley pivot

1шт.

21636R1

PIN, 1/4 x 1-1/2 C-Z self-opening cot.

2шт.

11

493533R1

SPRING

snubber

1шт.

12

484280R1

SUPPORT

BRACKET, latch LH

1шт.

12

484281R1

BRACKET

latch RH

1шт.

18695R1

CARRIAGE BOLT,Short Sq Nk, 7/16" - 14 x 1 1/4", Gr 2

BOLT, 7/16-14 x 1-1/4 C-Z sq-nk crg

2шт.

NLS

NO LONGER SERVICED

NUT, 7/16-14 C-Z hex.

2шт.

120383

LOCK WASHER,Helical Spring, 7/16"

WASHER, LOCK, 7/16"

2шт.

13

625036R1

PULLEY

ROLLER, lift chain

2шт.

21960R1

PIN, 1/2 x 2-15/16 C-Z std-hd

2шт.

21633R1

PIN, 3/16 x 1-1/4 C-Z self-opening cot.

2шт.

14

472371R2

CHAIN (AG)

CHAIN, marker

1шт.

15

464003R1

CLIP

marker chain

2шт.

180083

BOLT,Hex, 5/16" - 18 x 1 1/2", Gr 5

SCREW, 5/16-18 x 1-1/2 C-Z hex-hd cap

6шт.

120376

NUT,5/16"-18, G5

6шт.

80681

LOCK WASHER,5/16"

WASHER, LOCK, 5/16"

6шт.

413-536

BOLT,Hex, 5/16" - 18 x 2-1/4", Gr 5

5/16 x 2-1/4 type 5

4шт.

16

478019R1

CHANNEL

marker, 66.4 in. long, for 34 to 40 in. row spacing

2шт.

16

478016R1

CHANNEL

short marker, 35.2 in. long, for 28 to 32 in. row spacing

2шт.

19471R1

PIN, SPLIT (COTTER),1/4" x 1 3/4"

4шт.

668752R1

WASHER

29/32 x 1-1/4 x 16 ga C-Z

4шт.

17

624359R31

CLAMP

W/SCREW, marker brace

2шт.

20900R1

SET SCREW

1/2-13 x 1 C-Z sq-hd cup-pt set

2шт.

18

625089R2

BAR, shoe marker extension

2шт.

19

625149R1

SHOE, marker left

1шт.

19

625150R1

BRACKET

SHOE, marker right

1шт.

18798R1

BOLT,Hex, 7/16"-14 x 2", G2

7/16-14 x 2 C-Z hex-hd mach

2шт.

271501

SOCKET

NUT, 7/16-14 C-Z hex.

2шт.

120383

LOCK WASHER,Helical Spring, 7/16"

WASHER, LOCK, 7/16"

2шт.

20

478732R1

ROD

marker disk clamp

2шт.

21

478032R1

CLAMP

axle

2шт.

180190

LOCK SCREW,Hex, 1/2" - 13 x 3", Gr 5

BOLT, 1/2 x 3 type 5

2шт.

120378

NUT,Hex, 1/2" - 13, Gr 5

NUT, 1/2"-13, G5

2шт.

128228

SET SCREW,Sq Hd, 3/8"-16 x 3/4"

SCREW, 3/8-16 x 3/4 C-Z sq-hd cup-pt set

2шт.

120384

WASHER,1/2"

LOCK, 1/2"

2шт.

120390

WASHER,1/2"

.562 x 1.375 x .086

4шт.

22

478035R1

BEARING HOUSING,109 mm OD x 19.3 mm

disk brg inner

2шт.

23

478034R91

BEARING ASSY,30mm OD x 82.53mm L

BEARING, ball

2шт.

24

478036R1

BEARING HOUSING,30.023 mm ID x 69 mm OD x 19.3 mm

disk brg outer

2шт.

25

479473R1

DISC

DISK, 11 in. marker

2шт.

120376

NUT,5/16"-18, G5

12шт.

180077

BOLT,Hex, 5/16" - 18 x 3/4", Gr 5

SCREW, 5/16-18 x 3/4 C-Z hex-hd cap

12шт.

80681

LOCK WASHER,5/16"

WASHER, LOCK, 5/16"

12шт.

26

479125R1

ROD

marker brace, 69-1/2 in. between holes, for 34 to 40 in. row spacing

2шт.

26

481862R1

ROD, short marker brace, 39 in. between holes, for 28 to 32 in. row spacing

2шт.

21782R1

WASHER

21/32 x 1-1/2 x 16 ga C-Z

4шт.

21632R1

COTTER PIN

PIN, 3/16 x 1 C-Z self-opening cot.

2шт.

27

479126R1

BRACE, marker bar, disk type, for 34 to 40 in. row spacing

2шт.

18495R1

BOLT,Hex, 3/8" - 16 x 1 1/4", Gr 2

3/8-16 x 1-1/4 C-Z hex-hd mach

4шт.

120377

NUT,3/8" - 16, Gr 5

4шт.

120382

LOCK WASHER,Helical Spring, 3/8"

WASHER, LOCK, 3/8"

4шт.

28

478017R1

ROD

SHAFT, marker bar pivot LH

1шт.

28

478018R1

SHAFT

marker bar pivot RH

1шт.

29

478176R1

BUSHING

brace rod

2шт.

30

472375R1

PIN

pivot

1шт.

21649R1

LOCK PIN,1/4" x 1 1/2", Slotted

Pin, 1/4" x 1 1/2", Slotted

1шт.

31

486981R1

PIN

marker clevis

1шт.

32

113223C1

GUARD

marker disk

2шт.

33

480679R1

WASHER

dirt seal

2шт.

Выбрано товаров: 80