Запчасти Case IH 58-SERIES (P-38) - DISK COVERING ATTACHMENT, W/O PRECISION BEARINGS, ONE PER ROW

Схема запчастей Case IH 58-SERIES - (P-38) - DISK COVERING ATTACHMENT, W/O PRECISION BEARINGS, ONE PER ROW
9
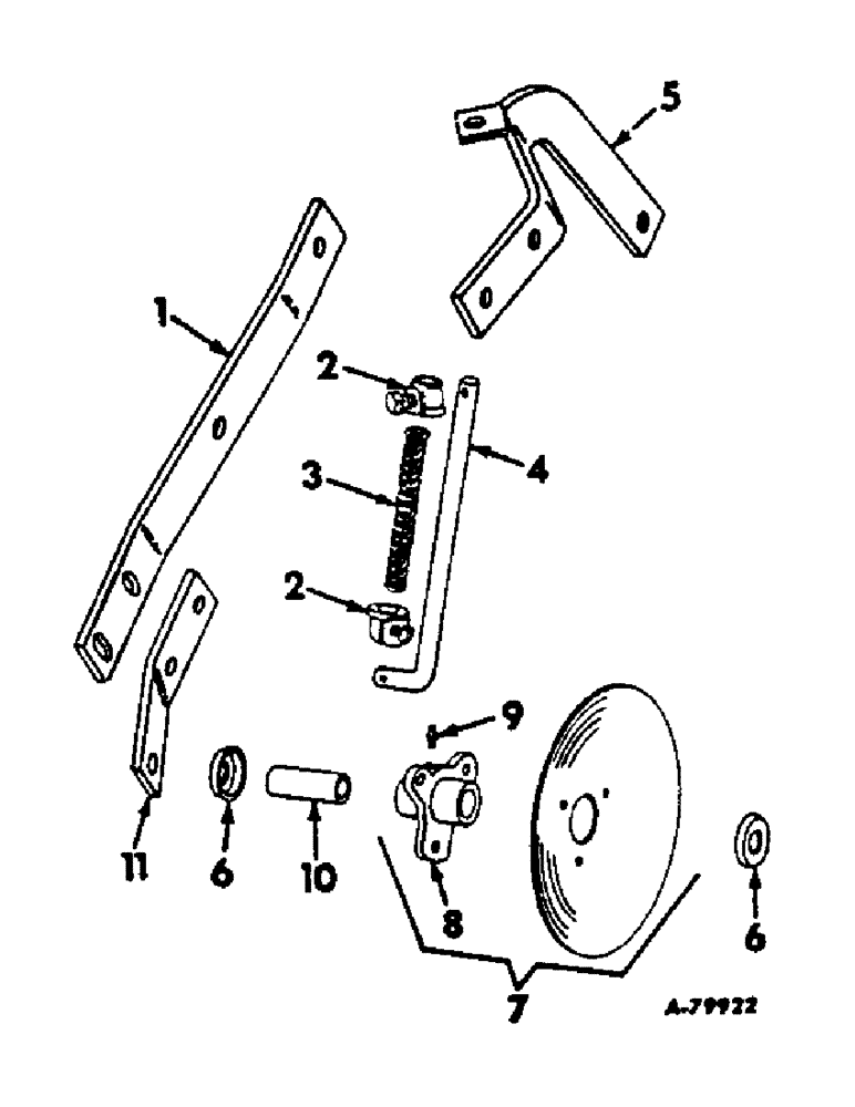
6
4
3
10
7
2
8
1
11
6
5
2
FIT
1:1
100%

Артикул

Название

Примечание

Количество

1

472256R1

ARM, attaching

2шт.

15007R1

CARRIAGE BOLT,Sq Nk, 5/16" - 18 x 1", Gr 2

BOLT, CARRIAGE, Short NK, 5/16"-18 x 1", G2

4шт.

9635082

NUT,5/16" - 18, Gr 5

5/16-18 hex.

4шт.

103320

LOCK WASHER,5/16"

WASHER, LOCK, 5/16"

4шт.

Q398

WASHER

11/32 x 7/8 x 16 ga

4шт.

2

517951R11

WEAR PAD

COLLAR ASSY, spring rod

4шт.

105111

FITTING

SCREW, 5/16-18 x 3/8 sq-hd cup-pt set

4шт.

3

2833

SPRING

spring rod

2шт.

4

464460R2

ROD

pressure spring

2шт.

Q1505

WASHER

13/32 x 1 x 16 ga

2шт.

13066R1

Pin, Split (Cotter), 1/8" x 1", self-opening 1/8" x 1"

4шт.

5

472251R91

BRACKET ASSY, LH

1шт.

5

472252R91

BRACKET ASSY, RH

1шт.

17446R1

BOLT,3/8" - 16 x 1 1/4", Gr 2

3/8-16 x 1-1/4 hex-hd mach

4шт.

102635

NUT,3/8"-16, G5

4шт.

103321

LOCK WASHER,3/8"

WASHER, LOCK, 3/8"

4шт.

17448R1

BOLT (SPREADER)

BOLT, 1/2-13 x 1-1/4 hex-hd mach

2шт.

102637

NUT,1/2"-13, G5

2шт.

76730H

WASHER

17/32 x 1-1/2 x 11 ga

2шт.

6

517957R1

WASHER

BAND, sand

2шт.

7

623128R12

DISC

DISK ASSY, 7 in.

2шт.

102682

RIVET, 3/16 x 11/16 small button-hd

6шт.

8

517948R21

DISC

HUB ASSY, disk

2шт.

9

125617

LUBE NIPPLE,3/16" x .61 lg, Drive

FITTING, 3/16 drive type str lub

2шт.

10

517958R2

BUSHING

hub

2шт.

11

467225R1

ADAPTER, LH

1шт.

11

467226R1

ADAPTER, RH

1шт.

664646R1

LOCK NUT,7/16"-14, GB

NUT, 7/16-14 hex. lock

2шт.

179869

BOLT,Hex, 7/16" - 14 x 2 3/4", Gr 5

2шт.

W6652

WASHER

15/32 x 1 x 16 ga

2шт.

Выбрано товаров: 30