Запчасти Case IH 58-SERIES (P-39[A]) - DISK COVERING ATTACHMENT, SPECIAL W/PRECISION BEARINGS, ONE PER ROW, 1967 AND SINCE

Схема запчастей Case IH 58-SERIES - (P-39[A]) - DISK COVERING ATTACHMENT, SPECIAL W/PRECISION BEARINGS, ONE PER ROW, 1967 AND SINCE
15
14
7
6
11
4
5
3
8
1
12
2
13
1
10
FIT
1:1
100%

Артикул

Название

Примечание

Количество

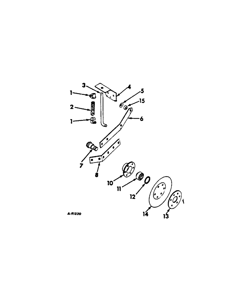
1

517951R11

WEAR PAD

COLLAR ASSY, spring rod

4шт.

22214R1

SCREW, 5/16-18 x 3/8 C-Z sq-hd cup-pt set

4шт.

2

2833

SPRING

spring rod

2шт.

3

464460R2

ROD

pressure spring

2шт.

619856R1

WASHER

13/32 x 1 x 16 ga C-Z

4шт.

21630R1

COTTER PIN

PIN, 1/8 x 1 C-Z self-opening cot.

4шт.

4

489953R1

BRACKET, rod disk covering

2шт.

19264R1

BOLT,Hex, 1/2" - 13 x 4 1/4", Gr 2

1/2-13 x 4-1/4 C-Z hex-hd mach

1шт.

120384

WASHER,1/2"

LOCK, 1/2"

1шт.

120378

NUT,Hex, 1/2" - 13, Gr 5

NUT, 1/2"-13, G5

1шт.

5

380718R1

WASHER

47/64 x 1-1/4 x 14 ga

2шт.

178373R1

WASHER

17/32 x 1 x 16 ga C-Z

2шт.

18496R1

BOLT,Hex, 1/2"-13 x 1 1/2", G2

1/2 x 1-1/2 C-Z hex-hd mach

2шт.

6

489950R1

ARM, covering disk attachment

2шт.

7

481379R1

BOLT,5/8" - 11 x 1.8"

covering disk brg

2шт.

8

489951R1

BRACKET, disk covering adj

2шт.

12872R1

BOLT,Short NK, 5/16"-18 x 1", G2, Full Thd

CARRIAGE, Short NK, 5/16"-18 x 1", G2, Full Thd

8шт.

120321J

WASHER, 5/16 C-Z med lock

8шт.

120376

NUT,5/16"-18, G5

8шт.

9

489952R1

SUPPORT

BRACKET, covering disk

2шт.

10

602989R1

FLANGE,1.41" ID x 3.25" OD x 0.63"

HOUSING, covering disk brg

2шт.

11

479838R91

BALL BEARING,17mm ID x 40mm OD x 16.6mm W

covering disk ball

2шт.

12

479844R1

WASHER

ball brg spacing

2шт.

13

480466R1

RETAINER

covering disk

2шт.

14

480465R1

DISC

DISK, 7 in. covering

2шт.

22136R1

RIVET, 1/4 x 1/2 C-Z rd-hd

12шт.

15

472104R1

BUSHING

arm covering

1шт.

Выбрано товаров: 27