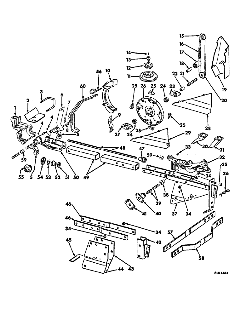
Запчасти Case IH 66-SERIES (U-19) - HILL DROP AND DRILL UNIT, ONE PER FURROW

Схема запчастей Case IH 66-SERIES - (U-19) - HILL DROP AND DRILL UNIT, ONE PER FURROW
49
4
21
26
50
25
20
60
33
2
28
41
34
5
25
40
58
46
16
57
9
34
7
5
32
23
45
38
6
3
13
31
10
8
35
24
44
59
46
56
53
37
52
11
14
30
4
42
34
22
48
27
17
15
25
34
55
47
39
29
24
36
1
25
54
43
12
59
51
19
18
FIT
1:1
100%

Артикул

Название

Примечание

Количество

1

472318R1

BRACKET

drawbar head

1шт.

2

479135R1

SHIELD

miter gear

1шт.

3

525018R1

BOLT,U, 5/8" - 11 x 5 1/8"

head bracket V

1шт.

280374

NUT,Hex, 5/8" - 11, Gr 5

5/8-11 C-Z hex

2шт.

4

86504104

LUBE NIPPLE,1/4" x .56" lg, Drive

FITTING, 1/4 drive type str lub, drawbar bracket

2шт.

5

472319R1

CAP, unit drawbar bracket

2шт.

18811R1

BOLT,Hex, 1/2" - 13 x 2 3/4", Gr 2

1/2 x 2-3/4 C-Z hex-hd mach

4шт.

120378

NUT,Hex, 1/2" - 13, Gr 5

NUT, 1/2"-13, G5

4шт.

120384

WASHER,1/2"

LOCK, 1/2"

4шт.

6

472115R1

SUPPORT

COVER, front valve

1шт.

7

121222

COTTER PIN,3/32" x 3/4"

PIN, SPLIT (COTTER), , Hill drop 3/32" x 3/4"

1шт.

8

471198R1

PIN

bottom casing, hill drop

1шт.

9

472127R1

DEFLECTOR, drill tube, hill drop, 1966 to 1968, used with 479124R91 only

1шт.

9

489471R1

GUIDE

drill, hilldrop, 1968 and since

1шт.

20945R1

HEADED PIN,1/4" x 2 3/4"

PIN, 1/4 x 2-3/4 C-Z std-hd

1шт.

12235R1

1/8" x 5/8" 1/8" x 5/8"

1шт.

10

479129R92

VALVE SPRING

SPRING ASSY, seed retaining, hilldrop

1шт.

480994R1

RIVET, 3/16 x 1/2 C-Z csk-hd tubular

4шт.

16547R1

WASHER,0.2" ID x 0.5" OD x 0.04" Thk

13/64 x 1/2 x 18 ga C-Z

4шт.

11

479604R3

RING GEAR

GEAR, ring

1шт.

12

479605R2

CYLINDER END CAP

CAP, ring gear

1шт.

13

479607R1

BOLT,1/2" - 13 x 1 7/64"

ring gear, drill

1шт.

13

479606R2

BOLT, ring gear, hill drop

1шт.

14

126098

FITTING

5/16 str, drive type lub, ring gear bolt

1шт.

15

477300R11

SPRCOKET ASSY, rotor drive, 12T

1шт.

16

CHAIN, rotor drive, hill drop, use forty-seven links of 1/2 in. pitch # 190 nonstd roller chain fron 10 ft. rolls marked, 489466R91, one offset link, 489468R91, and one connecting link, 489467R1

1шт.

17

468417R1

ROLLER

rotor drive chain tightener, hill drop

1шт.

17142R1

CARRIAGE BOLT,Sq Nk, 3/8" - 16 x 3 1/2", Gr 2

BOLT, 3/8 x 3-1/2 C-Z sq-nk crg

1шт.

120377

NUT,3/8" - 16, Gr 5

2шт.

619856R1

WASHER

13/32 x 1 x 16 ga C-Z

1шт.

Q1581

WASHER, 13/32 x 1-1/2 x 16 ga sq-hole

1шт.

3420H

WASHER, 13/32 x 1-3/4 x 16 ga

2шт.

120382

LOCK WASHER,Helical Spring, 3/8"

WASHER, LOCK, 3/8"

1шт.

18

468460R1

SPACER

rotor chain tightener, hill drop

1шт.

19

481846R1

SHIELD, rotor chain, hill drop

1шт.

20

471200R2

DRIVE SPROCKET

SPROCKET, rotor, 12T, hilldrop

1шт.

21

471199R1

SHAFT

rotor, hill drop

1шт.

88574

BOLT,Hex, 5/16" - 18 x 1/2", Gr 5, Full Thd

2шт.

619855R1

WASHER

11/32 x 3/4 x 16 ga C-Z

2шт.

80681

LOCK WASHER,5/16"

WASHER, LOCK, 5/16"

2шт.

22

471201R1

SPACER, rotor shaft sprocket, hill drop

1шт.

23

471203R1

FLANGE, rotor brg open, hill drop

1шт.

18473R1

SCREW,Hex, 5/16"-18 X 5/8", G2

BOLT, 5/16 x 5/8 C-Z hex-hd mach

2шт.

120376

NUT,5/16"-18, G5

2шт.

80681

LOCK WASHER,5/16"

WASHER, LOCK, 5/16"

2шт.

24

59756C91

BEARING ASSY,0.563" ID x 1.375" OD x 0.4331"

ASSY, rotor shaft, hill drop

2шт.

25

468464R1

LUG

seed wheel, plastic, hill drop

4шт.

120621

SCREW,Sl Flat Hd, #10 - 24 x 1"

10-24 x 1 C-Z slt-f-hd mach

4шт.

26

492809R91

WHEEL

ASSY, plastic seed, hill drop

1шт.

120619

NUT

10=24 C-Z sq mach

8шт.

472692R1

SCREW, C-Z self-tap binding

3шт.

27

471202R1

FLANGED, rotor brg closed, hill drop

1шт.

18473R1

SCREW,Hex, 5/16"-18 X 5/8", G2

BOLT, 5/16 x 5/8 C-Z hex-hd mach

2шт.

120376

NUT,5/16"-18, G5

2шт.

80681

LOCK WASHER,5/16"

WASHER, LOCK, 5/16"

2шт.

28

474186R1

PLATE ASSY.

PLATE, valve lower side RH, hill drop

1шт.

29

474185R1

SIDE ASSY.

PLATE, valve lower side LH, hill drop

1шт.

30

492771R1

TUBE, drill

1шт.

31

479585R1

TUBE, hill drop

1шт.

32

549163R91

BRACKET ASSY, hopper

1шт.

18899R1

BOLT,Sq Hd, 5/16"-18 x 2 1/2", G2

5/16 x 2-1/2 C-Z sq-hd mach

2шт.

17351R1

CARRIAGE BOLT,Short Sq Nk, 3/8" - 16 x 1", Gr 2

BOLT, 3/8 x 1 C-Z sq-nk crg

1шт.

18498R1

BOLT,Hex, 1/2" - 13 x 3 1/2", Gr 2

1/2 x 3-1/2 C-Z hex-hd mach

1шт.

129-419

WING NUT,5/16"-18

NUT, 5/16-18 C-Z wing

2шт.

120377

NUT,3/8" - 16, Gr 5

1шт.

120378

NUT,Hex, 1/2" - 13, Gr 5

NUT, 1/2"-13, G5

1шт.

120382

LOCK WASHER,Helical Spring, 3/8"

WASHER, LOCK, 3/8"

1шт.

120384

WASHER,1/2"

LOCK, 1/2"

1шт.

134238R1

WASHER

11/32 x 1 x 16 C-Z

2шт.

477313R1

WASHER

WASHER, 1.62 x 1.156 x .030 thick

1шт.

33

219-38

LUBE NIPPLE,45 Degree Elbow, 1/4" - 28 NPTF

FITTING, 1/4-28NS 45 deg angle lub

1шт.

34

472104R1

BUSHING

press wheel frame

2шт.

35

586329R1

SPACER,3/4" Tube x 13/16"

BUSHING, jockey bar

1шт.

20180R1

CARRIAGE BOLT,Sq Nk, 1/2" - 13 x 2", Gr 2

BOLT, 1/2 x 2 C-Z sq-nk crg, hill drop

1шт.

18809R1

BOLT,Hex, 1/2"-13 x 2", G2

1/2 x 2 C-Z hex-hd mach, drill

1шт.

120378

NUT,Hex, 1/2" - 13, Gr 5

NUT, 1/2"-13, G5

1шт.

120384

WASHER,1/2"

LOCK, 1/2"

1шт.

178373R1

WASHER

17/32 x 1 x 16 ga C-Z

1шт.

36

473865R91

LINCH PIN

PIN ASSY, depth stop

1шт.

20465R1

LOCK PIN,1/4" x 3 1/2", Slotted

Pin, 1/4" x 3 1/2", Slotted

2шт.

37

472107R91

RAIL ASSY, seed unit, hill drop

1шт.

17433R1

HARDWARE,Hex, 1/2" - 13 x 1", Gr 2

BOLT, 1/2 x 1 C-Z hex-hd mach

2шт.

18782R1

BOLT,Hex, 3/8" - 16 x 2 1/4", Gr 2

3/8 x 2-1/4 C-Z hex-hd mach

1шт.

120377

NUT,3/8" - 16, Gr 5

1шт.

120382

LOCK WASHER,Helical Spring, 3/8"

WASHER, LOCK, 3/8"

1шт.

120384

WASHER,1/2"

LOCK, 1/2"

2шт.

178373R1

WASHER

17/32 x 1 x 16 ga C-Z

2шт.

38

472118R1

BUSHING

BEARING, hopper bracket, hill drop

1шт.

39

479608R1

SHAFT, seed wheel drive, hill drop

1шт.

21630R1

COTTER PIN

PIN, 1/8 x 1 C-Z self-opening cot.

2шт.

88574

BOLT,Hex, 5/16" - 18 x 1/2", Gr 5, Full Thd

1шт.

80681

LOCK WASHER,5/16"

WASHER, LOCK, 5/16"

1шт.

40

479609R1

GEAR, rotor drive, hill srop

1шт.

21843R1

WASHER

13/32 x 1 x 4 ga C-Z

2шт.

41

479130R1

HUB, timing, hill drop

1шт.

18465R1

BOLT,Sq Hd, 3/8"-16 x 1 1/4", G2

5/8-16 x 1-1/4 C-Z sq-hd mach

2шт.

120377

NUT,3/8" - 16, Gr 5

2шт.

13120R1

Pin, Split (Cotter), 3/16" x 1 1/2", self-opening 3/16" x 1 1/2"

1шт.

469668R1

WASHER

13/32 x 3/4 x 16 ga cd dr

2шт.

120382

LOCK WASHER,Helical Spring, 3/8"

WASHER, LOCK, 3/8"

2шт.

42

472234R91

BRACKET ASSY, drill

1шт.

43

472239R4

PLATE, rail side right, drill

1шт.

17452R1

BOLT,Hex, 1/2"-13 x 1 1/4", G2

1/2 x 1-1/4 C-Z hex-hd mach

2шт.

120378

NUT,Hex, 1/2" - 13, Gr 5

NUT, 1/2"-13, G5

2шт.

120384

WASHER,1/2"

LOCK, 1/2"

2шт.

44

472238R5

SHEET

PLATE, rail side left, drill

1шт.

18469R1

BOLT, 1/2 x 1-1/2 C-Z hex-hd mach

2шт.

120378

NUT,Hex, 1/2" - 13, Gr 5

NUT, 1/2"-13, G5

2шт.

120384

WASHER,1/2"

LOCK, 1/2"

2шт.

45

472241R1

ANCHOR, seed tube, drill

1шт.

46

472237R1

RAIL, drawbar, drill

2шт.

12686R1

CARRIAGE BOLT,Sq Nk, 1/2" - 13 x 1/2", Gr 2, Full Thd

BOLT, CARRIAGE, Short NK, 1/2"-13 x 1 1/2", G2, Full Thd

2шт.

120378

NUT,Hex, 1/2" - 13, Gr 5

NUT, 1/2"-13, G5

2шт.

120384

WASHER,1/2"

LOCK, 1/2"

2шт.

47

472122R2

GEAR WHEEL

GEAR, drive, 10T

1шт.

48

472123R2

ROD

SHAFT, drive

1шт.

13079R1

PIN, 1/8 x 1-1/8 self-opening cot.

1шт.

615132R1

WASHER

21/32 x 1-1/8 x 18 ga

1шт.

608701R1

WASHER

21/32 x 1-1/4 x 16 ga C-Z

2шт.

49

472233R1

DRAWBAR, unit

1шт.

18498R1

BOLT,Hex, 1/2" - 13 x 3 1/2", Gr 2

1/2-13 x 3-1/2 C-Z hex-hd mach

1шт.

120378

NUT,Hex, 1/2" - 13, Gr 5

NUT, 1/2"-13, G5

1шт.

120384

WASHER,1/2"

LOCK, 1/2"

1шт.

50

549162R91

BRACKET ASSY, drawbar

1шт.

17768R1

BOLT,Hex, 1/2" - 13 x 4 1/2", Gr 2

1/2-13 x 4-1/2 hex-hd mach

1шт.

18498R1

BOLT,Hex, 1/2" - 13 x 3 1/2", Gr 2

1/2-13 x 3-1/2 C-Z hex-hd mach

1шт.

120378

NUT,Hex, 1/2" - 13, Gr 5

NUT, 1/2"-13, G5

2шт.

120384

WASHER,1/2"

LOCK, 1/2"

2шт.

51

477313R1

WASHER

WASHER, gear wear

1шт.

52

473850R1

BUSHING

BUSING, insert

1шт.

53

472323R1

WASHER

gear wear

2шт.

54

472322R2

GEAR WHEEL

GEAR, drill shaft, 18T

1шт.

55

472321R2

GEAR

seed drive shaft, 18T

1шт.

56

471207R1

PIN

quick-attachable cot.

1шт.

57

472114R1

BAR, jocket, for 4 and 6-rwo planters, for 34 to 40 in. row spacing

1шт.

57

473573R1

BAR, jockey, for 2 and 4-row planters, for 28 to 34 in. row spacing

3шт.

58

484445R1

SUPPORT, arched jockey, for 6-row planters

2шт.

59

454172R1

BUSHING

BEARING, bracket

2шт.

60

471208R1

GUIDE

drill

1шт.

Выбрано товаров: 139