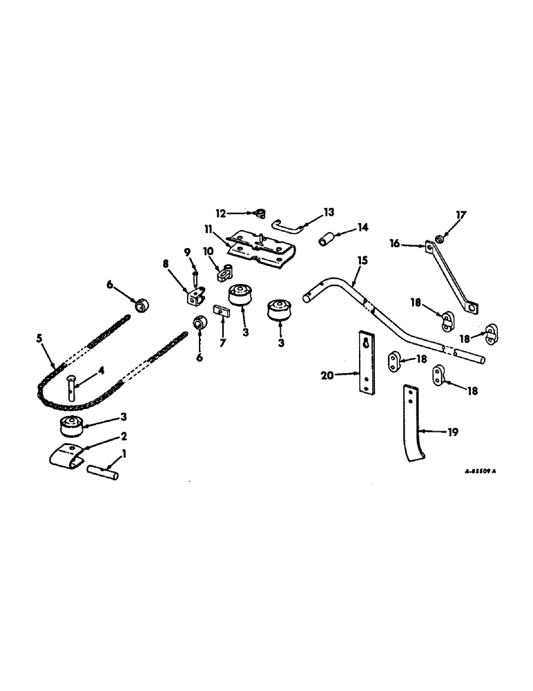
Запчасти Case IH 66-SERIES (U-26) - AUTOMATIC SHOE MARKER, FOR 2-ROW PLANTERS

Схема запчастей Case IH 66-SERIES - (U-26) - AUTOMATIC SHOE MARKER, FOR 2-ROW PLANTERS
13
4
19
1
15
6
18
14
3
2
9
12
11
5
8
10
7
3
6
16
17
18
3
18
18
20
FIT
1:1
100%

Артикул

Название

Примечание

Количество

1

472375R1

PIN

pivot

1шт.

21649R1

LOCK PIN,1/4" x 1 1/2", Slotted

Pin, 1/4" x 1 1/2", Slotted

1шт.

2

472374R1

BRACKET

pulley

1шт.

3

625071R1

PULLEY

SHEAVE, chain roller

3шт.

4

474110R1

PIN

marker sheave

1шт.

21633R1

PIN, 3/16 x 1-1/4 C-Z self-opening cot.

1шт.

5

477091R1

CHAIN (AG)

CHAIN, marker

1шт.

6

481925R2

BALL

marker chain bottom

2шт.

21648R1

LOCK PIN,1/4" x 1 1/4", Slotted

Pin, 1/4" x 1 1/4", Slotted

2шт.

7

486997R1

ARM

switcher

1шт.

8

486980R1

YOKE

CLEVIS, holder switching arm

1шт.

21628R1

PIN

1/8 x 3/4 C-Z self-opening cot.

1шт.

97865H

WASHER

9/32 x 3/4 x 16 ga

1шт.

9

486981R1

PIN

1.4 x 2-3/32 marker clevis

1шт.

21628R1

PIN

1/8 x 3/4 C-Z self-opening cot.

1шт.

10

481926R1

HOLDER

marker chain

1шт.

22749R1

PIN,5/16" x 2 1/8"

5/16 x 2-1/8 C-Z std-hd

1шт.

21628R1

PIN

1/8 x 3/4 C-Z self-opening cot.

1шт.

11

481931R1

CASE

idler pulley, replaces 481930R92, and pin, 22749R1

1шт.

21805R1

PIN

5/8 x 2-1/8 C-Z std-hd

2шт.

589068R1

WASHER

21/32 x 1-1/4 x 11 ga C-Z

2шт.

21633R1

PIN, 3/16 x 1-1/4 C-Z self-opening cot.

2шт.

12

493533R1

SPRING

snubber, used w/case assy 481931R1

1шт.

12

481929R1

SPRING

snubber, used w/case assy 481930R92

1шт.

13

484447R1

ROD

idler pulley pivot

1шт.

21636R1

PIN, 1.4 x 1-1/2 C-Z self-opening cot

2шт.

14

517899R1

SPACER,1/2" X-Strng Pipe x 2"

ROLLER, lift chain

2шт.

21994R1

HEADED PIN,1/2" x 3 1/4"

PIN, 1/2 x 3-1/4 C-Z st-hd

2шт.

21663R1

PIN, 3/16 x 1-1/4 C-Z self-opening cot

2шт.

15

481919R1

ROD, marker bar LH

1шт.

19471R1

PIN, SPLIT (COTTER),1/4" x 1 3/4"

2шт.

668752R1

WASHER

29/32 x 1-1/4 x 16 ga C-Z

2шт.

15

481920R1

ROD, marker bar RH

1шт.

19471R1

PIN, SPLIT (COTTER),1/4" x 1 3/4"

2шт.

668752R1

WASHER

29/32 x 1-1/4 x 16 C-Z

2шт.

16

481923R1

BRACE, marker bar

2шт.

17

481932R1

SPACER, marker brace

2шт.

18

481933R1

BLOCK, clamp

8шт.

18782R1

BOLT,Hex, 3/8" - 16 x 2 1/4", Gr 2

3/8 x 2-1/4 C-Z hex-hd mach

6шт.

18783R1

BOLT,Hex, 3/8"-16 x 2 1/2", G2

3/8 x 2-1/2 C-Z hex-hd mach

2шт.

120382

LOCK WASHER,Helical Spring, 3/8"

WASHER, LOCK, 3/8"

8шт.

120377

NUT,3/8" - 16, Gr 5

8шт.

21963R1

HEADED PIN,1/4" x 2 1/2"

PIN, 1/4 x 2-1/2 C-Z std-hd

1шт.

21628R1

PIN

1/8 x 3/4 C-Z self-opening cot.

1шт.

19

481922R1

SHOE, RH marker

1шт.

19

481921R1

SHOE, LH marker

1шт.

20

481924R1

BAR, lift chain

2шт.

22071R1

PIN, 5/8 x 3/4 C-Z std0hd

2шт.

18481R1

COTTER PIN,3/16" x 1"

PIN, SPLIT (COTTER), 3/16" x 1"

2шт.

Выбрано товаров: 49