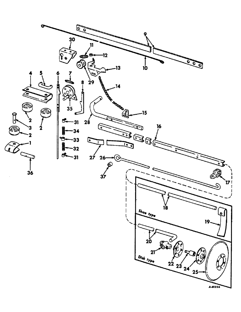
Запчасти Case IH 66-SERIES (U-27) - MARKER UNIT, DISK AND SHOE TYPE, FOR 4-ROW PLANTERS, 1966

Схема запчастей Case IH 66-SERIES - (U-27) - MARKER UNIT, DISK AND SHOE TYPE, FOR 4-ROW PLANTERS, 1966
14
16
18
32
27
15
3
31
6
4
19
17
8
20
2
5
2
10
22
23
11
31
34
29
36
37
1
24
7
2
35
28
13
26
25
21
30
12
33
9
FIT
1:1
100%

Артикул

Название

Примечание

Количество

1

472374R1

BRACKET

pulley

1шт.

2

625071R1

PULLEY

SHEAVE, chain roller

3шт.

3

474110R1

PIN

marker sheave

1шт.

13094R1

Pin, Split (Cotter), 3/16" x 1 1/4", self-opening 3/16" x 1 1/4"

1шт.

4

472355R1

CASE, idler pulley

1шт.

H2808

HEADED PIN,5/8" x 2"

PIN, 5/8 x 2 std-hd

2шт.

13094R1

Pin, Split (Cotter), 3/16" x 1 1/4", self-opening 3/16" x 1 1/4"

2шт.

5

484447R1

ROD

idler pulley pivot

1шт.

13121R1

Pin, Split (Cotter), 1/4" x 1 1/2", self opening 1/4" x 1 1/2"

2шт.

6

472363R91

TRIP

ASSY, marker latch

1шт.

13042R1

AXLE PIN,1/8" x 3/4"

Pin, Split (Cotter), , self-opening 1/8" x 3/4"

2шт.

7

370972R1

SPRING

marker latch trip

1шт.

8

474448R1

LATCH

RACK, marker trip, offset

1шт.

102670

RIVET

3/16 x 7/16 small, B-HD

1шт.

9

472114R1

BAR, jockey, note A

3шт.

9

473573R1

BAR, jockey, note D

3шт.

578274R1

WASHER

21/32 x 1 x 11 ga, note B

4шт.

10

472357R1

ROD

marker latch trip left

1шт.

10

472356R1

ROD, marker latch trip right

1шт.

11

37AC

SPRING

latch

2шт.

M906

HEADED PIN,7/16" x 1 1/8"

PIN, 7/16 x 1-1/8 std-hd

2шт.

12

659393R1

RING

SPACER, latch pivot

2шт.

13

472359R2

LATCH

marker, left

1шт.

13

472360R2

LATCH

marker, right

1шт.

18695R1

CARRIAGE BOLT,Short Sq Nk, 7/16" - 14 x 1 1/4", Gr 2

BOLT, 7/16 x 1-1/4 C-Z sq-nk crg

2шт.

607891R1

WASHER

15/32 x 1 x 16 ga C-Z

2шт.

120383

LOCK WASHER,Helical Spring, 7/16"

WASHER, LOCK, 7/16"

2шт.

NLS

NO LONGER SERVICED

NUT, 7/16-14 hex

2шт.

14

472371R2

CHAIN (AG)

CHAIN, marker

1шт.

15

464003R1

CLIP

marker chain

2шт.

180083

BOLT,Hex, 5/16" - 18 x 1 1/2", Gr 5

SCREW, 5/16-18 x 1-1/2 C-Z hex-hd cap

3шт.

120376

NUT,5/16"-18, G5

6шт.

80681

LOCK WASHER,5/16"

WASHER, LOCK, 5/16"

6шт.

16

478019R1

CHANNEL

marker, note A

2шт.

19471R1

PIN, SPLIT (COTTER),1/4" x 1 3/4"

4шт.

668752R1

WASHER

29/32 x 1-1/4 x 16 ga C-Z

4шт.

16

478016R1

CHANNEL

narrow row marker, note D

2шт.

19471R1

PIN, SPLIT (COTTER),1/4" x 1 3/4"

4шт.

668752R1

WASHER

29/32 x 1-1/4 x 16 C-Z

4шт.

17

624359R31

CLAMP

ASSY, marker brace

2шт.

110450

SET SCREW,Sq Hd, 1/2"-13 x 1"

Cup Pt Sq Hd, 1/2"-13 x 1"

2шт.

18

625089R2

BAR, marker extension, note B

2шт.

19

625149R1

SHOE, marker left, note B

1шт.

19

625150R1

BRACKET

SHOE, marker right, note B

1шт.

18798R1

BOLT,Hex, 7/16"-14 x 2", G2

7/16 x 2 C-Z hex-hd mach

2шт.

NLS

NO LONGER SERVICED

NUT, 7/16-14 C-Z hex

2шт.

120383

LOCK WASHER,Helical Spring, 7/16"

WASHER, LOCK, 7/16"

2шт.

20

478732R1

ROD

marker disk clamp, note C

2шт.

21

478032R1

CLAMP

axle, note C

2шт.

20180R1

CARRIAGE BOLT,Sq Nk, 1/2" - 13 x 2", Gr 2

BOLT, 1/2 x 2 C-Z sq-mk crg

2шт.

120384

WASHER,1/2"

LOCK, 1/2"

2шт.

120387

WASHER,3/8" x 3/4" x .060"

NUT, 1/2-13 C-Z hex

2шт.

128228

SET SCREW,Sq Hd, 3/8"-16 x 3/4"

SCREW, 3/8-16 x 3/4 C-Z sq-hd cup-pt set

2шт.

22

478035R1

BEARING HOUSING,109 mm OD x 19.3 mm

disk brg inner, note C

2шт.

23

ST438

BEARING

ASSY, note C

2шт.

480679R1

WASHER

dirt seal felt

2шт.

24

478036R1

BEARING HOUSING,30.023 mm ID x 69 mm OD x 19.3 mm

disk brg outer, note C

2шт.

25

479473R1

DISC

DISK, 11 in., note C

2шт.

180077

BOLT,Hex, 5/16" - 18 x 3/4", Gr 5

SCREW, 5/16-18 x 3/4 C-Z hex-hd cap

12шт.

120376

NUT,5/16"-18, G5

12шт.

80681

LOCK WASHER,5/16"

WASHER, LOCK, 5/16"

12шт.

26

479125R1

ROD

marker brace, note A

2шт.

26

481862R1

BRACE, narrow row marker, note D

2шт.

27

479126R1

BRACE, marker bar, note C

2шт.

18495

BOLT, 3/8 x 1-1/4 C-Z hex-hd mach

4шт.

120387

WASHER,3/8" x 3/4" x .060"

3/8 C-Z med lock

4шт.

120377

NUT,3/8" - 16, Gr 5

4шт.

469668R1

WASHER

13/32 x 3/4 x 16 ga C-Z

4шт.

28

478017R1

ROD

SHAFT, marker bar pivot left

1шт.

28

478018R1

SHAFT

marker bar pivot right

1шт.

29

625036R1

PULLEY

ROLLER, lift chain

2шт.

SA3442

PIN, 1/2 x 2-15/16 std-hd

2шт.

13094R1

Pin, Split (Cotter), 3/16" x 1 1/4", self-opening 3/16" x 1 1/4"

2шт.

30

472372R1

BRACKET, latch left

1шт.

30

472373R1

BRACKET, latch right

1шт.

18695R1

CARRIAGE BOLT,Short Sq Nk, 7/16" - 14 x 1 1/4", Gr 2

BOLT, 7/16 x 1-1/4 C-Z sq-nk crg

2шт.

120383

LOCK WASHER,Helical Spring, 7/16"

WASHER, LOCK, 7/16"

2шт.

NLS

NO LONGER SERVICED

NUT, 7/16-14 C-Z hex

2шт.

31

514547R11

COLLAR CLAMP

COLLAR ASSY, control

2шт.

NLS

NO LONGER SERVICED

SCREW, 5/16-18 x 1/2 C-Z sq-hd cup-pt set

2шт.

32

373560R1

SPRING

alternator trip rod lower

1шт.

33

PO2437

PIVOT

TRUNNION, alternator rod

1шт.

13042R1

AXLE PIN,1/8" x 3/4"

Pin, Split (Cotter), , self-opening 1/8" x 3/4"

1шт.

34

255118R1

VALVE SPRING

SPRING, marker trip rack

1шт.

35

472361R91

RATCHET

ASSY, marker latch

1шт.

17351R1

CARRIAGE BOLT,Short Sq Nk, 3/8" - 16 x 1", Gr 2

BOLT, 3/8 x 1 C-Z sq-nk crg

2шт.

120377

NUT,3/8" - 16, Gr 5

2шт.

120382

LOCK WASHER,Helical Spring, 3/8"

WASHER, LOCK, 3/8"

2шт.

13042R1

AXLE PIN,1/8" x 3/4"

Pin, Split (Cotter), , self-opening 1/8" x 3/4"

1шт.

619856R1

WASHER

13/32 x 1 x 16 ga C-Z

1шт.

36

472375R1

PIN

pivot

1шт.

576517R1

LOCK PIN,1/4" x 1 1/2", Slotted

Pin, 1/4" x 1 1/2", Slotted

1шт.

37

478176R1

BUSHING

brace rod, note A

2шт.

Выбрано товаров: 93