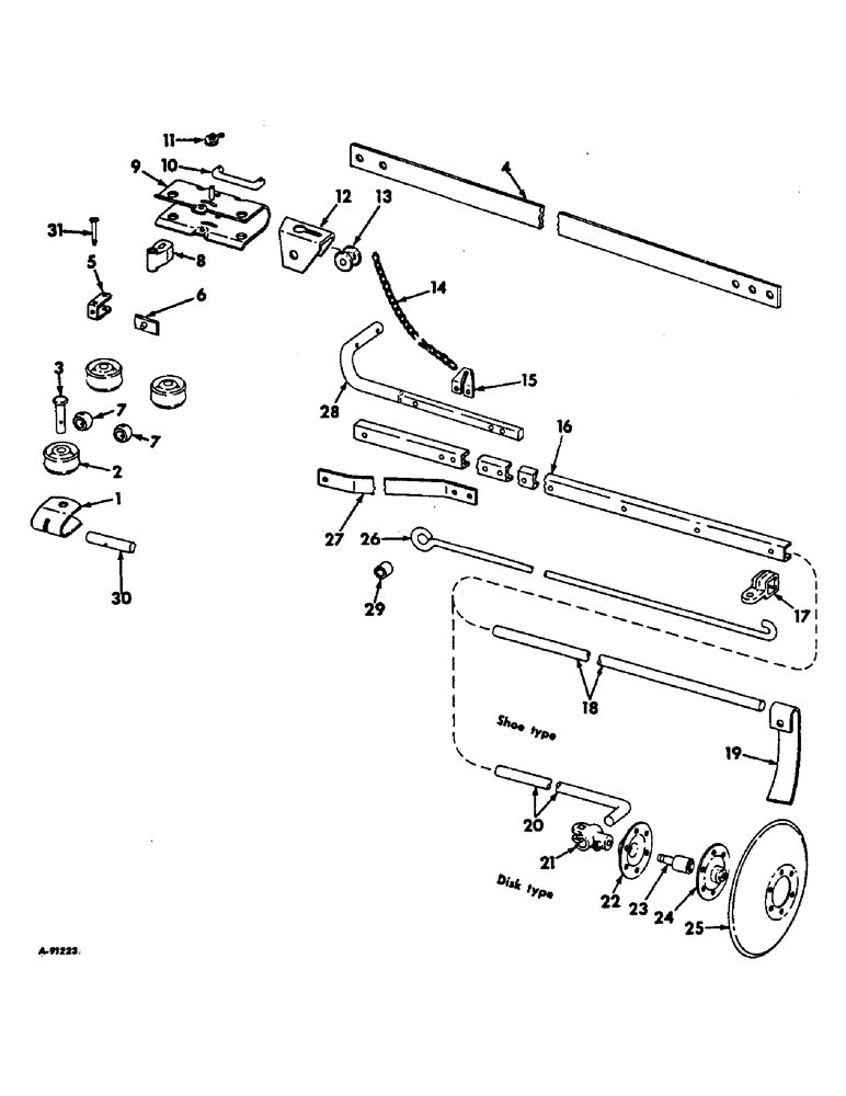
Запчасти Case IH 66-SERIES (U-29) - MARKER UNIT, DISK AND SHOE TYPE, FOR 4-ROW PLANTERS, 1967

Схема запчастей Case IH 66-SERIES - (U-29) - MARKER UNIT, DISK AND SHOE TYPE, FOR 4-ROW PLANTERS, 1967
10
22
5
26
17
4
16
12
8
25
11
31
1
13
15
2
6
9
7
23
21
24
7
3
27
30
29
19
20
18
14
28
FIT
1:1
100%

Артикул

Название

Примечание

Количество

1

472374R1

BRACKET

pulley

1шт.

2

625071R1

PULLEY

SHEAVE, chain roller

3шт.

3

474110R1

PIN

marker sheave

1шт.

21633R1

PIN, 3/16 x 1-1/4 C-Z self-opening cot.

1шт.

4

472114R1

BAR, jockey, note A

3шт.

4

473573R1

BAR, jockey, note D

3шт.

578274R1

WASHER

21/32 x 1 x 11 ga, note B

4шт.

5

486980R1

YOKE

CLEVIS, holder switching

1шт.

21963R1

HEADED PIN,1/4" x 2 1/2"

PIN, 1/4 x 2-1/2 C-Z std-hd

1шт.

97865H

WASHER

9/32 x 7/8 x 16 ga C-Z

1шт.

21628R1

PIN

1/8 x 3/4 C-Z self-opening cot.

1шт.

6

486997R1

ARM

switcher

1шт.

7

481925R2

BALL

marker chain button

2шт.

21648R1

LOCK PIN,1/4" x 1 1/4", Slotted

Pin, 1/4" x 1 1/4", Slotted

2шт.

8

481926R1

HOLDER

main chain

1шт.

22749R1

PIN,5/16" x 2 1/8"

5/16 x 2-1/8 C-Z std-hd

1шт.

21628R1

PIN

1/8 x 3/4 C-Z self-opening cot.

1шт.

9

481931R1

CASE

idler pulley

1шт.

21805R1

PIN

5/8 x 2-1/8 C-Z std-hd

2шт.

21633R1

PIN, 3/16 x 1-1/4 C-Z self-opening cot.

2шт.

589068R1

WASHER

21/32 x 1-1/4 x 11 ga C-Z

2шт.

10

484447R1

ROD

idler pulley pivot

1шт.

21636R1

PIN, 1/4 x 1-1/2 C-Z self-opening cot.

2шт.

11

493533R1

SPRING

snubber

1шт.

12

484280R1

SUPPORT

BRACKET, latch left

1шт.

12

484281R1

BRACKET

latch right

1шт.

18695R1

CARRIAGE BOLT,Short Sq Nk, 7/16" - 14 x 1 1/4", Gr 2

BOLT, 7/16-14 x 1-1/4 C-Z sq-nk crg

2шт.

120383

LOCK WASHER,Helical Spring, 7/16"

WASHER, LOCK, 7/16"

2шт.

271501

SOCKET

NUT, 7/16-14 C-Z hex

2шт.

13

625036R1

PULLEY

ROLLER, lift chain

2шт.

21960R1

PIN, 1/2 x 2-15/15 C-Z std-hd

2шт.

21633R1

PIN, 3/16 x 1-1/4 C-Z self-opening cot

2шт.

14

472371R2

CHAIN (AG)

CHAIN, marker

1шт.

15

464003R1

CLIP

marker chain

2шт.

180083

BOLT,Hex, 5/16" - 18 x 1 1/2", Gr 5

SCREW, 5/16-18 x 1-1/2 C-Z hex-hd cap

3шт.

120376

NUT,5/16"-18, G5

6шт.

80681

LOCK WASHER,5/16"

WASHER, LOCK, 5/16"

6шт.

16

478019R1

CHANNEL

marker, note A

2шт.

19471R1

PIN, SPLIT (COTTER),1/4" x 1 3/4"

4шт.

668752R1

WASHER

29/32 x 1-1/4 x 16 ga C-Z

4шт.

16

478016R1

CHANNEL

narrow row marker, note D

2шт.

19471R1

PIN, SPLIT (COTTER),1/4" x 1 3/4"

4шт.

668752R1

WASHER

29/32 x 1-1/4 x 16 C-Z

4шт.

17

624359R31

CLAMP

ASSY, marker brace

2шт.

20900R1

SET SCREW

1/2 x 1 C-Z sq-hd cup-pt set

2шт.

18

625089R2

BAR, extension, note B

2шт.

19

625149R1

SHOE, marker left, note B

1шт.

19

625150R1

BRACKET

SHOE, marker right, note B

1шт.

18798R1

BOLT,Hex, 7/16"-14 x 2", G2

7/16 x 2 C-Z hex-hd mach

2шт.

NLS

NO LONGER SERVICED

NUT, 7/16-14 C-Z hex

2шт.

120383

LOCK WASHER,Helical Spring, 7/16"

WASHER, LOCK, 7/16"

2шт.

20

478732R1

ROD

marker disk clamp, note C

2шт.

21

478032R1

CLAMP

axle, note C

2шт.

20180R1

CARRIAGE BOLT,Sq Nk, 1/2" - 13 x 2", Gr 2

BOLT, 1/2 x 2 C-Z sq-mk crg

2шт.

120384

WASHER,1/2"

LOCK, 1/2"

2шт.

120378

NUT,Hex, 1/2" - 13, Gr 5

NUT, 1/2"-13, G5

2шт.

128228

SET SCREW,Sq Hd, 3/8"-16 x 3/4"

SCREW, 3/8-16 x 3/4 C-Z sq-hd cup-pt set

2шт.

22

478035R1

BEARING HOUSING,109 mm OD x 19.3 mm

disk brg inner, note C

2шт.

23

478034R91

BEARING ASSY,30mm OD x 82.53mm L

BEARING, ball

2шт.

480679R1

WASHER

dirt seal felt

2шт.

24

478036R1

BEARING HOUSING,30.023 mm ID x 69 mm OD x 19.3 mm

disk brg outer, note C

2шт.

25

479473R1

DISC

DIAK, 11 in., note C

2шт.

180077

BOLT,Hex, 5/16" - 18 x 3/4", Gr 5

SCREW, 5/16-18 x 3/4 C-Z hex-hd cap

12шт.

120376

NUT,5/16"-18, G5

12шт.

80681

LOCK WASHER,5/16"

WASHER, LOCK, 5/16"

12шт.

26

479125R1

ROD

marker brace, note A

2шт.

26

481862R1

BRACE, narrow row marker, note D

2шт.

27

479126R1

BRACE, marker bar, note C

2шт.

18495

BOLT, 3/8 x 1-1/4 C-Z hex-hd mach

4шт.

120382

LOCK WASHER,Helical Spring, 3/8"

WASHER, LOCK, 3/8"

4шт.

120377

NUT,3/8" - 16, Gr 5

4шт.

28

478017R1

ROD

SHAFT, marker bar pivot left

1шт.

28

478018R1

SHAFT

marker bar pivot right

1шт.

29

478176R1

BUSHING

brace rod, note A

2шт.

30

472375R1

PIN

pivot

1шт.

21649R1

LOCK PIN,1/4" x 1 1/2", Slotted

Pin, 1/4" x 1 1/2", Slotted

1шт.

21471R1

WASHER

21/32 x 1 x 11 ga C-Z

4шт.

31

486981R1

PIN

marker clevis

1шт.

Выбрано товаров: 78