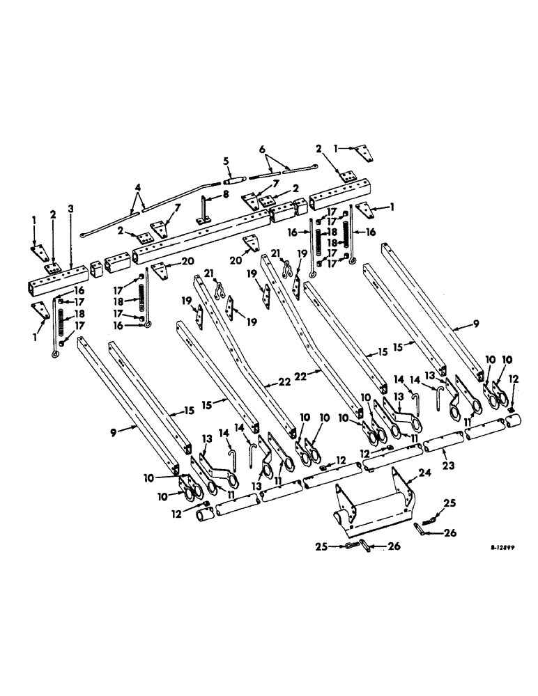
Запчасти Case IH 86 (V-04) - MAIN FRAME

Схема запчастей Case IH 86 - (V-04) - MAIN FRAME
14
16
14
22
16
11
13
11
2
12
17
3
8
10
1
12
22
23
9
7
26
18
17
13
12
15
21
14
20
7
21
11
17
17
10
17
18
15
6
18
19
10
19
24
17
4
15
5
17
25
15
26
25
10
18
10
1
12
7
19
2
16
16
17
20
10
2
9
1
13
11
14
13
10
2
10
19
FIT
1:1
100%

Артикул

Название

Примечание

Количество

1

471576R1

PLATE, support brace

4шт.

17768R1

BOLT,Hex, 1/2" - 13 x 4 1/2", Gr 2

1/2 x 4-1/2 hex-hd mach

8шт.

120384

WASHER,1/2"

LOCK, 1/2"

8шт.

120378

NUT,Hex, 1/2" - 13, Gr 5

NUT, 1/2"-13, G5

8шт.

2

471583R1

PLATE, pressure rod bracket support, one per row

1шт.

18813R1

BOLT,Hex, 1/2" - 13 x 4", Gr 2

1/2-13 x 4 C-Z hex-hd mach, 2 per row

1шт.

120384

WASHER,1/2"

LOCK, , 2 per row 1/2"

1шт.

120378

NUT,Hex, 1/2" - 13, Gr 5

NUT, , 2 per row 1/2"-13, G5

1шт.

3

471582R1

PIPE, rear frame, 6-row and 4-row skip

1шт.

3

471581R1

PIPE, rear frame, for 4-row planters

1шт.

4

471587R1

ROD, truss long, 6-row and 4-row skip

1шт.

124847

COLLAR

5/8-11 C-Z hex. jam

1шт.

433156

BOLT,Hex, 1/2" - 13 x 4 1/2", Gr 5

SCREW, 1/2-13 x 4-1/2 C-Z hex-hd cap

1шт.

460908R1

WASHER

17/32 x 1-1/2 x 11 ga C-Z

1шт.

120384

WASHER,1/2"

LOCK, 1/2"

1шт.

120378

NUT,Hex, 1/2" - 13, Gr 5

NUT, 1/2"-13, G5

1шт.

5

516347R1

TURNBUCKLE, truss rod, 6-row and 4-row skip

1шт.

6

471593R1

ROD, truss short, 6-row and 4-row skip

1шт.

433156

BOLT,Hex, 1/2" - 13 x 4 1/2", Gr 5

SCREW, 1/2-13 x 4-1/2 C-Z hex-hd cap

1шт.

460908R1

WASHER

17/32 x 1-1/2 x 11 ga C-Z

1шт.

120384

WASHER,1/2"

LOCK, 1/2"

1шт.

120378

NUT,Hex, 1/2" - 13, Gr 5

NUT, 1/2"-13, G5

1шт.

7

483668R1

PLATE, support brace upper LH

1шт.

7

483669R1

PLATE, support brace upper RH

1шт.

17768R1

BOLT,Hex, 1/2" - 13 x 4 1/2", Gr 2

1/2 x 4-1/2 hex-hd mach

4шт.

120384

WASHER,1/2"

LOCK, 1/2"

4шт.

120378

NUT,Hex, 1/2" - 13, Gr 5

NUT, 1/2"-13, G5

4шт.

8

471585R11

SUPPORT ASSY, truss rod, 6-row and 4-row skip

1шт.

9

483671R1

BRACE, outside support

2шт.

10

471573R1

PLATE, support brace

8шт.

18498R1

BOLT,Hex, 1/2" - 13 x 3 1/2", Gr 2

1/2 x 3-1/2 C-Z hex-hd mach

4шт.

18812R1

BOLT,Hex, 1/2" - 13 x 3", Gr 2

1/2 x 3 C-Z hex-hd mach

4шт.

120384

WASHER,1/2"

LOCK, 1/2"

8шт.

120378

NUT,Hex, 1/2" - 13, Gr 5

NUT, 1/2"-13, G5

8шт.

11

471568R1

SUPPORT, beam straight, one per row

1шт.

12

471594R1

WASHER, locating

4шт.

R303M

PIN, 1/2 x 3-9/16 std-hd

4шт.

13068R1

PIN,3/16" x 1"

Split (Cotter), , self-opening 3/16" x 1"

4шт.

13

471567R1

SUPPORT, beam offset, one per row

1шт.

18498R1

BOLT,Hex, 1/2" - 13 x 3 1/2", Gr 2

1/2 x 3-1/2 C-Z hex-hd mach, 2 per row

1шт.

120384

WASHER,1/2"

LOCK, , 2 per row 1/2"

1шт.

120378

NUT,Hex, 1/2" - 13, Gr 5

NUT, , 2 per row 1/2"-13, G5

1шт.

14

471572R1

PIN, beam assy locating, one per row

1шт.

520175R1

CLIP

PIN, 3/16 x 2-7/8 Q.A. cot., one per row

1шт.

15

483665R1

BEAM, support, one per row

1шт.

16

471588R1

ROD, pressure, one per row

1шт.

13068R1

PIN,3/16" x 1"

Split (Cotter), , self-opening, 1 per row 3/16" x 1"

1шт.

17

516595R11

COLLAR,16.67mm ID x 28.5mm OD x 19mm L

COLLAR ASSY, pressure rod, one per row

1шт.

85-15010

SET SCREW,Sq Hd, 1/2"-13 x 5/8"

SCREW, 1/2-13 x 5/8 sq-hd cup-pt set, one per row

1шт.

18

6639

SPRING

pressure rod, special, 2 for 4-row, 3 for 6-row

1шт.

19

471579R1

BRACKET, chain, special

4шт.

19475R1

BOLT,Hex, 1/2" - 13 x 3 1/4", Gr 2

1/2 x 3-1/4 C-Z hex-hd mach

6шт.

120384

WASHER,1/2"

LOCK, 1/2"

6шт.

120378

NUT,Hex, 1/2" - 13, Gr 5

NUT, 1/2"-13, G5

6шт.

477257R1

PIN, 1/2 x 2-7/8 std-hd

2шт.

13068R1

PIN,3/16" x 1"

Split (Cotter), , self-opening 3/16" x 1"

2шт.

20

483666R1

PLATE, support brace lower LH

1шт.

20

483667R1

PLATE, support brace lower RH

1шт.

17768R1

BOLT,Hex, 1/2" - 13 x 4 1/2", Gr 2

1/2 x 4-1/2 hex-hd mach

4шт.

120384

WASHER,1/2"

LOCK, 1/2"

4шт.

120378

NUT,Hex, 1/2" - 13, Gr 5

NUT, 1/2"-13, G5

4шт.

21

471584R1

CLEVIS, chain, special

2шт.

Q784

PIN

3/4 x 2-15/16 std-hd

2шт.

16066R1

WASHER

25/32 x 1-1/2 x 16 ga

2шт.

13066R1

PIN, 1/4 x 1-1/2 self-opening cot. 1/8" x 1"

2шт.

22

483670R1

BRACE, inside support

2шт.

23

471570R21

PIPE ASSY, front frame, 6-row and 4-row skip

1шт.

23

471569R11

PIPE ASSY, front frame, for 4-row planters

1шт.

24

471589R91

SUPPORT ASSY, front frame

1шт.

18496R1

BOLT,Hex, 1/2"-13 x 1 1/2", G2

1/2 x 1-1/2 C-Z hex-hd mach

8шт.

120384

WASHER,1/2"

LOCK, 1/2"

8шт.

120378

NUT,Hex, 1/2" - 13, Gr 5

NUT, 1/2"-13, G5

8шт.

25

471194R1

AXLE PIN

PIN, 1/4 x 3-1/4 cd-pltd QA cotter

2шт.

26

471592R1

PIN, front frame support

2шт.

17176R1

LOCK PIN,3/16" x 1", Slotted

Pin, 3/16" x 1", Slotted

1шт.

Выбрано товаров: 75