Запчасти Case IH 90 (R-13) - HILL DROP, ONE PER ROW

Схема запчастей Case IH 90 - (R-13) - HILL DROP, ONE PER ROW
40
56
51
3
6
3
22
16
4
11
51
8
5
34
4
4
48
32
41
1
43
25
15
37
10
4
20
46
29
55
31
18
35
18
7
26
49
28
30
42
54
2
47
19
7
50
17
44
12
6
23
9
20
4
52
33
21
4
39
45
24
53
50
36
38
18
13
18
5
FIT
1:1
100%

Артикул

Название

Примечание

Количество

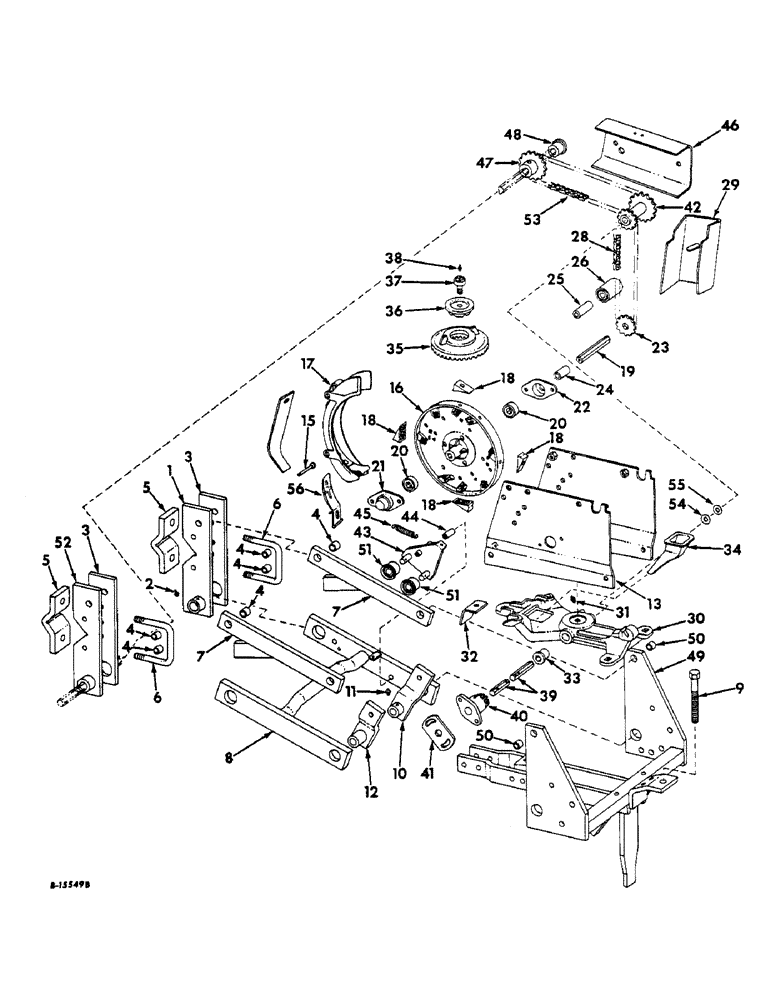
1

482483R91

PLATE ASSY, head bracket RH

1шт.

2

19688R1

LUBE NIPPLE,1/4"-28 x .44" lg

FITTING, 1/4-28 NF, 2 str lub, replaces 102467H

2шт.

3

482484R1

PLATE, head bracket

2шт.

4

573713R1

SPACER,3/4" Tube x 11/16"

.531 x .75 x .688

6шт.

413-836

BOLT,Hex, 1/2" - 13 x 2-1/4", Gr 5

SCREW, 1/2-13 x 2-1/4 hex-hd cap

4шт.

103323

LOCK WASHER,1/2"

WASHER, LOCK, 1/2"

4шт.

102637

NUT,1/2"-13, G5

4шт.

5

482486R1

CLAMP

head bracket

2шт.

6

482487R1

BOLT,5/8" - 11 x 1.6"

head bracket U

2шт.

102639

NUT,5/8"-11, G5

4шт.

103325

LOCK WASHER,5/8"

WASHER, LOCK, 5/8"

4шт.

7

482488R11

BAR ASSY, upper parallel

2шт.

413-836

BOLT,Hex, 1/2" - 13 x 2-1/4", Gr 5

SCREW, 1/2-13 x 2-1/4 hex-hd cap

2шт.

413-828

BOLT,Hex, 1/2" - 13 x 1-3/4", Gr 5

2шт.

102637

NUT,1/2"-13, G5

4шт.

103323

LOCK WASHER,1/2"

WASHER, LOCK, 1/2"

4шт.

76730H

WASHER

17/32 x 1-1/2 x .120

2шт.

8

482490R92

BAR ASSY, lower link

1шт.

13066R1

Pin, Split (Cotter), 1/8" x 1", self-opening 1/8" x 1"

1шт.

9

482494R1

BOLT, press wheel adjusting

1шт.

432-1220

COTTER PIN,3/16" x 1 1/4"

Pin, Split (Cotter), 3/16" x 1 1/4"

1шт.

192100

NUT, 5/8-11 C-Z slt hex.

1шт.

10

482495R91

BRACKET ASSY, brg RH

1шт.

11

19688R1

LUBE NIPPLE,1/4"-28 x .44" lg

FITTING, 1/4-28 NF 2 str lub

1шт.

12

482498R91

BRACKET ASSY, brg LH

1шт.

179841

BOLT,Hex, 3/8" - 16 x 1 1/4", Gr 5

3/8-16 x 1-1/4 hex-hd cap

2шт.

102635

NUT,3/8"-16, G5

2шт.

103321

LOCK WASHER,3/8"

WASHER, LOCK, 3/8"

2шт.

13

482619R11

PLATE ASSY, valve side LH

2шт.

14

482620R11

PLATE ASSY, valve side RH

2шт.

17428R1

BOLT,Hex, 1/2"-13 x 1", G2, Full Thd

1/2 x 1 hex-hd mach

4шт.

103323

LOCK WASHER,1/2"

WASHER, LOCK, 1/2"

8шт.

15

471198R1

PIN

bottom casing

1шт.

121222

COTTER PIN,3/32" x 3/4"

PIN, SPLIT (COTTER), 3/32" x 3/4"

1шт.

16

472129R21

WHEEL

ASSY, plastic seed

1шт.

120619

NUT

10-24 C-Z sq mach screw

8шт.

449649

SCREW, 1/4-20 x 3/4 C-Z cr-rec-pan-hd tap

3шт.

17

479129R92

VALVE SPRING

SPRING ASSY, seed retaining

1шт.

18

468464R1

LUG

seed wheel plastic

4шт.

120621

SCREW,Sl Flat Hd, #10 - 24 x 1"

10-24 x 1 C-Z slt-fl-hd mach

4шт.

19

471199R1

SHAFT

rotor

1шт.

Q397

WASHER

11/32 x 3/4 x 16 ga

2шт.

179812

GEAR

SCREW, 5/16-18 x 1/2 hex-hd cap

2шт.

103320

LOCK WASHER,5/16"

WASHER, LOCK, 5/16"

2шт.

20

471204R91

BEARING

rotor shaft ball

2шт.

21

471202R1

FLANGE, rotor brg closed

1шт.

17404R1

BOLT,Hex, 5/16" - 18 x 1/2", Gr 2

5/16 x 1/2 hex-hd mach

2шт.

103320

LOCK WASHER,5/16"

WASHER, LOCK, 5/16"

2шт.

22

471203R1

FLANGE, rotor brg open

1шт.

17404R1

BOLT,Hex, 5/16" - 18 x 1/2", Gr 2

5/16 x 1/2 hex-hd mach

2шт.

103320

LOCK WASHER,5/16"

WASHER, LOCK, 5/16"

2шт.

23

471200R1

SPROCKET

rotor

1шт.

24

471201R1

SPACER, rotor shaft sprocket

1шт.

13120R1

Pin, Split (Cotter), 3/16" x 1 1/2", self-opening 3/16" x 1 1/2"

1шт.

25

468460R1

SPACER

rotor chain tightener

1шт.

26

468417R1

ROLLER

rotor drive chain tightener

1шт.

15172R1

BOLT, 3/8 x 3-1/2 sq-nk crg

1шт.

Q1505

WASHER

13/32 x 1 x 16 ga

1шт.

Q1581

WASHER, 15/32 x 1-1/2 x 16 ga

1шт.

3420H

WASHER, 13/32 x 1-3/4 x 16 ga

2шт.

103321

LOCK WASHER,3/8"

WASHER, LOCK, 3/8"

1шт.

102635

NUT,3/8"-16, G5

2шт.

27

472115R1

SUPPORT

COVER, front valve

1шт.

471207R1

PIN

quick attachable cot.

1шт.

28

CHAIN, rotor drive, use thirty-nine links of 1/2 in. pitch #190 non-std roller chain from 10 ft rolls marked, 489466R91, one connecting link, 489467R1 and one offset link, 489468r91

1шт.

29

482500R1

GUARD, rotor chain

1шт.

30

482637R1

BRACKET, combination hopper

1шт.

86508749

CARRIAGE BOLT,Short Square Neck, 3/8" - 16 x 1 1/4", Grade 5

BOLT, 3/8 x 1-1/4 sq-nk crg

1шт.

103321

LOCK WASHER,3/8"

WASHER, LOCK, 3/8"

1шт.

102635

NUT,3/8"-16, G5

1шт.

18899R1

BOLT,Sq Hd, 5/16"-18 x 2 1/2", G2

5/16 x 2-1/2 C-Z sq-hd mach

2шт.

129-419

WING NUT,5/16"-18

NUT, 5/16-18 C-Z wing

2шт.

134238R1

WASHER

11/32 x 1 x 16 ga C-Z

2шт.

Q1505

WASHER

13/32 x 1 x 16 ga

1шт.

31

16982R91

FITTING

1/4-28 NF taper thd str lub

1шт.

32

482638R1

COVER, top

1шт.

33

472118R1

BUSHING

BEARING, hopper bracket

2шт.

551177R1

WASHER

21/32 x 1-1/4 x 16 ga

1шт.

34

479585R1

TUBE, hill drop

1шт.

35

479604R3

RING GEAR

GEAR, ring

1шт.

36

479605R2

CYLINDER END CAP

CAP, ring gear

1шт.

37

479607R1

BOLT,1/2" - 13 x 1 7/64"

ring gear

1шт.

38

126098

FITTING

5/16 str drive type lub

1шт.

39

482501R1

ROD, seed wheel drive

1шт.

13066R1

Pin, Split (Cotter), 1/8" x 1", self-opening 1/8" x 1"

3шт.

40

479609R1

GEAR, rotor drive

1шт.

16135DA

WASHER

13/32 x 1 x 4 ga

2шт.

41

479130R1

HUB, timing

1шт.

18465R1

BOLT,Sq Hd, 3/8"-16 x 1 1/4", G2

3/8 x 1-1/4 C-Z sq-hd mach

2шт.

469668R1

WASHER

13/32 x 3/4 x 16 ga C-Z

2шт.

120382

LOCK WASHER,Helical Spring, 3/8"

WASHER, LOCK, 3/8"

2шт.

120377

NUT,3/8" - 16, Gr 5

2шт.

42

482502R91

SPROCKET ASSY, rotor, 12T & 18T

1шт.

43

486613R1

PLATE ASSY, idler, will work for 482621R11

1шт.

107763

COTTER PIN,1/8" x 5/8"

PIN, SPLIT (COTTER), 1/8" x 5/8"

2шт.

12026R1

WASHER

17/32 x 1-1/4 x 16 ga

2шт.

44

482503R1

SPACER, idler plate

1шт.

44

486616R1

SPACER, idler plate, will work for 482503R1

1шт.

45

622016R1

SPRING

unit drive, order 207199R1

1шт.

45

207199R1

SPRING

unit drive

1шт.

46

482504R2

SHIELD, chain

1шт.

413-548

BOLT,Hex, 5/16" - 18 x 3", Gr 5

1шт.

Q1505

WASHER

13/32 x 1 x 16 ga

1шт.

17445R1

BOLT,Hex, 5/16" - 18 x 1 1/4"

5/16 x 1-1/4 hex-hd mach

2шт.

103320

LOCK WASHER,5/16"

WASHER, LOCK, 5/16"

3шт.

9635082

NUT,5/16" - 18, Gr 5

5/16-18 hex.

3шт.

47

482505R11

SPROCKET ASSY, 18T

1шт.

102892

SET SCREW

3/8-16 x 1/2 sq-hd cup-pt set

1шт.

48

472432R1

BUSHING

BEARING, drill shaft

1шт.

49

482623R93

FRAME ASSY, seed unit

1шт.

50

482469R1

BUSHING

upper parallel link rear

2шт.

51

482635R2

ROLLER

idler

2шт.

52

482508R91

PLATE ASSY, head bracket LH

1шт.

15089R1

BOLT

3/8 x 2-1/4 sq-nk crg

2шт.

103321

LOCK WASHER,3/8"

WASHER, LOCK, 3/8"

2шт.

102635

NUT,3/8"-16, G5

2шт.

53

CHAIN, hopper drive, use 79 links 1/2 in. pitch #41 std roller chain from 10 ft roll marked, 475879R91, two connecting links, 1306D, one offset link, 1308D, and one roller link, 1307D

1шт.

54

486611R1

WASHER, wear

1шт.

55

486612R1

WASHER, thrust

1шт.

56

472127R1

DEFLECTOR, drill tube, 1966 to 1968, used with 479129R91 only

1шт.

20945R1

HEADED PIN,1/4" x 2 3/4"

PIN, 1/4 x 2-3/4 C-Z std-hd

1шт.

12235R1

1/8" x 5/8" 1/8" x 5/8"

1шт.

56

489471R1

GUIDE

drill, 1968 and since

1шт.

Выбрано товаров: 123