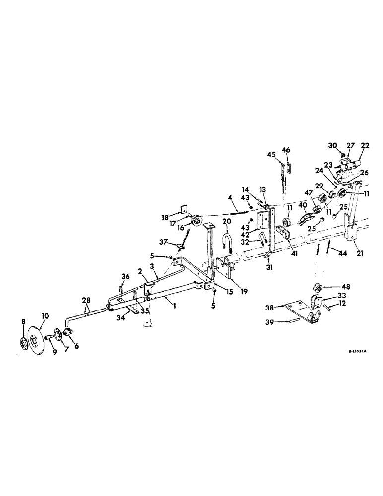
Запчасти Case IH 90 (R-21) - AUTOMATIC MARKER, DISK TYPE, FOUR AND SIX ROW

Схема запчастей Case IH 90 - (R-21) - AUTOMATIC MARKER, DISK TYPE, FOUR AND SIX ROW
25
46
32
33
5
13
35
48
10
5
8
25
19
3
38
24
36
34
21
11
27
30
26
9
11
2
28
18
37
31
14
17
7
4
12
20
15
40
41
1
22
23
39
6
43
44
43
47
42
45
16
11
29
FIT
1:1
100%

Артикул

Название

Примечание

Количество

1

484177R91

TUBE ASSY, marker, see notes A & B

2шт.

1

484741R1

TUBE ASSY, marker, see note C

2шт.

18619R1

BOLT,Hex, 5/8" - 11 x 2 1/4", Gr 2

5/8 x 2-1/4 C-Z hex-hd mach

2шт.

464623R1

WASHER

21/32 x 1-1/2 x 11 ga C-Z

2шт.

492-11062

BEARING WASHER,5/8"

WASHER, LOCK, 5/8"

2шт.

280374

NUT,Hex, 5/8" - 11, Gr 5

5/8-11 C-Z hex.

2шт.

2

484182R1

STOP, marker

2шт.

110452

SET SCREW

1/2-13 x 1-1/2 cup-pt sq-hd set

2шт.

120378

NUT,Hex, 1/2" - 13, Gr 5

NUT, 1/2"-13, G5

2шт.

18768R1

BOLT,Hex, 5/16"-18 x 2 1/4", G2

5/16 x 2-1/4 C-Z hex-hd mach

4шт.

120376

NUT,5/16"-18, G5

4шт.

80681

LOCK WASHER,5/16"

WASHER, LOCK, 5/16"

4шт.

3

484181R1

ROD, truss, see notes A & B

2шт.

3

484743R1

ROD, truss, see note C

2шт.

187988

COTTER PIN,3/16" x 1 1/4"

PIN, SPLIT (COTTER), 3/16" x 1 1/4"

4шт.

4

484171R1

CHAIN, marker lift, see note A, 445 links

1шт.

4

484744R1

CHAIN, marker lift, see note C, 609 links

1шт.

5

484745R1

BUSHING, used in marker support assy

2шт.

6

478032R1

CLAMP

axle

1шт.

20180R1

CARRIAGE BOLT,Sq Nk, 1/2" - 13 x 2", Gr 2

BOLT, 1/2 x 2 C-Z sq-nk crg

2шт.

120384

WASHER,1/2"

LOCK, 1/2"

2шт.

120378

NUT,Hex, 1/2" - 13, Gr 5

NUT, 1/2"-13, G5

2шт.

102894

SET SCREW

3/8-16 x 3/4 cup-pt sq-hd set

2шт.

7

478035R1

BEARING HOUSING,109 mm OD x 19.3 mm

disk brg inner

2шт.

8

478036R1

BEARING HOUSING,30.023 mm ID x 69 mm OD x 19.3 mm

disk brg outer

2шт.

9

ST438

BEARING

ASSY, ball, see notes A & C

2шт.

9

478034R91

BEARING ASSY,30mm OD x 82.53mm L

BEARING ASSY, ball, see note B

2шт.

10

479473R1

DISC

DISK, 11 in.

2шт.

120376

NUT,5/16"-18, G5

12шт.

180077

BOLT,Hex, 5/16" - 18 x 3/4", Gr 5

SCREW, 5/16-18 x 3/4 C-Z hex-hd cap

12шт.

80681

LOCK WASHER,5/16"

WASHER, LOCK, 5/16"

12шт.

480679R1

WASHER

dirt seal felt

2шт.

11

625071R1

PULLEY

SHEAVE, chain roller

1шт.

12

H2808

HEADED PIN,5/8" x 2"

PIN, 5/8-11 x 1 std-hd, see notes A & C

1шт.

21633R1

PIN, 3/16 x 1-1/4 C-Z self-opening cot.

1шт.

13

3125AA

SLIDE, marker

2шт.

14

33066A

BOLT, U

2шт.

120382

LOCK WASHER,Helical Spring, 3/8"

WASHER, LOCK, 3/8"

4шт.

120377

NUT,3/8" - 16, Gr 5

4шт.

15

484757R1

SUPPORT ASSY, marker LH

1шт.

15

484758R1

SUPPORT ASSY, marker RH

1шт.

16

484191R1

SHEAVE

2шт.

17

484192R1

BUSHING, sheave

2шт.

18810R1

BOLT,Hex, 1/2" - 13 x 2 1/4", Gr 2

1/2 x 2-1/4 C-Z hex-hd mach

2шт.

120384

WASHER,1/2"

LOCK, 1/2"

2шт.

120378

NUT,Hex, 1/2" - 13, Gr 5

NUT, 1/2"-13, G5

2шт.

18

484193R1

STRIP, outer chain retaining

2шт.

19

484746R1

CLAMP ASSY, marker support

2шт.

413-1036

BOLT,Hex, 5/8" - 11 x 2-1/4", Gr 5

SCREW, 5/8-11 x 2-1/4 C-Z hex-hd cap

4шт.

492-11062

BEARING WASHER,5/8"

WASHER, LOCK, 5/8"

4шт.

280374

NUT,Hex, 5/8" - 11, Gr 5

5/8-11 C-Z hex.

4шт.

20

484749R1

BOLT, U

3шт.

NLS

NO LONGER SERVICED

7/8"

6шт.

425-1014

NUT,7/8"-9, G5

NUT, 7/8"-9, G5

6шт.

21

484750R1

MAST ASSY, center

1шт.

22

481930R92

CASE

ASSY

1шт.

H2808

HEADED PIN,5/8" x 2"

PIN, 5/8 x 2 std-hd

2шт.

13094R1

Pin, Split (Cotter), 3/16" x 1 1/4", self-opening 3/16" x 1 1/4"

2шт.

23

481926R1

HOLDER

marker chain

1шт.

V4941/2

PIN

5/16 x 2 std-hd

1шт.

13042R1

AXLE PIN,1/8" x 3/4"

Pin, Split (Cotter), , self-opening 1/8" x 3/4"

1шт.

97865H

WASHER

9/32 x 3/4 x 16 ga

1шт.

24

(Not used in this application)

1шт.

25

481925R2

BALL

marker chain button

2шт.

576485R1

LOCK PIN,1/4" x 1 1/4", Slotted

2шт.

26

481934R1

CAP

ARM, switcher, 1966

2шт.

26

486997R1

ARM

switcher, 1967 and since

1шт.

Q3519

HEADED PIN,1/4" x 2 1/2"

PIN, 1/4 x 2-1/2 std-hd

1шт.

27

472354R1

ROD

idler pulley pivot, order 484447R1

1шт.

27

484447R1

ROD

idler pulley pivot

1шт.

13121R1

Pin, Split (Cotter), 1/4" x 1 1/2", self opening 1/4" x 1 1/2"

1шт.

28

484754R1

ROD, marker disk clamp

2шт.

29

481927R2

CLEVIS

holder switching arm, 1966

1шт.

29

486980R1

YOKE

CLEVIS, holder switching arm, 1967 and since

1шт.

486981R1

PIN

1/4 x 2 std-hd

1шт.

13042R1

AXLE PIN,1/8" x 3/4"

Pin, Split (Cotter), , self-opening 1/8" x 3/4"

2шт.

30

481929R1

SPRING

snubber

1шт.

31

484755R1

BAR, pulley support

2шт.

32

478241R1

BOLT, U pulley support bar

2шт.

102635

NUT,3/8"-16, G5

4шт.

103321

LOCK WASHER,3/8"

WASHER, LOCK, 3/8"

4шт.

33

472374R1

BRACKET

CASE, pulley, see notes A & C

1шт.

413-1240

BOLT,Hex, 3/4" - 10 x 2-1/2", Gr 5

Hex, 3/4"-10 x 2-1/2", G5

2шт.

280954

NUT,3/4"-10, G5

2шт.

87340

LOCK WASHER,Helical Spring, 0.759" ID, CST, ZND

WASHER, LOCK, 3/4"

2шт.

467750R1

WASHER

25/30 x 1-1/2 x 11 ga C-Z

2шт.

34

484756R1

BAR, marker tie bar, see note C

2шт.

35

U18806

BOLT, U marker tie bar, see note C

2шт.

120377

NUT,3/8" - 16, Gr 5

4шт.

120382

LOCK WASHER,Helical Spring, 3/8"

WASHER, LOCK, 3/8"

4шт.

36

23272K

BOLT,3/8" - 16 x 1 3/8"

U marker tie bar, see note C

2шт.

120377

NUT,3/8" - 16, Gr 5

4шт.

120382

LOCK WASHER,Helical Spring, 3/8"

WASHER, LOCK, 3/8"

4шт.

37

484765R1

PLATE, marker stop washer, see notes A & C

2шт.

33388A

PIN,5/8" x 3/4"

5/8 x 3/4 std-hd

2шт.

13068R1

PIN,3/16" x 1"

Split (Cotter), , self-opening 3/16" x 1"

2шт.

38

484763R1

PLATE ASSY, mounting, see notes A & C

1шт.

39

472375R1

PIN

pivot case, see notes A & C

1шт.

576517R1

LOCK PIN,1/4" x 1 1/2", Slotted

Pin, 1/4" x 1 1/2", Slotted

1шт.

40

484172R91

YOKE ASSY, see note B

1шт.

41

484174R91

YOKE ASSY, lower chain roller, see note B

1шт.

271771

HOUSING,Hex, 3/4" - 10 x 2", Gr 5

SCREW, 3/4-10 x 2 C-Z hex-hd cap

1шт.

87340

LOCK WASHER,Helical Spring, 0.759" ID, CST, ZND

WASHER, LOCK, 3/4"

1шт.

280954

NUT,3/4"-10, G5

1шт.

42

484185R1

BAR, pulley anchor lower, see note B

1шт.

43

652056R1

SPACER, see note B

2шт.

179889

BOLT,Hex, 1/2" - 13 x 2", Gr 5

SCREW, 1/2-13 x 2 hex-hd cap

2шт.

103323

LOCK WASHER,1/2"

WASHER, LOCK, 1/2"

2шт.

44

484164R1

CHAIN, marker lift, see note B, 60 links

1шт.

44

484909R1

CHAIN, marker lift, see note B, 350 links

1шт.

45

484162R1

SUPPORT, chain lift bracket, see note B

1шт.

46

484910R1

CLIP, chain lift bracket, see note B

1шт.

271726

ROTOR,Hex, 5/8" - 11 x 2 3/4", Gr 5

SCREW, 5/8-11 x 2-3/4 C-Z hex-hd cap

2шт.

280374

NUT,Hex, 5/8" - 11, Gr 5

5/8-11 C-Z hex.

2шт.

492-11062

BEARING WASHER,5/8"

WASHER, LOCK, 5/8"

2шт.

47

625071R1

PULLEY

SHEAVE, chain roller, see note B

1шт.

H2808

HEADED PIN,5/8" x 2"

PIN, 5/8 x 2 std-hd

1шт.

13094R1

Pin, Split (Cotter), 3/16" x 1 1/4", self-opening 3/16" x 1 1/4"

1шт.

48

625071R1

PULLEY

SHEAVE, chain roller, see note B

1шт.

Q1176

HEADED PIN,5/8" x 2 3/16"

PIN, 5/8 x 2-3/16 std-hd

1шт.

13094R1

Pin, Split (Cotter), 3/16" x 1 1/4", self-opening 3/16" x 1 1/4"

1шт.

Выбрано товаров: 121